ул.Симферопольская
дом 5, офис 9
Корзина
Корзина пуста
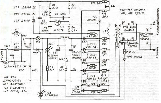
Самодельный инверторный сварочный аппарат

Инверторный сварочный аппарат из старого телевизора Многим в хозяйстве пригодился бы аппарат для электросварки деталей из черных металлов. Поскольку серийно выпускаемые сварочные аппараты довольно дороги, многие радиолюбители......
Какие посудомоечные машины самые надежные

Рейтинг посудомоечных машин ТОП 10 лучших 2018 Представляем вашему вниманию рейтинг посудомоечных машин, составленный с учетом отзывов потребителей. При подборе товаров мы опираемся не только на технические характеристики,......
Сечение диаметр жилы кабеля

Сечение провода (кабеля) по диаметру: формула, таблицаГлавная » Электрика » Как определить сечение кабеля (провода) по диаметру По идее, диаметр проводников должен соответствовать заявленным параметрам. Например, если указано......
Как правильно соединить провода гильзой

Опрессовка проводов гильзами в распределительной коробке. Соединение проводов опрессовкой гильзами – пример работ с фото
...
Стучит в стиральной машине при отжиме

Почему возникает стук в стиральной машине при отжиме? Рано или поздно бытовая техника начинает приносить проблемы. Нередко перед поломкой появляются ее предпосылки. Например, если вы стали замечать, что стиральная машина......
Контроллер с пультом

Пульт дистанционного управления: устройство, схема С тем, что беспроводной универсальный пульт дистанционного управления (ПДУ) вносит определенные удобства при эксплуатации бытовой техники, согласятся все. Время, когда......
Ввгп нг ls

расшифровка аббревиатуры, сферы применения, монтаж Есть много разновидностей проводов и кабелей. По внешнему виду типы кабельной продукции не всегда отличаются друг от друга, тем более при покупке в магазине или заказе......
Как собрать металлоискатель в домашних условиях

как сделать в домашних условияхУстройства способные обнаруживать металлические предметы в слабопроводящих средах называют металлоискателями, или металлодетекторами. Их можно использовать для поиска черных и цветных......
Уравнение кирхгофа для цепи постоянного тока

Метод уравнений Кирхгофа - ТОЭ, РЗА Уравнения Кирхгофа являются основными соотношениями, на которых базируются расчеты сложных электрических цепей. Пусть имеется разветвленная сеть проводов, на различных участках которой......
Куда девать старый электросчетчик после замены

Что делать со старыми счетчиками воды? Переход на систему водомеров для жителей России – это несколько этапов головной боли. Сначала установка, целый ряд проверок и как следствие необходимость куда-то деть окончательно......
