ул.Симферопольская
дом 5, офис 9
Корзина
Корзина пуста
ТВ-антенна своими руками: ДМВ, цифровая — как сделать различных видов. Рамочная дмв антенна своими руками
Рамочная антенна для приема российских мультиплексов
Трехэлементная рамочная антенна имеет узкий главный лепесток диограммы направленности и высокий коэффициент усиления. Для ДМВ диапозона, в котором транслируется российские 1, 2 и 3 мультиплекы в формате DBV-T2, размеры антенны очень компактны. Поэтому «Тройной квадрат» с успехом может заменить комнатную антенну.

Наиболее оптимальная длина ребра рефлектора на 4% больше длины ребра вибратора. Зависимость усиления рамочной антенны «Тройной квадрат» от расстояния между элементами приведена на рисунке. При Б = 0,11L имеем максимальное усиление.
Входное сопротивление антенны, как и ее усиление, также определяется расстоянием между элементами антенны. Например, при расстоянии между рефлектором и вибратором Б=0,11L получаем, что входное сопротивление антенны равно 65 Ом, а усиление по сравнению с полуволновым диполем равно 6,6 дБ.
При расчете антенны типа «Тройной квадрат» можно пользоваться следующими формулами: В = 0,255L; Р = 0,261L; Д = 0,247L, где L — длина волны. Оптимальное расстояние между элементами А (Б) = 0,11....0,15L. Размеры элементов для дециметрового диапозона (телевизионных каналов 21 — 80) антенны «Тройной квадрат» приведены в таблице.
| Каналы | Д (мм) | В (мм) | Р (мм) | А (мм) | Б (мм) | Ш (мм) |
| 21 — 26 | 134 | 158 | 193 | 57 | 98 | 152 |
| 27 — 32 | 122 | 144 | 176 | 61 | 89 | 139 |
| 33 — 40 | 110 | 131 | 160 | 55 | 80 | 126 |
| 41 — 49 | 99 | 117 | 143 | 50 | 72 | 112 |
| 50 — 58 | 89 | 105 | 129 | 45 | 69 | 102 |
| 59 — 68 | 81 | 96 | 113 | 41 | 59 | 92 |
| 59 — 80 | 73 | 86 | 106 | 37 | 53 | 83 |
Сетка частот телевизионных каналов в г. Жуковском Московской области.
| Канал | Частотные границы, МГц | Средняя длина волны, м | Примечание |
| 24 | 494 — 502 | 0,602 | 3 мультиплекс |
| 30 | 542 — 550 | 0,549 | 1 мультиплекс |
| 34 | 574 — 582 | 0,519 | 2 мультиплекс |
Поэтому в данном населенном пункте оптимальной будет антенна, расчитанная на 30 телевизионный канал (Несущая частота 546 МГц).
Рамочную антенну «Тройной квадрат» можно улучшить путем добавления еще трех элементов. Коэффициент усиления доработанной антенны значительно возрастает, что даст ей преимущество при использовании ее как в комнатном, так и в наружном варианте. Конструкция антенны представлена на рисунке,

размеры — в таблице.
| Каналы | З | Г | Ж | Д | В | Р | А | Б | И | К | Л | Ш |
| 21… 26 | 68 | 90 | 112 | 134 | 158 | 193 | 67 | 98 | 55 | 43 | 31 | 150 |
| 27 … 32 | 56 | 79 | 100 | 122 | 144 | 176 | 61 | 89 | 49 | 37 | 25 | 138 |
| 33… 40 | 44 | 66 | 88 | 110 | 131 | 160 | 55 | 80 | 43 | 31 | 19 | 124 |
| 41 … 49 | 33 | 55 | 77 | 99 | 117 | 143 | 50 | 72 | 38 | 27 | 16 | 109 |
| 50… 58 | 24 | 45 | 67 | 89 | 105 | 129 | 45 | 69 | 34 | 21 | 12 | 99 |
| 59 … 68 | 17 | 38 | 59 | 81 | 96 | 113 | 41 | 59 | 30 | 18 | 8 | 96 |
| 69… 80 | 10 | 31 | 52 | 73 | 89 | 106 | 37 | 53 | 26 | 14 | 4 | 81 |
audiohobby.ru
ТВ-антенна своими руками: ДМВ, цифровая — как сделать различных видов
Содержание
- Что изменилось в эфире?
- Требования к антеннам
- О вибраторных антеннах
- О спутниковом приеме
- О параметрах антенн
- О тонкостях изготовления
- Виды антенн
- О «полячках» и усилителях
- С чего начать?
Когда-то хорошая телевизионная антенна была дефицитом, покупные качеством и долговечностью, мягко говоря, не отличались. Сделать антенну для «ящика» или «гроба» (старого лампового телевизора) своими руками считалось показателем мастерства. Интерес к самодельным антеннам не угасает и в наши дни. Ничего странного тут нет: условия приема ТВ кардинально изменились, а производители, полагая, что в теории антенн ничего существенно нового нет и не будет, чаще всего приспосабливают к давно известным конструкциям электронику, не задумываясь над тем, что главное для любой антенны – ее взаимодействие с сигналом в эфире.
Что изменилось в эфире?
Во-первых, почти весь объем ТВ-вещания в настоящее время осуществляется в диапазоне ДМВ. Прежде всего из экономических соображений, в нем намного упрощается и удешевляется антенно-фидерное хозяйство передающих станций, и, что еще более важно – потребность в его регулярном обслуживании высококвалифицированными специалистами, занятыми тяжелым, вредным и опасным трудом.
Второе – ТВ-передатчики теперь покрывают своим сигналом практически все более-менее населенные места, а развитая сеть связи обеспечивает подачу программ в самые глухие углы. Там вещание в обитаемой зоне обеспечивают маломощные необслуживаемые передатчики.
Третье, изменились условия распространения радиоволн в городах. На ДМВ промышленные помехи просачиваются слабо, но железобетонные многоэтажки для них – хорошие зеркала, многократно переотражающие сигнал вплоть до его полного затухания в зоне, казалось бы, уверенного приема.
Четвертое – ТВ-программ в эфире сейчас очень много, десятки и сотни. Насколько это множество разнообразно и содержательно – другой вопрос, но рассчитывать на прием 1-2-3 каналов ныне бессмысленно.
Наконец, получило развитие цифровое вещание. СигналDVB T2 – штука особенная. Там, где он еще хоть чуть-чуть, на 1,5-2 дБ, превышает шумы, прием отличный, как ни в чем ни бывало. А чуть дальше или в стороне – нет, как отрезало. К помехам «цифра» почти не чувствительна, но при рассогласовании с кабелем или фазовых искажениях в любом месте тракта, от камеры до тюнера, картинка может рассыпаться в квадратики и при сильном чистом сигнале.
Требования к антеннам
В соответствии с новыми условиями приема, изменились и основные требования к ТВ-антеннам:
- Такие ее параметры, как коэффициент направленного действия (КНД) и коэффициент защитного действия (КЗД) ныне определяющего значения не имеют: современный эфир очень грязный, и по малюсенькому боковому лепестку диаграммы направленности (ДН), хоть какая-то помеха, да пролезет, и бороться с ней нужно уже средствами электроники.
- Взамен особое значение приобретает собственный коэффициент усиления антенны (КУ). Антенна, хорошо «облавливающая» эфир, а не смотрящая на него сквозь маленькую дырочку, даст запас мощности принятого сигнала, позволяющий электронике очистить его от шумов и помех.
- Современная телевизионная антенна, за редчайшими исключениями, должна быть диапазонной, т.е. ее электрические параметры должны сохраняться естественным образом, на уровне теории, а не втискиваться в приемлемые рамки путем инженерных ухищрений.
- ТВ-антенна должна согласовываться в кабелем во всем своем рабочем диапазоне частот без дополнительных устройств согласования и симметрирования (УСС).
- Амплитудно-частотная характеристика антенны (АЧХ) должна быть возможно более гладкой. Резким выбросам и провалам непременно сопутствуют фазовые искажения.

Конструкция логопериодической антенны
ЛПА может быть изготовлена на любой, до 1-2 ГГц, наперед заданный диапазон частот. При изменении рабочей частоты ее активная область из 1-5 диполей смещается вперед-назад по полотну. Поэтому, чем ближе показатель прогрессии к 1, и соответственно меньше угол раскрыва антенны, тем большее усиление она даст, но при этом возрастает ее длина. На ДМВ от наружной ЛПА можно добиться 26 дБ, а от комнатной – 12 дБ.
ЛПА, можно сказать, по совокупности качеств идеальная цифровая антенна, поэтому остановимся на ее расчете несколько подробнее. Основное, что нужно знать, что увеличение показателя прогрессии (тау на рис.) дает прирост усиления, а уменьшение угла раскрыва ЛПА (альфа) увеличивает направленность. Экран для ЛПА не нужен, он на ее параметры почти не влияет.
Расчет цифровой ЛПА имеет особенности:
- Начинают его, ради запаса по частоте, со второго по длине вибратора.
- Затем, взяв обратную величину от показателя прогрессии, рассчитывают самый длинный диполь.
- После самого короткого, исходя из заданного диапазона частот, диполя, добавляют еще один.
Поясним на примере. Допустим, наши цифровые программы лежат в диапазоне 21-31 ТВК, т.е. в 470-558 МГц по частоте; длины волн соответственно – 638-537 мм. Также допустим, что нам нужно принимать слабый зашумленный сигнал вдали от станции, поэтому берем максимальный (0,9) показатель прогрессии и минимальный (30 градусов) угол раскрыва. Для расчета понадобится половина угла раскрыва, т.е. 15 градусов в нашем случае. Раскрыв можно еще уменьшить, но длина антенны непомерно, по котангенсу, возрастет.
Считаем В2 на рис: 638/2 = 319 мм, а плечи диполя будут по 160 мм, до 1 мм можно округлять. Расчет нужно будет вести, пока не получится Bn = 537/2 = 269 мм, и затем просчитать еще один диполь.
Теперь считаем А2 как В2/tg15 = 319/0,26795 = 1190 мм. Затем, через показатель прогрессии, А1 и В1: А1 = А2/0,9 = 1322 мм; В1 = 319/0,9 = 354,5 = 355 мм. Далее последовательно, начиная с В2 и А2, умножаем на показатель, пока не дойдем до 269 мм:
- В3 = В2*0,9 = 287 мм; А3 = А2*0,9 = 1071 мм.
- В4 = 258 мм; А4 = 964 мм.
Стоп, у нас уже меньше 269 мм. Проверяем, уложимся ли по усилению, хотя и так ясно, что нет: чтобы получить 12 дБ и более, расстояния между диполями не должны превышать 0,1-0,12 длины волны. В данном случае имеем для В1 А1-А2 = 1322 – 1190 = 132 мм, а это 132/638 = 0,21 длины волны В1. Нужно «подтянуть» показатель к 1, до 0,93-0,97, вот и пробуем разные, пока первая разница А1-А2 не сократится вдвое и более. Для максимума в 26 дБ нужно расстояние между диполями в 0,03-0,05 длины волны, но не менее 2-х диаметров диполя, 3-10 мм на ДМВ.
Примечание: остаток линии за самым коротким диполем, обрезаем, он нужен только для расчета. Поэтому реальная длина готовой антенны получится всего около 400 мм. Если наша ЛПА наружная, это очень хорошо: можно уменьшить раскрыв, получив большую направленность и защиту от помех.
Видео: антенна для цифрового ТВ DVB T2
О линии и мачте
Диаметр трубок линии ЛПА на ДМВ – 8-15 мм; расстояние между их осями – 3-4 диаметра. Учтем еще, что тонкие кабели-«шнурки» дают на ДМВ такое затухание на метр, что все антенно-усилительные ухищрения сойдут на нет. Коаксиал для наружной антенны нужно брать хороший, диаметром по оболочке от 6-8 мм. Т.е., трубки для линии должны быть тонкостенными цельнотянутыми. Подвязывать кабель к линии снаружи нельзя, качество ЛПА резко упадет.
Элементы АВК соединяются со стрелой в точках нулевого потенциала, поэтому мачта и стрела могут быть любыми. Очень хорошо подходят пропиленовые трубы.
Расчет и настройка АВК под аналог и цифру несколько различны. Под аналог волновой канал нужно рассчитывать на несущую частоту изображения Fи, а под цифру – на середину спектра ТВК Fс. Почему так – здесь объяснять, к сожалению, нет места. Для 21-го ТВК Fи = 471,25 МГц; Fс = 474 МГц. ДМВ ТВК расположены вплотную друг к другу через 8 МГц, поэтому их настроечные частоты для АВК рассчитываются просто: Fn = Fи/Fс(21 ТВК) + 8(N – 21), где N – номер нужного канала. Напр. для 39 ТВК Fи = 615,25 МГц, а Fс = 610 МГц.
Чтобы не записывать множество цифр, удобно размеры АВК выражать в долях длины рабочей волны (она считается как Л = 300/F, МГц). Длину волны принято обозначать малой греческой буквой лямбда, но, поскольку в интернете греческого алфавита по умолчанию нет, мы условно обозначим ее большой русской Л.
Размеры оптимизированной под цифру АВК, по рис., таковы:

U-петля: УСС для АВК
- Р = 0,52Л.
- В = 0,49Л.
- Д1 = 0,46Л.
- Д2 = 0,44Л.
- Д3 = 0,43л.
- a = 0,18Л.
- b = 0,12Л.
- c = d = 0,1Л.
Если не нужно большого усиления, но важнее уменьшение габаритов АВК, то Д2 и Д3 можно убрать. Все вибраторы выполняются из трубки или прутка диаметром 30-40 мм для 1-5 ТВК, 16-20 мм для 6-12 ТВК и 10-12 мм на ДМВ.
АВК требует точного согласования с кабелем. Именно небрежным выполнением устройства согласования и симметрирования (УСС) объясняется большинство неудач любителей. Самое простое УСС для АВК – U-петля из того же коаксиального кабеля. Ее конструкция ясна из рис. справа. Расстояние между сигнальными клеммами 1-1 140 мм для 1-5 ТВК, 90 мм для 6-12 ТВК и 60 мм на ДМВ.
Теоретически длина колена l должна быть в половину длины рабочей волны, так и значится в большинстве публикаций в интернете. Но ЭМП в U-петле сосредоточено внутри заполненного изоляцией кабеля, поэтому нужно обязательно (для цифры – особенно обязательно) учитывать его коэффициент укорочения. Для 75-омных коаксиалов он колеблется в пределах 1,41-1,51, т.е. l нужно брать от 0,355 до 0,330 длины волны, и брать точно, чтобы АВК была АВК, а не набором железок. Точное значение коэффициента укорочения всегда есть в сертификате на кабель.
В последнее время отечественная промышленность начала выпускать перенастраиваемые АВК для цифры, см. рис. Идея, надо сказать, отличная: передвигая элементы по стреле, можно точно настроить антенну под местные условия приема. Лучше, конечно, чтобы это делал специалист – поэлементная настройка АВК взаимозависима, и дилетант непременно запутается.

АВК для цифрового ТВ
О «полячках» и усилителях
У многих пользователей польские антенны, ранее прилично принимавшие аналог, цифру брать отказываются – рвется, а то и вовсе пропадает. Причина, прошу прощения, похабно-коммерческий подход к электродинамике. Стыдно порой бывает за коллег, сляпавших такое «чудо»: АЧХ и ФЧХ похожи то ли на ежа-псориазника, то ли лошадиный гребень с выломанными зубьями.
Единственно, что хорошо в «полячках» – их усилители для антенны. Собственно, они и не дают сим изделиям бесславно помереть. Усилители «поячек», во-первых, широкополосные малошумящие. И, что еще важнее – с высокоомным входом. Это позволяет при той же напряженности ЭМП сигнала в эфире подать на вход тюнера в несколько раз большую его мощность, что дает возможность электронике «выдрать» цифру из совсем уж безобразных шумов. Кроме того, вследствие большого входного сопротивления польский усилитель – идеальное УСС для любых антенн: что ни цепляй ко входу, на выходе – точно 75 Ом без отраженки и ползучки.
Однако при очень плохом сигнале, вне зоны уверенного приема, польский усилитель уже не тянет. Питание на него подается по кабелю, и развязка по питанию отнимает 2-3 дБ отношения сигнал/шум, которых может как раз и не хватить, чтобы цифра пошла в самой глубинке. Тут нужен хороший усилитель ТВ сигнала с раздельным питанием. Располагаться он будет, скорее всего, возле тюнера, а УСС для антенны, если оно требуется, придется делать отдельно.

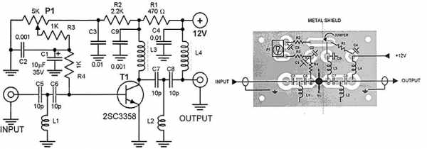
Усилитель ТВ сигнала ДМВ
Схема такого усилителя, показавшая почти 100% повторяемость даже при выполнении начинающими радиолюбителями, приведена на рис. Регулировка усиления – потенциометром Р1. Дроссели развязки L3 и L4 – стандартные покупные. Катушки L1 и L2 выполняются по размерам на монтажной схеме справа. Они входят в состав полосовых фильтров сигнала, поэтому небольшие отклонения их индуктивности не критичны.
Однако топологию (конфигурацию) монтажа нужно соблюдать точно! И точно также обязателен металлический экран (metal shield), отделяющий выходные цепи от прочей схемы.
С чего начать?
Мы надеемся, что и опытные мастера найдут в этой статье некоторое количество полезных им сведений. А новичкам, еще не чувствующим эфир, начинать лучше всего с пивной антенны. Автор статьи, отнюдь и отнюдь не дилетант в данной области, в свое время был немало удивлен: простейшая «пивнушка» с ферритовым согласованием, как оказалось, и МВ берет не хуже испытанной «рогатки». А что стоит сделать ту и другую – см. текст.
lenpas.ru
Телевизионная антенна ДМВ диапазона | Все своими руками
Опубликовал admin | Дата 28 мая, 2012Самодельная зигзагообразная антенна ДМВ
Зигзагообразная антенна широкополосна и удобна тем, что ее конструкция сравнительно проста. Это ее свойство позволяет допускать значительные отклонения в ту или иную сторону от расчетных размеров ее элементов практически без нарушения электрических параметров.
Ее входное сопротивление в диапазоне частот в значительной степени зависит от поперечных размеров проводников, из которых выполнено полотно. Чем толще (шире) проводники, тем лучше согласование антенны с фидером. Вообще же для полотна з-антенны пригодны проводники самого различного профиля — трубки, пластины, уголки и т. п. Для увеличения направленности антенны, состоящей из зигзагообразного полотна, применяют плоский экран-рефлектор, который часть высокочастотной энергии, падающей на экран, отражает в сторону полотна антенны. Как правило, размеры экрана значительные и фаза отраженного поля зависит, главным образом, от расстояния S в данном случае S=128мм. На практике редко выполняют рефлектор в виде единого металлического листа. Чаще он представляет собой ряд проводников, расположенных в одной плоскости. По конструктивным соображениям экран не следует делать очень плотным. Достаточно, чтобы расстояния между проводниками диаметром (шириной) 3...5 мм не превышали 0,05...0,1 минимальной волны рабочего диапазона. Проводники, образующие экран, можно соединить между собой в любом месте и даже приваривать или припаивать к металлической раме. Во избежание дополнительных помех не следует допускать, чтобы проводники (полотна антенны или рефлектора) от ветра терлись либо касались друг друга.

Один из возможных вариантов антенны с рефлектором показан на фото 1. Ее активное полотно состоит из плоских проводников — планок, а рефлектор — из трубок или металлических полос. Но она может быть полностью металлической. В местах соединений элементов антенны должен быть надежный электрический контакт. Для крепления полотна антенны к плоскому рефлектору используют стойки. В точках П—П (рис. 1 и 2) стойки могут быть как металлическими, так и диэлектрическими, а в точках У—У — обязательно диэлектрическими. В ряде практических случаев приема сигналов по 21—39 каналам телевидения имеющегося коэффициента усиления (КУ) з-антенны с плоским экраном может оказаться недостаточным. Увеличить КУ можно построением антенной решетки, например, из двух или четырех з-антенн с плоским экраном.
Обсудить эту статью на - форуме "Радиоэлектроника, вопросы и ответы".
Просмотров:52 673
www.kondratev-v.ru
Простая дмв антенна своими руками
Дециметровый диапазон – это частоты, которые улавливают сигналы, а после воспроизводят на экране простое и цифровое телевиденье. Прием сигнала осуществляется посредством антенны, поэтому прежде, чем потратиться на ее покупку, стоит попробовать изготовить ее своими руками.
Простая конструкция
Необходимо изготовить раму в форме квадрата. Для этого используется кабель в 50 Ом. Сторона квадратной рамы должна равняться ¼ длины волны. Крепить раму нужно на диэлектрический элемент таким образом, чтобы был вид ромба, то есть один угол должен быть в нижней точке.
Обязательно нужно проделать такие манипуляции: зачистить верхний угол кабеля приблизительно на 1 см, а нижний – на 3 см, чтобы был небольшой запас. Экраны спаиваются, благодаря чему они образуют электрический контакт. При этом в воздухе остается висеть внутренняя жила.
Для крепления антенны к основанию нужно использовать луженую проволоку. Подойдет только та, диаметр которой 1 мм. За счет этого происходит дополнительное усиление контакта между экранами, расположенными в нижнем углу.
Сдеданная конструкция хоть и является квадратом, но имеет немного сглаженные углы. Для образования прочной конструкции нужно вести крепление исключительно проволочными скобами. Стороны квадрата могут иметь разные параметры. Выбор определенного зависит исключительно от собственных потребностей изготовителя простой ДМВ антенны своими руками. Длина стороны позволяет варьировать резонанс, за счет которого выводится вещание на экран телевизора.
Крепление для экрана-рефлектора – это стойки. При этом стороны рефлектора должны соответствовать таким параметрам: ширина – 33 см, высота – 20 см. Для соблюдения симметрии, необходимо, чтобы центр антенны совпадал с центромэкрана-рефлектора. Если пренебречь данным правилом, то на экране будут отображаться помехи, что снизит качество изображения. Если все же сигнал слабоват, то нужно использовать усилитель ДМВ антенны.
По итогу получается совсем не маленькая конструкция. Поскольку современные устройства работают на волновном сопротивлении в 50 Ом, поэтому нужно использователь кабель именно с таким показателем сопротивления. Дополнительный усилитель для ДМВ антенны сделает качество изображения максимально высоким.
Наиболее простой вариант антенны
Для создания самого простого варианта ДМВ антенны нужно использовать коаксильный кабель, который есть в четвертьволновом вибраторе. Чтобы добиться желаемого результата, нужно найти частоту приема, а также учесть тот факт, что показатель сопротивления у выбираемого вибратора должно быть приблизительно 40 Ом. Данный прибор необходимо расположить таким образом, чтобы он находился в горизонтальном положении. Это обеспечит более качественный прием. Столько простая конструкция под силу даже мастерам без опыта. При этом затратная часть на изготовление данной антенны минимальная.
От изготовленной конструкции не следует ожидать глобального результата. При этом она не является наружной, поэтому выставлять ее на крышу дома не нужно. Однако именно антенна из коаксильного кабеля станет прекрасным дополнением имеющемуся ресиверу.
Прочие простые антенны
Для изготовления простых ДМВ антенн также могут использоваться и другие материалы. Главное, чтобы они были металлическими. Рассмотренные варианты находят наиболее частое применение. Есть также логопериодическая ДМВ антенна. Это довольно широкополостное устройство, способное улавливать практически весь диапазон.
Несмотря на разновидность ДМВ антенн, лучше всего изготавливать устройства узкоспециализированные, благодаря которым достигается наиболее качественное изображение, выводимое на экран телевизора.
www.vsedelkin.ru
Антенна Харченко своими руками: этапы проектирования
Обозрим истоки: биквадрат считают подвидом рамочных антенн, которые первым делом относятся к роду зигзагообразных. Первым антенну Харченко предложил Харченко К.П. В 1961 году для ловли телепередач. Доподлинно известно: на частоте 14 МГц, поставив биквадрат лугом, ярый энтузиаст сумел достать Америку. Неплохой результат. Полагаем, дело затрагивает рефракцию, плюс дифракция обыгрывает Землю. КВ диапазон, и ниже, используются благодаря способности волн преломляться, огибать препятствия, удается наладить общение на большом расстоянии. Давайте по порядку. Подробно посмотрим, как сделана антенна Харченко своими руками.
Антенна Харченко, «восьмерка», на которую сегодня ловят WiFi, сотовый 3G. При наружном монтаже защищайте изделие пластиковым корпусом.
Связь и антенны Харченко
Позже станет очевидным: устройство оригинальной антенны Харченко, мягко говоря, отличается от обозреваемого сегодня в сети. Не то чтобы любили, как говаривал Маяковский, копаться в доисторическом г…., но основы теории необходимо изучить, дабы избежать ошибок, знать особенности работы конструкции. Собираемся рассказать, как самостоятельно сделать антенну Харченко. Автор монографии избегает дачи указаний по выбору толщины проводов, говорит: снижение диаметра негативно влияет на диапазон. Самодельная антенна Харченко способна покрыть цифровое телевидение спектра 470 — 900 МГц. Характеристики устройства восхитительные, согласование не отличается великой сложностью. Расскажем, как сделать антенну Харченко, избегая углубляться в теорию. Рудокопам рекомендуем поштудировать оригинальное тематическое издание автора.
Длина провода биквадрата частоты 14 МГц составляет примерно 21 метр. Столько кабеля-полевки понадобится, чтобы сделать нехитрое приспособление. Запитывается устройство телевизионным коаксиальным проводом (волновым сопротивлением 75 Ом). Очевидцы уверены: настройка антенне Харченко не требуется. Последнее склонны авторы считать небольшим (гигантского размера) преувеличением. Вдумайтесь! Можете бороздить природный ландшафт, устлав спину двумя мотками провода:
- моток полевки;
- моток коаксиального телевизионного кабеля.
Потом разверните антенну, дальность действия которой просто восхитительна. Поляризация зависит от того, каким боком повернуть восьмерку. Расположим нехотя, как пишется значок циферки в учебниках арифметики – станем принимать телевидение, завалим набок, образуя бесконечность – ловиться начнет радиовещание. Поскольку полевка хорошо гнется, разгибается обратно: не нравится один канал, можем быстро сориентировать антенну на другой. Проблема опостылевшая: лишний провод, который излишен полезным нуждам, придется либо обрезать, либо смотать бухтой, разместить так, чтобы не создавалось помех приему. А сие не такая тривиальная задача, как кажется первому встречному:
- положишь горизонтально – станет ловить телевидение;
- протянешь до земли – станет принимать вертикальную поляризацию промежуточный провод;
- повесишь на сук – ловиться будет вертикальная поляризация.
Каким боком ни поверни лишний кабель, как ни уложи, гарантирована помеха. Проверьте азимуты, постарайтесь найти, угол прихода вещания. Если направление единственное, обматываем проводом длинную палку, размещаем перпендикулярно линии взгляда на станцию, минимизируя до нуля паразитный эффект.

Проектирование антенны Харченко
Привыкли небось видеть на рисунках одно и то же. Вот как предлагается проектировать антенну Харченко (портал ВашТехник идет в ногу):
- Необходимо выяснить частоту волны, поляризацию. Антенна Харченко дружна линейной.
- Медная антенна образована двумя квадратами. Оба стоят на углах, одним соприкасаются. Для горизонтальной поляризации восьмерка стоит стоймя; вертикальной – ложится набок.
- Сторона квадрата находится формулой: длина волны, деленная на четыре.
- Можно представить конструкцию, если вообразить овал, стянутый по центру поперек большей стороны. Бока не соприкасаются, хотя находятся близко друг от друга.
- Кабель питания подводится к точкам сближения сторон. Нужно одно направление диаграммы блокировать — ставится плоский медный экран на удалении 0,175 длины рабочей волны, сажается на оплетку кабеля питания. Рефлектор изготавливают из металлической пластины. В былые времена использовали текстолитовые платы, покрытые медью.
Законченная краткая конструкция антенны Харченко. Детали обрастают проблемами: задачка укрепить излучатель. Для диапазона связи — растяжки проволочные; телевидения — часто используется древесный каркас, унизанный поперечинами (напоминающими крест), в диапазоне СВЧ владельцы модемов подпирают излучатель парой пластиковых стоек, пронизывающих экран. Что думает касательно концепций конструирования Харченко. Покорные рабы портала ВашТехник потрудились достать книжку авторства инженера, текст обрисовывает изобретение, гора интересного написана:

- Во-первых, при стороне квадрата четверть длины волны видим нижнюю частоту диапазона. Автор не осмыслил верхнюю, однако можем вычислить косвенно, пользуясь умело соображениями (ниже по тексту рисунок, описывающий конструкцию). Показано: рама состоит из трех проводников (больше одного). Индивидуальных размеров отрезы, высота среднего квадрата равняется 0,28 длины волны нижней частоты. Ничего сложного не видим умножить справочное значение на cos 45, узнать: размер стороны составляет 0,198 длины волны. По словам Харченко, на озвученной частоте сторона рамки составляет четверть длины волны. Делаем вывод: речь затрагивает больший квадрат, сторона меньшего ориентировочно — 0,14 длины волны. Продолжая аналогию, делим великое на малое, получаем: коэффициент диапазона равен 1,8. Харченко К.П. вскользь упоминает: диаграмма направленности сохраняется при отношении максимальной и минимальной частоты 2 – 2,5. Книга приводит рисунок антенны ловли вещания двух диапазонов 50 – 100 и 174 – 230 МГц. Можно, идя проторенной дорожкой, представить возможности, даваемые изделием с точки зрения перекрытия каналов. Вот почему при изготовлении антенны Харченко для WiFi по схеме, указанной выше, браться за основу должна именно самая нижняя используемая частота. Иначе часть сигнала выйдет за рабочий предел антенны. Факт прямо замалчивается, вывод следует из авторского изложения материала Харченко. Хотя тут же инженер говорит, что геометрические погрешности не важны, диапазон рабочий антенны весьма широкий.
- Упомянули ране: рамок три, расстояние между крайними (по перпендикулярному сечению проводов) составляет 0,033 от максимальной длины волны (минимальная частота). Полагаем, читатели сами посчитают размеры (и, быть может, найдут, что ошиблись чуть выше), но не в этом дело. Эти три рамки собираются на мачте, имеют диаграмму направленности, обладающую также вертикальной составляющей. Увеличением частоты снижает паразитный эффект. Рекомендовали почитать оригинал: выходит, при изготовлении антенны Харченко на фиксированную частоту, волна должна находиться именно в верхней части диапазона. Факт нигде толком не описано, автор утверждает, что по всему спектру уровень паразитной вертикальной составляющей ниже полезной на 26 дБ.

- Добавим к этому, в верхней части диапазона образуется распределение токов, при котором антенна Харченко избежит согласования, тогда как на прочем отрезке потребуется трансформатор. Устройство можно сделать из отрезка 100-омного коаксиального кабеля длиною… и здесь автора понесло. В тексте указана цифра 0,052 максимальной длины волны, на рисунке — 0,139 той длины. Попробуйте так и сяк… Известно, что если для питания используется РК 1, трансформатор делают из РК 3. И наоборот, при питании РК 3 трансформатор делают из РК 1. На наш взгляд материал изложен неконструктивно… В первом случае изымаем изоляцию и оплетку РК 1 на отрезке длины трансформатора, заменяем озвученное хозяйство РК 3, из которого вытащена центральная жила. Во втором случае, наоборот — извлекаем жилу питающего кабеля РК 3 на длину трансформатора, заменяем жилой РК 1.
Геометрические размеры указали, перечислим вкупе:
- Высота квадрата, стоящего на угле, — 0,28 максимальной длины волны, по среднему контуру из трех.
- Расстояние между крайними рамками поперек направления проволоки – 0,033 максимальной длины волны.
- Длина согласующей линии с волновым сопротивлением 100 Ом – 0,052 или 0,139 максимальной длины волны.
Что еще хотелось бы заметить по оригинальной конструкции… Чтобы не нарушать поле антенны Харченко, питающий кабель приходит снизу, вьется вдоль одного бока рамки, заходит в центр. Не идет жила по мачте! Современные конструкции подразумевают наличие экрана. Поэтому провод приходит откуда-то сзади, пробивает медный экран, подсоединяется в нужном месте к восьмерке. Вовсе необязательно, кстати, чтобы антенна состояла из квадратов. Характеристики устройства не сильно зависят от угла при вершине. Высота восьмерки (стоящей стоймя) выдерживаться должна. Поэтому, если угол меняется с 90 на 120 градусов, удлиняются стороны. Пропорционально. Можно посчитать конкретные значения.
Теперь читатели знают, как изготовлена антенна Харченко своими руками. И вот еще что. Доводилось видеть, бороздя сеть, конструкции, где излучатель изгибался вокруг экрана. Таким образом якобы расширяется основной лепесток диаграммы направленности. На практике в таком случае проще использовать патч. Вот площадки как раз можно направить в разные стороны.
vashtehnik.ru
ДМВ Антенна для телевизора (Шпиндлера)
Для приема ДМВ многие радиолюбители используют антенну Шпиндлера, технические данные которой указаны ниже. Однако ее коэффициент усиления при том же числе элементов можно существенно повысить, выполнив по уточненным размерам. Такой вывод вытекает при анализе ее конструкции.Прежде всего, оказалось, что антенна представляет собой пересчитанный на 36-Й телеканал
Антенна собрана так, для подключения которой необходим коаксиальный кабель с волновым сопротивлением 60 Ом. Однако такой кабель нашей промышленностью не производится, а применение 75-омного кабеля приводит к снижению коэффициента бегущей волны и, следовательно, к уменьшению уровня сигнала на входе телевизора.

Предлагаемая антенна Шпиндлера для приема ДМВ, размеры которой указаны на рис. 1 и 2, скорректирована с целью повышения ее входного сопротивления до 280 Ом. Она рассчитана для работы в интервале частот 518...542 МГц (27—29-й каналы), ее коэффив месте приема нет сильных отраженных сигналов и помех со стороны, противоположной направлению на телецентр, то рефлектор можно выполнить одноэлементным (оставить средний элемент). Коэффициент усиления при этом уменьшится незначительно.
С целью приема в любом другом канале ДМВ все размеры предложенной антенны и длину полуволнового U-колена (рис. 2) умножают на коэффициент пересчета Kn = 530/fCD, где 1^- — средняя частота канала ДМВ в мегагерцах. При использовании металлической траверсы полученные при пересчете размеры элементов увеличивают на половину ее диаметра.
При изготовлении синфазных антенных систем по рекомендациям, необходимо учесть, что размеры четвертьволновых трансформаторов сопротивлений указаны без учета коэффициента укорочения.
У 24-элементной антенны коэффициент усиления достигает примерно 17 дБ в интервале частот 582...606 МГц (35—37-й телевизионные каналы). При удалении от этого интервала коэффициент усиления антенны значительно уменьшается. Так. например, на 28-м канале он равен только 12,5 дБ, т. е. в 2,8 раза меньше. Следует также отметить, что при пересчете был взят вариант антенны Шпиндлера с входным сопротивлением 240 ом коэффициент бегущей волны — не менее 0,7. Коэффициент усиления антенны из 10 элементов равен 11,5 дБ. из 16 элементов — 15 дБ. из 20, 24 и 30 - 16.5, 17 и 18,5 дБ соответственно.
Элементы антенны изготовлены из алюминиевой или медной трубки (прутка) диаметром 5...8 мм. Однако их можно выполнить и из медной или алюминиевой полосы шириной 10... 16 мм. Длина всех элементов указана для установки их на траверсе из изоляционного материала (например, дерева). При изготовлении траверсы и стойки рефлектора из металла длину элементов, установленных на них, увеличивают на половину диаметра траверсы или стойки. Поверхность элементов должна быть гладкой, лучше полированной.
Трехэлементный рефлектор служит, в основном, для уменьшения заднего лепестка диаграммы направленности. Если равного 0,66 для коаксиальных кабелей со сплошной полиэтиленовой изоляцией. Длина трансформаторов сопротивлений равна половине длины полуволнового U-колена для соответствующего канала.
Антенна мало подвержена влиянию близко расположенных предметов и имеет хорошую повторяемость. Вполне допустимы отклонения до 2 мм от расчетных размеров практически без ухудшения параметров антенны.
Читаем в тему Ромбиковая дециметровая антенна
richadm.ru
Антенна для дмв своими руками
Под аббревиатурой дмв понимают дециметровые волны, которые находятся в промежутки от 10 сантиметров до одного метра. В этом диапазоне вещают некоторые телеканалы, и именно их улавливает стандартная телевизионная антенна, которая украшает крышу каждого дома.
В тех случаях, когда антенна сломана, или уровень сигнала не устраивает пользователя, можно прибегнуть к помощи антенны для дмв своими руками собранной из материалов, имеющихся под рукой в половине домов страны. Такая антенна может быть как внешней, так и внутренней, а также различаться особенностями сборки и характеристиками. Например, на фото ниже показа антенна, за основу которой взят обыкновенный дуршлаг.

Лучший прием сигнала, конечно, осуществляет внешняя антенна, которую можно поднять на крышу, но и устройство для комнатного использования иногда оказывается сравнимым со стандартной уличной антенной. Все зависит еще и от места жительства пользователя – дмв распространяются на сравнительно небольшие расстояния, с каждым километром теряя в силе сигнала, поэтому антенна для дмв своими руками поможет только в случае, если есть хотя бы теоретическая возможность того, что сигнал от вышки доходит до пользователя.
Зигзагообразная антенна дмв своими руками
Положительным качеством зигзагообразной антенны является широкое поле для экспериментов с материалом и их размерами. Конструкция допускает внесение в нее собственных изменений в широких пределах, и при этом продолжает работать, позволяя вносить какие-то усовершенствования. Ниже рассмотрен стандартный вариант зигзагообразной антенны дмв своими руками, без использования нестандартных элементов.
Сборка антенны проста, и не требует особенных навыков. На фото показана антенна в собранном виде – глядя на нее, становится очевидно, что такая конструкция может усовершенствоваться созданием дополнительных экранов, или изменением ширины и количества планок.

Рефлектор антенны может быть собран как из полосок металла, как на фотографии, так и из металлических трубок. В отличие от него, планки решетки представляют собой плоские проводники. Все размеры также указаны на чертежах, поэтому нужно лишь объяснить несколько моментов по поводу крепления конструкции.
— Стойки У-У (схема) обязательно должны быть из диэлектрика. В это же время, П-П могут собираться из любого материала;
— Рефлектор не «лежит» на полотне, а отстоит от него на небольшом расстоянии благодаря стойкам;
— Расстояние между соседними проводниками решетки не должно быть менее 0,1 децимитровой волны (т.е. не меньше 1 сантиметра).
Самая простая комнатная дмв антенна своими руками
В чем заключается удобство комнатной антенны, так это в возможности практически мгновенной ее подстройки – достаточно переставить ее с места на место, или повернуть вокруг своей оси, и пронаблюдать за изменением качества сигнала. К тому же здесь на нее не действует ветер, осадки и прочие уличные условия. Комнатная дмв антенна своими руками может быть изготовлена несколькими способами. Начнем с самого простого из них.
Самая простая дмв антенна своими руками изготавливается с использованием коаксиального кабеля и сподручных материалов, которые нужны для того, чтобы придать ему нужную форму. Из отреза длиной в 530 мм скручивается кольцо разомкнутое, к которому подсоединяется кабель, идущий непосредственно к телевизору.

, где
1. Кольцо-коаксильный кабель РК752. Петля-коаксильный кабель РК753. К антенне.
Второй отрез, длиной в 175 мм, загибается в виде петли, подключенной к обоим концам первого кабеля, между которыми остается расстояние в 20-30 миллиметров. С помощью фанерной доски с прорезанным в ней центральным отверстием, устанавливаем получившуюся конструкцию на любую ровную поверхность. Таким образом, у нас получается антенна дмв из коаксиального кабеля, которую нельзя назвать самой мощной, но ее легко смастерить, и разобрать для переделки.
Схема более сложного варианта. Антенна «Народная» с использованием платы

Как видите, сделать антенну своими руками довольно таки не сложно, как это казалось по началу. Удачных изобретений!
www.vsedelkin.ru











