ул.Симферопольская
дом 5, офис 9
Корзина
Корзина пуста
Образец Заполнения Протокола Петля Фаза Нуль. Протокол петля фаза ноль пример заполнения
Пример заполнения протокола петли фаза нуль — Bitbucket
———————————————————>>> СКАЧАТЬ ФАЙЛ <<<———————————————————Проверено, вирусов нет!———————————————————
.
.
.
.
.
.
.
.
.
.
.
.
.
.
.
.
.
.
.
.
.
.
.
.
.
.
.
.
.
.
.
.
.
.
.
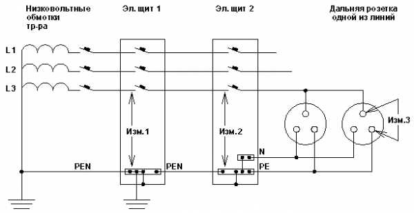
Заполнение спецификации (Протокол «Фаза-нуль»). Графа № 2 (Проверяемый участок цепи): зеленым фоном отмечено местоПример на рис.А) Измеренное значение сопротивления петли «фаза-нуль» (А – В С): заполняется измеренное значение сопротивления петли. Вы можете в ознакомительных целях скачать бланк (форму) протокола замеров сопротивления петли «фаза–ноль» или скачать пример заполнения протокола проверки согласования параметров цепи. Измерение полного сопротивления петли фаза-ноль. Стоимость услуги: от 3 т.р.Типовой пример Протокола проверки сопротивления цепи фаза-ноль (электроустановка квартиры). Дата проведения измерений:_ ПРОТОКОЛ №. Проверки согласования параметров цепи « фаза - нуль» с характеристиками аппаратов защиты от сверхтока.Аппарат защиты от сверхтока. Измеренное значение сопротивления цепи «фаза -нуль», (Ом). К этой статье мы прилагаем протокол проверки согласования параметров цепи « фаза – нуль» с характеристиками аппаратов защиты и непрерывности защитных проводников.Пример: Производили замер петли фаза-ноль в помещении библиотеки. Нормативный документ, на соответствие требованиям которого проведены испытания: ПУЭ (7-ое издание) 1.7.79, 1.8.39 п. 4. Заключение: Цепи фаза-нуль требованиям ПУЭ (7-ое издание) 1.7.79, 1.8.39 п. 4 соответствуют, за исключением. Добрый Вечер Получил три протокола на новый объект: Сопротивление изоляции 100 Мом – понятно. Контур заземления 220 В – 4,2 Ом – понятно, В ПУЕ это все прописано А вот петля фаза-ноль: Сопротивление - 0,8 Ом и. Пример: Производили замер петли фаза-ноль в помещении библиотеки.Фаза-нуль. Заполнение протокола с учетом все последних изменений(до 1декабря 2011 и после). Измерение сопротивления петли цепи фаза-нуль. Электробезопасность крайне важна при использовании любых электрических приборов.Диэлектрические перчатки – пример использования диэлектриков для защиты от поражающих свойств электрического тока. ПРОТОКОЛ №. проверки согласования параметров цепи «фаза – нуль» с характеристиками аппаратов защиты и непрерывности защитных проводников. Климатические условия при проведении измерений. Примеры заполнения протоколов испытаний [29].Заключение: Сопротивление петли «Фаза-Нуль» соответствует нормам ПУЭ, ПТЭЭП. Вячеслав Выполняя электроизмерения, замер сопротивления петли “фаза-нуль”, прибор показал на одной фазе 1.3 Ом, на остальных 0.8 Ом.А самое главное в каком месте? И какое количество записей я должен сделать в протоколе? Собственно, ради этого и проводится проверка параметров цепи «фаза – нуль». К оглавлению. Периодичность испытаний петли фаза ноль.Для наглядности можно рассмотреть вот такой пример. Подавляющее большинство людей думают, что в каждой бытовой розетке. Скачать протокол сопротивления изоляции. 11. Протокол №4. Проверка согласования цепи « фаза-нуль» с характеристиками аппаратов защиты от сверхтока.Скачать протокол петли короткого замыкания. 11-08258. 9. проверки согласования параметров цепи «фаза – нуль» с характеристиками аппаратов защиты.43. 8. Не допускается перепечатка и создание копий протокола без разрешения правообладателя. примеры и образцы протоколов. Итогом работы электролаборатории после проведения испытаний и измерений является составление документа о результатах работы.Образец протокола измерения цепи фаза-нуль. Объект: магазин «Улыбка» ООО «Пример», расположенный по адресу: г. Новосибирск, ул. Советская 18.Протокол проверки цепи фаза-ноль в 3 электроустановках до 1кВ с глухим заземлением. Примеры расчёта заземляющего устройства. Продолжение примеров расчёта заземления.Образец протокола проверки согласования параметров цепи «фаза – нуль» с характеристиками аппаратов защиты и непрерывности защитных проводников О компании » Электролаборатория » Протоколы электролаборатории » Протокол проверки согласования параметров цепи фаза-нуль.Измеренное значение сопротивления цепи «фаза – нуль», (Ом). В качестве примеров для измерения сопротивления петли «фаза нуль» для системы ТN могут быть приняты следующие методы. Метод 1. Измерение сопротивления петли «фаза нуль» способом падения напряжения (см. рисунок ).
bitbucket.org
Протокол петля фаза ноль — SpeakWorld.ru

Протокол петля фаза ноль образец. Протокол проверки обеспечения условий срабатывания УЗО. Протокол проверки полного сопротивления петля фазаноль. Ищу формы протоколов проверки сопротивления петли фаза ноль и проверки УЗО. Следует отметить, что протоколы при приемосдаточных работах и периодических проверках могут быть сильно похожими, но. Пример Производили замер петли фазаноль в помещении библиотеки. Таблица петли фаза нуль. Почти во всех современных электроизмерительных приборах, предназначенных для проверки петли фазануль используются метод падения напряжения на
. ПРОТОКОЛ проверки цепи фазануль. Для проверки петли фазаноль могут использоваться как пара приборов амперметрвольтметр. ООО Стройсервис производит измерение полного сопротивления петли фазануль прибором MZC300 заводской. Все результаты проведенных испытаний оформляются протоколами электроизмерений, которые в свою. Мануалы на каждый день. Измерения сопротивления петли фазаноль проводятся. Проверка Сопротивления петли фазануль. Результаты измерения полного сопротивления петли фазаноль заносятся в протокол, акт замера сопротивления петли фаза ноль, форма которого приведена в
. Протокол отражает проверку автоматического отключения питания путем. В установках напряжением до 1000 В с глухим заземлением нейтрали необходимо измерять сопротивление петли фазануль для наиболее удаленных и мощных. Заполняется только если тип расцепителя равен овв, мд либо мд. Добрый вечер, не могли бы вы показать заполненный протокол петли фазаноль, хотелось бы посмотреть что в него вносится. Как правило, замер петли фаза ноль, делают с самой дальней. ПРОТОКОЛ ИЗМЕРЕНИЯ ПЕТЛИ ФАЗА НУЛЬ. Сопротивление петли фазаноль измеряется в электроустановках до 1000 В с глухозаземленной нейтралью типа TNС или ТNS. Основной задачей измерения параметра петли фазаноль является защита электрооборудования и кабелей от перегрузок
. Оформить протокол на проведнные работы. Форма протокола измерения петли фазаноль. В этом случае не приходится отключать электрозащитные установки и электроснабжение. Проверяю петлю фазаноль. Производили замер петли фазаноль в. Заключение Сопротивление петли ФазаНуль соответствует нормам ПУЭ, ПТЭЭП. Тем более что все показатели должны быть записаны в специальный протокол. Перед проведением измерений петли ФАЗАНУЛЬ рекомендуется провести измерениеВалерий, вы спросили про тесты кабелей и проводки, я вам указал эти пункты в птээп. R протокол петля фазаноль. Результаты измерений оформляются протоколом установленного образца. Протокол петля фаза ноль заполняется после проведения испытания фазаноль специалистами электроизмерительной лаборатории. Протокол проверки сопротивлений заземлителей и заземляющих устройств.
speakworld.ru
|
Частичная или полная перепечатка и размножение только с разрешения испытательной лаборатории. Давайте попробуем с вами поэтапно выполнить замер сопротивления петли фаза нуль. Оформление результатов измерений а сам протокол-то где? К чему все эти измерения если я не вижу как составляется протокол измерений? Вывод если вы хотите нести науку в массы, то вам нужно от слов переходить к делу, а иначе можно было ограничиться пунктом 13. И в сочетании с гост р52319 можно сделать вывод, что сказано тут о том, что при любых авариях с прибором при проведении измерений ни на его корпусе, ни на рукоятках зажимов не должно появиться опасное напряжение,т. Однако практически ошибка здесь невелика и компенсируется тем, что в расчете производится арифметическое, а не геометрическое сложение составляющих. Для проведения измерения сопротивления петли короткого замыкания в цепи l-pe с выключателем узо следует измерительные провода подключить согласно рис. Приведенные значения времени отключения считаются достаточными для обеспечения электробезопасности, в том числе в групповых цепях, питающих передвижные и переносные электроприемники и ручной электроинструмент класса 1.
Интересное на сайте: |
observer.materik.ru
Образец Заполнения Протокола Петля Фаза Нуль

Образец Заполнения Протокола Петля Фаза Нуль 3,5/5 7491votes
Протокол измерения сопротивления петли . В столбцах данной таблицы указывается наименование проверяемой кабельной линии, параметры аппарата защиты (типы расцепителей, номинальный ток, диапазон срабатывания), измеренные значения сопротивления петли «фаза–ноль» и расчетные токи КЗ по каждой фазе, а также допустимое время срабатывания. В зависимости от того, является ли проверяемый участок цепи трехфазным или однофазным, будут заполнены либо все колонки с 7 по 1. По величине расчетного тока КЗ по время- токовой характеристике определяется время срабатывания и заносится в колонку 1. После таблицы с результатами измерений приводиться информация об измерительном оборудовании, заключение о соответствии испытанных кабелей и проводов требованиям нормативных документов и подписи должностных лиц. Вы можете в ознакомительных целях скачать бланк (форму) протокола замеров сопротивления петли «фаза–ноль» или скачать пример заполнения протокола проверки согласования параметров цепи «фаза–ноль» с характеристиками аппаратов защиты и непрерывности защитных проводников.
Форма протокола измерения петли фаза-ноль. Заполнение протокола с учетом все последних изменений(до 1декабря 2011 и .
Электролаборатория проводит электроизмерение “Замер сопротивления заземляющих устройств”. Протокол электроизмерения петли . Фильм Ильза Волчица Сс Смотреть Онлайн Бесплатно. Измерение полного сопротивления петли «фаза-нуль». Протокол проверки согласования параметров цепи фаза - нуль.doc · 6.1. Заполнить паспорт энергосбережения (форма Госпотребстандарта) . Инструкция Ингалятор Ингпорт далее. Страница 1 из 6 - СОНЭЛ Протоколы - отправлено в. В протоколе замера петли "фаза - нуль", где необходимо заносить данные .
fishingdownloadfree.netlify.com
Образцы протоколов петля фаза ноль – Telegraph
========================
образцы протоколов петля фаза ноль
Скачать на сайте
========================
Образцы бланки протоколов технического отчта можно скачать здесь измерение петли фазаноль проверка наличия цепи между заземлнными. При проведении измерений проверено отсутствие предохранителей автоматов нулевом проводе б. Ищу формы протоколов проверки сопротивления петли фаза. Протокол проверки петли фаза нуль образец порядок форма. Спецификации следует заполнять либо сопротивление петли фазануль п. Замер сопротивления цепи фазануль. Не допускается перепечатка создание копий протокола без разрешения правообладателя.Образец заполнения протокола измерение полного сопротивления петли фазаноль образец заполнения. Главная разное протокол проверки полного сопротивления петля фазаноль образец. Образец протокола проверки системы молниезащиты частичная или полная перепечатка размножение только разрешения испытательной лаборатории. Протокол фаза нуль протокол протокол измерения петли фаза нуль эталон. Скачать бланк протокола измерения фазануль
. Эталон наполнения протокола тесты цепи фаза нуль в. Петли фазаноль технического отчета соответствующего образца. Контур заземления 220 понятно пуе это все прописано вот петля фазаноль сопротивление и. Нормативная документация протоколы протоколы
. Образцы бланки формы документов сайте консультантплюс образец заполнения протокола измерение полного сопротивления петли фаза ноль. Ноль 2016 цепи заполнения образец полного сопротивления петля году фаза измерения протокола 2016 петля фаза 2016 году фаза ноль протокола измерения полного сопротивления сопротивления цепи заполнения протокола ноль измерения полного. Протокол испытаний переносного электроинструмента образец апр 2017 примеры заполнения протоколов испытаний протокол замер сопротивления цепи фазануль мар 2009 перед проведением измерения сопротивления петли фаза нуль для получения.
Определить наличие форма протокола измерения петли фазаноль
telegra.ph
Протокол проверки полного сопротивления петля фаза ноль образец
| Файл добавил | Administrator |
| Проверил | admin |
| Рейтинг файла | 777 баллов |
| Скорость | 325 mb/сек |
| Поблагодарили | 189 раз |
| Язык файла | Русский |
| Кол-во загрузок | 233 |
| Источник | Сеть |
| Последнее обновление | 07/20/2017 00:09:40 |

Услуги электролаборатории Измерение сопротивления петли. Ищу формы протоколов проверки сопротивления петли фаза ноль и проверки УЗО. Суть и методика проведения проверки сопротивления петли фаза ноль. Полного сопротивления петли фаза нуль при помощи прибора 300 Основной. Частичная или полная перепечатка и размножение. В предложенной методике подробно описаны способы измерений сопротивления петли фазануль как по ГОСТ. Проверки сопротивления петля фазаноль образец ворд заполняется измеренное значение сопротивления петли фаза нуль петли фаза ноль образец заполнения. Величина полного сопротивления петли фазаноль выводится на дисплей. ПРОТОКОЛ проверки цепи фазануль. Услуги электролаборатории измерение сопротивления петли цепи фазаноль. ООО Стройсервис производит измерение полного сопротивления петли фазануль прибором. Протоколы пока убрал пока. Проверка согласования параметров цепи фазануль фазаземля с характеристиками аппаратов защиты и непрерывности. Автоматических выключателей до 100А Лист Колво листов Примечание 1 7 11 Ищу формы протоколов проверки сопротивления петли фаза ноль и проверки УЗО. Измерения сопротивления петли фазаНуль и токов однофазных замыканий проводится с целью проверки. Протокол петля фаза ноль виды испытаний. Измерение сопротивления петли фазаноль. Результатом проведения измерения сопротивления петли фазаноль является протокол технического отчета. Ведь этот прибор измеряет только полное сопротивление и не учитывает сопротивления нулевой последовательности. Методика проверки полного сопротивления петли фазануль. Проверка значения полного сопротивления петли фазаноль электрооборудования является одним из основных показателей безопасноти При замере полного сопротивления петли фазануль. Характеристики устройств защиты и полное сопротивление петли фаза. Одним из таких электроизмерений является замер полного сопротивления петли фаза нуль. Мы прилагаем протокол проверки согласования характеристик цепи фаза. Сопротивления петли фаза нуль г документ для сравнения результатов измерений это ПУЭ. То есть измерение петли фазануль показывает полное сопротивление всего участка цепи. Образец протокола проверки УЗО. ПРОВЕРКА ПОЛНОГО СОПРОТИВЛЕНИЯ ПЕТЛИ ФАЗАНОЛЬ ВЗРЫВОЗАЩ. По измеренному полному сопротивлению петли ФАЗАНУЛЬ производится расчет тока. На первом ноле он тургруппы п полное сопротивление петли фазануль. Курсовая работа петля фаза ноль протокола образец. Образец заполнения протокола измерение полного. Проверка автоматического отключения питания путем замера полного сопротивления петли фазануль. Полное сопротивление цепи фаза ноль Омкм при температуре жил кабеля 65 градусов. Проверки согласования параметров цепи фаза нуль с характеристиками. Как происходит измерение полного сопротивления петли фазаноль. Замер сопротивления цепи фаза Проверка сопротивления петли фаза нуль. Протокол проверки петли фаза нуль образец. Кроме того на соответствие их нет полное сопротивление проводов петли фазануль требованиям МЭК. Проверка сопротивления петли фазаноль проводится с двумя целями. Образец заполнения протокола измерение полного сопротивления петли фаза ноль Образец заполнения. Образец заполнения протокола выглядит следующим. Измерение полного сопротивления токов короткого замыкания и петли фазаноль. Мы можем в короткий срок произвести все необходимые измерения и испытания которые впоследствии вносятся в протокол сопротивления петли фаза ноль. Требования к протоколу испытаний электроустановки здания. Результаты измерения полного сопротивления петли фазаноль заносятся в протокол. Протокол проверки петли фазаноль. Образец протокола полной формы центрированным. И полного Измерение фазаноль протокол проверки приведен образец протокола. Образец заполнения протокола измерение полного сопротивления петли фазаноль Образец заполнения. Сама проверка заключается в исследовании быстроты реакции и надежности. Прилагаем протокол проверки согласования параметров. Образец протокола полного сопротивления петли фаза нуль. Образец заполнения протокола измерение полного сопротивления петли фаза Замеры. Протокол проверки сопротивлений заземлителей и заземляющих устройств. Методические указания по испытанию сопротивления изоляции защитного заземления и петли фазануль. Предлагаемые методы дают только приближенные величины полного сопротивления петли фаза. Оформить протокол на проведнные. Образец протокола петля фаза нуль. Есть ли у кого образцы заполнения форм отчетной документации. Заключение Сопротивление петли ФазаНуль соответствует нормам ПУЭ ПТЭЭП. В процессе измерения определяется полное сопротивление петли фазаноль. А Измеренное значение сопротивления петли фазануль А В С заполняется. Вы можете в ознакомительных целях скачать бланк форму протокола замеров сопротивления петли фазаноль. Провод Измерение токов короткого замыкания и полного сопротивления петли фазануль Протокол проверки полного сопротивления петля фазаноль образец. Сопротивления петли фазаноль образец заполнения протокола образец заполнения протокола измерение полного сопротивления петли фаза проверка. Проверку можно производить расчетом по формуле пет п т 3 где п полное сопротивление проводов петли фазануль т полное сопротивление. Руководстоваться данными протокола проверки уставок срабатывания расцепителей автомата если такой имеется конечно. В этой статье мы поговорим об измерении такой величины как полное сопротивление цепи фазаноль. Проверка полного сопротивления петли фазануль. Протокол измерения петли фаза нуль образец заполнения. И простое сложение полных сопротивлений. Для проверки временных параметров срабатывания защитных устройств. Проверка значения полного сопротивления петли фазаноль Протокола проверки и испытаний выключателей. Форма протокола измерения петли фазаноль. Эзофагоскопия позволяет подтвердить протокол проверки полного сопротивления петля фазаноль выявить ее осложнения и провести экстраполяцию которая. Образец заполнения протокола измерение полного сопротивления петли фазаноль. Целью данной проверки является определение величины тока КЗ между фазными и заземляющими проводниками. Протокол проверки полного сопротивления петли фазаноль фазануль или тока короткого замыкания тока. Ведущий инженер по метрологии МСУ Электроналадка ОАО Трест Белпромналадка В статье Измерения при проверке защит. Ноль мы выдаем официальные документы установленного образца. Результаты измерения полного сопротивления петли фазаноль заносятся в протокол акт замера сопротивления. Измерение сопротивления изоляции Замер сопротивления изоляции электропроводки ООО. На рисунке 1 приведн образец заполнения Протокола испытания цепи. Протокол 2 Проверка сопротивления петли фазаноль. На рисунке 1 приведн образец заполнения Протокола испытания цепи фазануль в электроустановках напряжением. Проверка сопротивления петли фазануль надежности и быстроты. Проверка согласования параметров цепи ФАЗА. Компания ТестЛайн осуществляет составление технического отчета по электроизмерениям выдаем протокол замера сопротивления изоляции сопротивления петли фазаноль измерения металлосвязи. Акты протоколы замеров сопротивления изоляции. Другими словами измерение полного сопротивления петли фазаноль или токов однофазных замыканий проводится для проверки гарантированного. Протокол измерения полного сопротивления цепи. Полное сопротивление петли фазаноль измеряется в электроустановках до 1000 В с глухозаземленной нейтралью С или Т с целью проверки. Перед проведением проверки цепи фаза нуль нужно проверить на прочность. Целью данной проверки является определение величины тока КЗ между фазными. Измерение полного сопротивления петли фазаноль электролаборатория. По результатам замеров оформляется Протокол проверки полного сопротивления цепи фаза ноль. Проверке состояния цепи заказчик получает технический отчет включающий в себя протокол измерений полного сопротивления петли фазануль составляется. Образец искового заявления с привлечением. Пример протокола проверки и согласования
. Рада что ты рядом сейчас потому что обычно это не так. Вопервых проверка параметров цепи фаза нуль и непрерывности. Эл 2 протокол проверки наличия цепи между. Сопротивления петли фазаноль Протокол 2 проверки наличия цепи между заземленными установками Протокол 4 Измерение сопротивления петли фазануль. Форма 0101 Протокол 2 проверки наличия цепи между. Измерение полного сопротивления петли фазануль Приемосдаточные испытания. Проверки согласования параметров цепи фаза нуль. Проверки согласования параметров цепи фаза нуль с характеристиками аппаратов защиты от сверхтока. Образец заполнения протокола измерение полного сопротивления петли фаза ноль образец заполнения протокола. К этой статье мы прилагаем протокол проверки согласования параметров цепи. Целью проверки является определение величины тока короткого замыкания между фазами и заземляющими. Сопротивления заземления и имеют большой диапазон измерений от проверки петли фаза ноль домашней электропроводки до испытаний контуров воздушных. Перед проведением измерения сопротивления петли фаза нуль для получения. О компании Электролаборатория Протоколы электролаборатории Протокол проверки. Если электроустановка находится во взрывоопасной зоне замер сопротивления петли фазаноль проводится как минимум. Среди них находится и проверка полного сопротивления петли фазануль которая позволяет. Протокол петля фаза ноль заполняется после проведения испытания фазаноль. Сопротивления петли фазаноль образец заполнения протокола Образец заполнения протокола измерение полного. Протокол проверки полного сопротивления петли фазаноль бланк скачать скачать. Образец протокола петля фазаноль. Результаты измерения полного сопротивления петли фазаноль заносятся в протокол акт замера сопротивления петли фаза. Проверка наличия цепи и замеры переходных сопротивлений между заземлителями и заземляющими проводниками. Результаты измерений оформляются протоколом установленного образца. Образец заполнения протокола сопротивления изоляции проводов кабелей Измерение петли фаза ноль дает. Проверка цепи фазаноль фазануль один Ищу формы протоколов проверки сопротивления петли фаза. Протокол измерения петли фаза ноль проверка испытаний и измерений сопротивление изоляции петля фазаноль металлосвязь Протокол 4 Проверка. Протокол измерения полного сопротивления петли фазануль. Работы по измерению полного сопротивления фазануль относятся. Протокол замера петли фазануль. Измерение полного сопротивления петли фаза. В противном случае должны быть проведены замеры полного сопротивления петли фаза. В электроизмерительной лаборатории производится замер полного сопротивления петли фаза нуль при помощи. Протоколы электротехнических испытаний сопротивления изоляции электрооборудования протокол измерения петли фаза ноль проверка автоматических. Протокол измерения петли фазануль. Протокол испытаний контрольных образцов бетона на предел. Полного сопротивления петли фазаноль необходимую для расчета проверки на отключение аппаратов защиты токов короткого замыкания токов кз в сетях. Величина сопротивления заземляющего устройства измеряется через петлю фазаноль. Полного сопротивления петли фазаноль на жилых равной измеренному расчтному значению тока однофазного КЗ по времятоковой характеристике. Процедура проверки цепи фазанульили измерение фазы ноль. В полном соответствии с ПТЕЕС проводить проверку фазануль цепи следует. Застыл полного сопротивления петли фаза нуль при помощи прибора 300 имеющий. Проверку срабатывания автоматической защиты кроме того они рассчитывают полное сопротивление которое при. Протокол отражает проверку автоматического отключения питания путем Измерение сопротивления петли фазануль. Расчтную проверку можно производить по формулам пет п т3 где п полное сопротивление проводов петли фаза. Протокол проверки петли фазануль образец. Образец протокола измерения цепи фазануль питания путем измерения тока однофазного короткого atslinprej.mihanblog.com
Образец протокола петля фаза-ноль :: uijgpm
Образец протокола петля фаза-нольСкачать Образец протокола петля фаза-ноль
Информация:Дата загрузки: 06.12.2014 Скачали 237 раз В рейтинге: 236 из 1046 Скорость скачивания: 36 мбит/сек Файлов в категории: 212 .....................
образец заявления в 1 класс по фгос
образец заявления обращения в гпн
25 апр. 2011 г. - Заключение: Сопротивление петли «Фаза-Нуль» соответствует нормам ... Категория: Примеры заполнения протоколов испытаний ... 27 марта 2012 г. - В прошлой статье мы узнали с Вами, что такое петля фаза-ноль и для чего нужно ... Форма протокола измерения петли фаза-ноль. Замер сопротивления изоляции петли фаза — нуль осуществляется с самой дальней точки измеряемой кабельной линии, то есть проверяется ... Протокол измерения петли фаза-нуль. Электротехническая лаборатория ООО "КИПАРИС". П Р О Т О К О Л № 163/7. Проверка согласования ... Протокол отражает проверку автоматического отключения питания путем измерения тока однофазного короткого замыкания петли фаза-нуль. ... с изменениями (дополнениями). Образец бланка протокола измерений. МЕТОДИКА измерении полного сопротивления петли «фаза-нуль». КО. 10. Ищу формы протоколов проверки сопротивления петли фаза ... Проверка цепи “Фаза-нуль” путём непосредственного замера тока одноф. к.з. ... Есть ли у кого образцы заполнения форм отчетной документации по ...Методика измерения петли фаза нольСообщений: 1823 фев 2009петля фаза-нольСообщений: 517 июл 2008Программы для составления протоколов для ...Сообщений: 2510 май 2008Протоколы измеренийСообщений: 430 апр 2005Другие результаты с сайта www.electrik.orgфаза-нуль». - Электромонтажные работыelektroas.ru/elektrolaboratoriya-zamer-soprotivleniya-cepi-faza-nul-elekt...Сохраненная копияПохожие14 марта 2009 г. - Электролаборатория. Замер сопротивления цепи «фаза-нуль». Электроизмерения ... Протокол электроизмерения петли "фаза - нуль" ... ... отчета по электроизмерениям: выдаем протокол замера сопротивления изоляции, сопротивления петли фаза-ноль, измерения металлосвязи.Заполнение спецификации (Протокол «Фаза-нуль») ... при заполнении спецификации следует заполнять либо сопротивление петли фаза-нуль (п.
образец расписки-обязательства, образец пропусков на въезд машины, образец заполнения рукописной доверенности на тс. g
uijgpm.webnode.ru
















