ул.Симферопольская
дом 5, офис 9
Корзина
Корзина пуста
ЭЛЕКТРОСАМ.РУ. Схема утюга
- Ремонт импортных утюгов
Ремонт бытовой техники |
Ремонт импортных утюгов
Из чего же состоит такой необходимый в быту прибор как утюг? По принципу работы современный утюг остался таким же как и был во времена наших мам. Итак, утюг состоит из: массивной подошвы в которую вделан электрический нагревательный элемент (ТЭН), регулятора температуры биметаллического типа, термопредохранителя, ёмкости для воды применяемой в системе отпаривания, ручки, лампочек индикации режимов работы и кнопок (ручек) управления работой системы отпаривания. Далее мы рассмотрим поподробнее назначение составных частей утюгов и выясним на что следует обращать внимание при покупке нового прибора.
Подошва. Она является самым важным элементом утюга. Именно от нее в основном зависит ваш успех на «гладильном» поприще. Сначала вам надо решить, какое именно качество подошвы играет для вас главную роль - прочность или легкость скольжения. Если первое - то в основе подошвы должна лежать нержавеющая сталь, которая уже на протяжении нескольких десятилетий удерживает первенство, являясь до сих пор самым распространенным материалом для изготовления подошвы утюга, но вот легкостью скольжения она не отличается. Правда чтобы устранить этот недостаток приборы многих производителей (Braun, Siemens, Bosh, Tefal и др.) при парообразовании образуют специальную воздушную подушку между подошвой и тканью, облегчая скольжение утюга. Но все таки она не заменит подошвы, в составе которой уже есть материалы, обеспечивающие высокий коэффициент скольжения. Чаще всего это обычное эмалированное покрытие, которое хоть и обладает столь незаменимым свойством, но все же является материалом нежным и ранимым, и при неосторожном обращении на такой подошве могут появиться царапины и сколы. Тоже самое относится и к тефлоновым покрытиям.
Сегодня у каждой уважающей себя фирмы есть запатентованные подошвы, выполненные из специальных составов (соединения различных материалов). Увы, кроме таинственных красивых названий, мы мало можем получить конкретной информации и, соответственно, не можем слепо верить производителю, утверждающему о неповторимой прочности его подошвы.
На мой взгляд идеальный вариант - полированная (зеркальная) стальная подошва.
Регуляторы температуры применяются в основном биметаллического типа, это вполне надежный узел утюга не доставляющий много хлопот. Утюги с электронными регуляторами встречаются реже, да и цена их сильно отличается от обыкновенных биметаллических регуляторов.
Электрическая схема утюгов в принципе не претерпела никаких изменений. Единственное, что было добавлено это термопредохранитель, который отключает нагревательный элемент, если не срабатывает основной регулятор, а температура подошвы превышает температуру срабатывания термопредохранителя. Существует две схемы подключения ТЭНа к сети.
Термопредохранители бывают двух типов: одноразовые и многоразовые.
Многоразовые термопредохранители сделаны по принципу биметалла (как и основной регулятор утюга). При превышении установленной температуры контакт разрывается и цепь питания нагревательного элемента прерывается. После остывания утюга биметаллический контакт вновь замыкает цепь питания нагревательного элемента. Таким образом, многоразовый термопредохранитель не дает утюгу перегреться (если не сработал основной терморегулятор) и сгореть окончательно.
Многоразовый термопредохранитель
Одноразовый термопредохранитель свою функцию может выполнить только один раз. При превышении заданной температуры он разрывает цепь питания нагревательного элемента, таким образом защищая утюг от перегрева и перегорания нагревательного элемента. К сожалению после срабатывания одноразового термопредохранителя дальнейшая эксплуатация утюга без ремонта невозможна. Одноразовый он и в Африке одноразовый.
Одноразовый термопредохранитель
Кнопки управления системой отпаривания служат для регулировки подачи воды для парообразованя. Обычно бывает две кнопки и ручка. Одна из кнопок служит для одноразовой подачи порции воды в камеру парообразования (так называемый паровой удар), другая для смачивания одежды из разбрызгивателя установленного в передней части утюга. Ручка служит для регулировки подачи воды для постоянного парообразования (не забывайте закрывать подачу воды когда утюг не работает, т.к. это может привести к большой луже под утюгом).
Индикация работы утюга осуществляется с помощью лампочек. Обычно стоит одна лампочка красного цвета, она указывает на то, что происходит процесс нагрева до заданной температуры. Однако встречаются модели с двумя лампочками - одной красной и одной зеленой. Красная лампочка выполняет ту же функцию, что и в первом случае, а зеленая указывает на то, что утюг включен в сеть (в розетку).
Ремонт.
Ничто не вечно под луной. В один прекрасный или не очень день, включив утюг в розетку и прождав 5-10 минут, вы понимаете, что он не работает. Такой красивый, удобный, привычный и все равно не работает. Выход - выкинуть и купить новый не самый лучший вариант. Значит, нужен ремонт. В 80% случаев утюг можно вернуть в рабочее состояние. В 20% перегорает нагревательный элемент и в этом случае действительно дешевле выкинуть его и порадовать себя новой покупкой.
Для ремонта понадобится следующий инструмент:
- набор отверток
- тестерилибатарейкаслампочкой
Перед началом ремонта необходимо оценить внешние проявления неисправности. 99% утюгов имеют световую сигнализацию. Это, как правило, лампочка красного цвета, сигнализирующая о процессе нагрева ТЭНа (термоэлектрического нагревательного элемента). Существуют варианты с двумя лампочками - зеленой и красной, в этом случае зеленая лампочка сигнализирует о том, что утюг включен в розетку и на него подано напряжение 220 В, а красная указывает на процесс включения и отключения ТЭНа.
Если не одна из лампочек не горит во всех положениях терморегулятора, значит первое подозрение падает на исправность шнура.
Самая большая сложность в ремонте современных утюгов это их разборка. Дизайнеры диктуют свои правила и поэтому все скрепляющие конструкцию винты спрятаны, и найти их довольно сложно. Невозможно описать все конструкции, их великое множество, но есть несколько общих принципов:
- Пластмассовый корпус утюга всегда скрепляется с подошвой при помощи винтов (мне не попадался ни один утюг в котором для крепления использовались лишь пластмассовые защелки).
- Винты обычно скрыты под декоративными заглушками, светофильтрами для лампочек, ёмкостью для воды системы отпаривания.
- Всегда надо стараться разобрать утюг так, чтобы после сборки было не стыдно взглянуть на свою работу.
- Старайтесьнесломатьпластмассовыезащелкидеталей.
Ремонт электрического шнура
Перво-наперво надо снять заднюю крышку, закрывающую то место, откуда выходит электрический шнур. Поиск винтов задней крышки обычно не вызывает затруднений. Сняв заднюю крышку, вы сможете проверить целостность электрического шнура, 20% неисправностей связано с изломом провода в месте выхода шнура из утюга или из вилки.
Утюг с снятой задней крышкой.
Для проверки целостности шнура вам потребуется тестер или обыкновенная прозвонка (батарейка, лампочка и кусок провода).
Один конец идущий от лампочки присоединением к штырям вилки, а другой, идущий от батарейки, поочередно к проводам выходящим из электрошнура. Провод в желто-зеленой изоляции проверять не обязательно, это так называемый защитно-нулевой провод. Если лампочка горит, значит провод в порядке и надо искать неисправность дальше.
Если лампочка не горит, значит вас можно поздравить с отысканием неисправности.
Для устранения этой неисправности обычно хватает укоротить шнур сантиметров на 10-15 и вновь подключить на то место, где были прикручены эти провода (предварительно вновь проверив его целостность, если лампочка прозвонки не горит, значит провод поврежден возле вилки и её надо заменить) Следует отметить, что электрошнур утюгов специальный, провода его имеют прорезиненую изоляцию, выдерживающую большую температуру. Поэтому любой провод здесь не подойдет, нужен в прорезиненной изоляции.
Если провод нормальный, значит придется разбирать утюг дальше. Перед дальнейшей разборкой необходимо зарисовать схему подключения проводов, потом этот рисунок здорово облегчит вам сборку.
Ремонт регулятора температуры.
Отключив все провода надо постараться снять пластмассовый корпус, чтобы добраться до регулятора температуры и нагревательного элемента. Сначала снимаем ручку регулятора температуры, для этого плоскую металлическую пластину (можно нож) просовываем под ручку регулятора и пробуем поднять ее вверх, прилагая незначительные усилия. Если не получается оставляем все как есть и ищем винты, крепящие корпус утюга к его основанию. С задней частью корпуса трудностей не бывает, а вот впереди винт обычно скрыт или специальной пробкой, или крышкой (закрывающей отверстие для залива воды в отпариватель).
Как бы там ни было, после тщательного осмотра вы все равно найдете, додумаетесь, доберетесь до этого винта или винтов.
Открутив все винты, вы сможете снять корпус и добраться до деталей внутреннего устройства вашего утюга. Теперь можно продолжить поиск неисправности дальше.
Разобранный для ремонта утюг.
Для начала проверим, срабатывает ли регулятор температуры, для этого покрутите стержень регулятора из одного крайнего положения в другое. Бывает, что регулятор очень трудно прокручивается, в этом случае надо прибегнуть к помощи плоскогубцев и постараться разработать узел вращения, несколько раз провернув стержень регулятора из одного крайнего положения в другое. Добившись легкости вращения, натрите резьбу этого узла простым мягким карандашом. Графит не боится высоких температур и имеет хорошие смазочные свойства.
Поверните стержень регулятора из одного крайнего положения в другое.
Регулятор температуры.
В одном из положений должна срабатывать (с характерным щелчком) контактная группа. С помощью прозвонки проверьте наличие электрической цепи при замкнутых контактах. Для этого один конец прозвонки подключаем к одному контакту, другой к другому и, крутя ось регулятора, наблюдаем загорание и потухание лампочки. Если лампочка не загорается, нужно с помощью полоски наждачной бумаги или пилочки для ногтей (из маникюрного набора) тщательно зачистить контакты.
Ремонт термопредохранителя.
Далее следует проверить целостность термопредохранителя, подключив с двух сторон к нему провода прозвонки. Если лампочка не горит, значит виновник неисправности и часа вашего потерянного времени - Он. Это бывает в 50-60% случаев.
Простейшим выходом из данной ситуации будет выкинуть этот термопредохранитель, а электрическую цепь в этом месте закоротить. При исправности основного регулятора температуры отсутствие термопредохранителя на работе и безопасности утюга абсолютно не отразится.
Для того, чтобы закоротить электрическую цепь вам понадобится не много фантазии. Вариантов может быть много. Это и пайка высокотемпературным припоем, и обжим проводников медной трубочкой (от стержня шариковой ручки), применение пружинки от зажигалки, преключение подводящих 220 В проводов. Главное надо добиться надежного контакта мест соединения.
Подошва утюга с ТЭНом, терморегулятором, камерой парообразования и термопредохранителем (одноразовым)
Ремонт нагревательного элемента.
Если термопредохранитель, регулятор температуры и электрошнур исправны, у нас остается единственный и самый неприятный вариант - перегорание нагревательного элемента. В большинстве случаев нагревательный элемент завальцован в подошву утюга и его замена технически довольно сложная процедура и соответственно экономически нецелесообразная.
Однако бывают конструкции, в которых подводящие ток проводники не приварены к контактам нагревательного элемента, а соединены с использованием наконечников. Редко, но бывает настолько сильное окисление мест контакта наконечников и нагревательного элемента, что электрическая цепь разрывается. В этом случае надо обеспечить надежность контакта в этом соединении, что достигается тщательной зачисткой мест соединения при помощи наждачной бумаги, надфиля, пилочки для ногтей и т.д.
Если все же нагревательный элемент сгорел, и вы решили выбросить когда то столь полезный и любимый утюг, оставьте себе шнур от него. Он может вам понадобиться при ремонте нового любимого утюга или другого электрического прибора. В конце концов, он может служить весомым аргументом в нелегком деле воспитания подрастающего поколения.
Ремонт системы отпаривания.
Системы отпаривания утюгов имеет несколько нюансов:
- Всегда используйте дистиллированную (идеальный вариант), фильтрованную (фильтрами для питьевой воды) или кипяченую воду. Это предохранит Ваш утюг от образования накипи в полости парообразования и обеспечит длительный срок эксплуатации.
- Если вы не пользуетесь отпаривателем, вылейте воду из утюга, а регулятор парообразования поставьте на максимум. Это позволит продлить срок эксплуатации узла для дозировки подачи пара.
Ремонт системы отпаривания обычно заключается в удалении накипи из внутренних полостей парообразования вашего любимца. При нормальной эксплуатации домашнего утюга, примерно через пол года возникает потребность в очистке системы отпаривания. При использовании дистиллированной воды этот срок возрастает в несколько раз.
Произвести очистку утюга в домашних условиях достаточно просто. Для этого нам понадобиться емкость для воды, в которую нужно поместить так, чтобы вода покрывала металлическую подошву на 1-1,5 см. Этой емкостью может быть обыкновенная большая сковорода. Не забудьте регулятор пара поставить на максимум или на очистку.
Утюг должен стоять на металлических проставочках, роль которых с успехом могут выполнить обыкновенные монеты. Достаточно поднять только заднюю часть утюга. В нашем случае никаких проставочек не потребовалось, так как утюг задней частью опирается на край сковороды и вода может свободно проникать в камеру парообразования.
Ни в коем случае не включайте утюг для нагрева в розетку!!! |
В воду надо добавить столовый уксус из расчета 1 стакан уксуса на 1 литр воды. после этих приготовлений все наше сооружение ставим на плиту и доводим до кипения, после чего выключаем плиту и даем воде немного остыть. Данную процедуру выполняем 2-4 раза. Вместо уксуса можно использовать лимонную кислоту или средства для удаления накипи из чайников.
Мною было испробовано множество фирменных средств для удаления накипи из утюгов, но ни одно из них не позволяло добиться такого результата, как предлагаемый вам способ.
А о цене этих средств я лучше промолчу. После удаления накипи утюг промываем в холодно воде и оставляем на пару часов для просушки.
Вот и все, теперь ваш помощник не будет выбрасывать из себя хлопья накипи и оставлять пятна на вашем белоснежном белье.
Советы на заметку.
Прежде чем приступить к самому процессу глаженья, необходимо подготовить рабочее место и утюг. Поверхность подошвы должна быть идеально чистой, так как ворсинки и пыль могут прилипнуть к ткани. Не протирайте подошву, если она еще горячая.
Шерстяные вещи и темную ткань желательно гладить через специальную ткань для глаженья, иначе она начнет лосниться. Не рекомендуется одевать одежду сразу после глаженья, потому что еще теплая ткань имеет свойство быстро мяться: повесьте ее на вешалку на полчаса, и она будет дольше сохранять форму. Сегодня существует множество видов различных тканей, как натуральных, так и синтетических, поэтому перед тем как гладить вещь, посмотрите на ярлык, где указан оптимальный температурный режим для данного вида ткани. Если же никаких рекомендаций на этот счет нет, то попробуйте сначала прогладить небольшой кусок ткани с изнаночной стороны и в зависимости от этого увеличьте или уменьшите нагрев утюга.
Начинайте гладить с вещей из тонких тканей (шелк, ацетат), которым требуется минимальный температурный режим, постепенно переходите на ткани, которые можно гладить и при высокой температуре.
Сначала беритесь за глажку тканей из смешанных волокон, посмотрите на состав и настройте утюг в соответствии с волокном, требующим минимальной температуры. Затем приступайте к вещам из шелка и синтетики (кстати, искусственный шелк можно гладить и при средней температуре), и не забывайте, что нежелательно к таким тканям применять функцию отпаривания - ткань может съежиться и потерять вид. Натуральный шелк можно сначала намочить и сразу прогладить. Шерстяные вещи рекомендуется отглаживать при умеренном температурном режиме, не используя при этом паровой удар. Такие ткани, как крепдешин, довольно сильно садятся после стирки, поэтому сначала намочите его в теплой воде, а затем прогладьте при температуре примерно 100°С
Проще всего гладить изделия из хлопка и льна: их можно отглаживать при самой высокой температуре, смело использовать подачу пара. Единственное «но»: лен и цветной хлопок желательно также гладить с изнаночной стороны, иначе есть вероятность появления блеска на ткани.
Искусственный мех, замшу и кожу не стоит отглаживать, прибегая к помощи пара (волокна могут попросту расплавиться). Ткани с блестящей поверхностью можно гладить с лицевой стороны и с паром, а матовые ткани - с изнанки, чтобы не появлялся ненужный блеск. Ткани с ворсом нужно гладить с обратной стороны и по направлению ворса, а для большей эффективности под нее можно подложить ворсистую ткань, тогда ворс не будет заминаться (для этой цели можно использовать и махровое полотенце).
Экономьте время.
Чтобы процесс глаженья происходил как можно эффективнее и быстрее, можем дать вам несколько полезных советов:
сорочки и блузки начинайте гладить с рюшей (если таковые конечно имеются), затем прогладьте один рукав (желательно на специально для этого предназначенном нарукавнике), потом - воротник и верх спинки, саму спинку и в последнюю очередь - вытачки.
плиссированную ткань гладьте следующим образом: складки в верхней части юбки, у пояса, отглаживать сложнее всего, поэтому просто отпарьте ткань, не прижимая утюг сильно к ткани, а затем повесьте юбку на вешалку и дайте ткани остыть.
платья из шерсти гладьте с изнаночной стороны, а карманы и отделочные детали - с лицевой, но через слегка смоченную ткань. Схема глажки та же, что и у рубашек: сначала детали, затем по всей длине.
чтобы стрелки на брюках держались долго, проведите по ним с изнанки сухим мылом, а затем прогладьте с лицевой стороны через влажную ткань для глажки.
не рекомендуется слишком часто гладить изделия из шерсти и шелка (шерсть спрессуется, а шелк, несмотря на все старания, все равно станет блестеть
Всегда тщательно следите за своей внешностью, ухаживайте за своей прической, одеждой и обувью. Всякому известно, что главное в человеке ум, но встречают все таки по одежке...
Заключение.
Естественно существуют и более навороченные утюги с электронным регулятором температуры, с подачей воды для системы отпаривания под давлением, безшнуровые с подставкой для нагрева и т.д. Однако и для их ремонта подходят все вышеизложенные причины неисправностей и методы их устранения.
Если же ремонт не удался, идем в магазин и выбираем себе нового помощника.
Теперь поговорим о покупке такой необходимой в домашнем быту вещи, как утюг. Перед покупкой прежде всего решите, для чего именно вам нужен утюг. Если в вашей квартире помимо собственной персоны живут еще и многочисленные родственники, и гардероб до отказа забит одеждой, незаменим будет утюг с максимальной мощностью (2000-2400 Вт) и паровой подачей. Но имейте ввиду, что такая покупка облегчит ваш кошелек примерно на 70-80$
Можно даже приобрести паровую станцию, с которой время глажки сократится до минимума. Но, во-первых, она занимает места больше обычного утюга, а во-вторых, стоят такие приборы достаточно дорого, в пределах 120-170$, что доступно только людям состоятельным. Если же вы человек одинокий, то вам вполне хватит утюга средней мощности. (~1500 Вт).
Не менее важна и весовая категория утюга. Это во времена угольных и чугунных утюгов белье отглаживалось в основном благодаря неподъемному весу прибора. Сегодня же в этом нет никакой необходимости, поэтому чем легче утюг, тем проще вам будет с ним справиться, хотя кому то нравятся и утюги потяжелее.
Отдельным пунктом отметим резервуар для воды. В этом случае чем больше емкость, тем лучше. Самые распространенные модели - с емкостью на 250 мл. Самый большой резервуар на сегодняшний день - 350 мл (одно из достижений компании Siemens).
Далее, обратите внимание на многообразие функций паровой подачи. Не стоит покупать утюг, у которого нет постоянной подачи пара и парового удара, которые необходимы для разглаживания глубоких складок: если даже и без подачи пара складка исчезла с поверхности ткани, нельзя быть уверенным, что навсегда. Скорее всего, через 1-2 часа она появится снова.
Обязательно попросите продавца показать подробные характеристики паровых функций, они также имеют немаловажное значение: если максимальная степень подачи пара достигает 15 г/мин - вряд ли вы сможете с его помощью отгладить толстую ткань. Необходимо еще и наличие регулировки паровой подачи, так как для разных видов ткани требуется и разная интенсивность. Некоторые фирмы вообще не указывают таких параметров. Что ж, в этом случае остается надеяться только на добросовестность производителей.
Если вы хотите, чтобы утюг прослужил долго, то он должен быть оснащен защитными функциями (противоизвестковый стержень, функция само очистки и др.) У каждой фирмы защитные функции действуют по разным принципам, поэтому поинтересуйтесь у продавца, чем оснащена приглянувшаяся вам модель и как эти функции работают. Здесь трудно посоветовать что-либо конкретное, как говорится, на вкус и цвет... Хотя не рекомендую вам покупать утюг со сменным картриджем, потому что купить запасной будет не так-то просто, велика вероятность, что придется объехать не один магазин, прежде чем вы его найдете.
Итак, вы уже выяснили для себя, какой прибор вас устроит полностью. Остались мелочи: выбрать понравившийся дизайн и прикинуть сумму, которую вы готовы отдать за покупку. Главное, что надо учитывать при этом - торговую марку утюга. Philips, Siemens, Braun, Tefal, Rowenta, Bosh являются лидерами по производству бытовой техники. Их качество надежнее, а сами приборы стоят дороже, $60-80. Если вы при покупке рассчитываете на сумму в 20-30$, то вам следует обратить внимание на утюги Scarlett, Unit, Binatone, Clatronic, Vitek, Vigod и др.
Помните, что если утюг будет соответствовать всем вашим требованиям, глажка перстанет быть пыткой, и при работе с ним вы получите если не удовольствие, то хотя бы полное удовлетворение.
Надеюсь, что прочтение этой статьи поможет вам выбрать, правильно эксплуатировать и продлить жизнь такому необходимому прибору как утюг.
Автор: Игорь Давидовский www.sharf.vhost.lt http://patlah.ru
" " .. 1993-2007 .
patlah.ru
Электрические утюги. Виды и устройство. Работа и как выбрать
Электрические утюги – это функциональные устройства, которые с легкостью разглаживают даже сложные ткани. Этот прибор имеет длительную историю. Изначально вещи гладили сковородками, на которых были раскаленные угли, или их просто придавливали при помощи плоских камней. Ухищрений было много, ведь многим людям хотелось ходить в чистой и выглаженной одежде. Лишь в 1882 году изобретатель Генри Сели изобрел и запатентовал утюг, который работал на электрической энергии. Само же изобретение было внедрено в жизнь лишь в 1903 году. Утюг с электрическим нагревом пришелся по нраву белошвейкам.
Виды
Весь перечень утюгов можно классифицировать по следующим видам:
- Простой утюг.
- Утюг, имеющий встроенный терморегулятор и распрыскиватель.
- Паровое устройство.
- Дорожный утюг.
- Паровая станция.
К простым утюгам относятся упрощенные устройства, в которых отсутствуют дополнительные функции. Стоят недорого из-за отсутствия большинства функций, сегодня практически не производятся. Утюг с разбрызгивателем и терморегулятором подходит для глажки маленьких и не очень мятых вещей.
Паровые устройства являются наиболее популярными. Они имеют весь перечень дополнительных функций, позволяющих обеспечить комфортность глажки. Такие утюги легко справляются даже с довольно измятой одеждой. Также существуют утюги с парогенератором, подобные модели относятся к профессиональным.
Паровые станции представляют самые мощные утюги из всех моделей, однако и стоят они достаточно дорого. Подобные модели в домашних условиях применяются крайне редко. В большинстве случаев их приобретают магазины, химчистки, ателье, чтобы с легкостью выгладить большие объемы одежды из разных тканей. Паровые станции с легкостью могут справиться с разными типами тканей — предметы гардероба, пальто, занавески и так далее.
Дорожные утюги выделяются компактностью и удобством, они отлично подходят для дальних поездок.
Утюги можно квалифицировать и по мощности:
- Утюги малой мощности (менее 1600 Вт).
- Устройства средней мощности (в пределах 1600-1900 Вт).
- Утюги большой мощности (1900-2400 Вт).
- Утюги максимально мощные.
Устройство
Элементы нагревания, которые применяются в утюгах, могут быть трех типов:
- Спиральный в виде проволоки, на которые надеты фарфоровые бусы.
- Пластинчатые, на которые намотана фехралевая или нихромовая проволока.
- Трубчатые.
Электрические утюги имеют подошву, которая во многом отвечает за качество глажки. В производстве применяются подошвы с сапфировым, керамическим или тефлоновым покрытием. Использование подобных материалов дает возможность снизить трение, возникающий между поверхностью одежды и подошвой. Дешевые модели имеют подошву из алюминия, основным минусом которой является некоторая податливость металла, часто приводящая к появлению царапин.
Терморегулятор обеспечивает получение необходимого температурного режима, что очень важно для глажки разных типов тканей. Регулировка нагрева осуществляется при помощи установки поворотного колесика утюга в требуемое положение, которое соответствует требуемым параметрам. При достижении максимального значения контакт размыкается, что ведет к прекращению подачи напряжения. Отключение регулятора выполняется при помощи электрической схемы, в которую встроена составная биметаллическая пластина. При достижении определенной температуры наблюдается ее деформация, ведущая к размыканию цепи.
Подача пара представляет систему, состоящую из двух кнопок, которые запускают подачу пара и брызг. Вода преобразуется в пар в камере, в которой находятся нагревательные элементы. При нажатии кнопки вода направляется в камеру, где осуществляется моментальный ее нагрев. Пар выводится наружу через перфорацию в подошве устройства.
Электрическая энергия поступает через аккумулятор или электрический провод. Провод имеет три жилы, одна из которых применяется в качестве заземления. Подобное устройство позволяет снизить риск поражения электричеством при коротком замыкании.
Принцип действия
Электрические утюги работают по следующему принципу:
- При включении вилки в розетку по нагревательному элементу начинает идти электрический ток. В результате высокого сопротивления материала спирали начинает выделяться тепло.
- На подошве находится биметаллическое устройство, которое обеспечивает контроль температуры.
- При достижении требуемого уровня температуры происходит прекращение нагревания спирали.
- В процессе глажки происходит остывание подошвы, в результате чего биметаллическое устройство вновь запускает нагревание утюга.
- Для подачи пара имеется кнопка, которая производит управление помпой. После ее нажатия из бака, куда предварительно заливается вода, отводятся капли, которые стекают, соприкасаясь с горячими элементами. Вследствие этого образуется пар.
- Чтобы вода не скапливалась и впоследствии не оставалась грязь и ржавчина, имеется система самоочистки. Если бы ее не было, то при следующей подаче пара одежда бы загрязнялась.
Применение
Электрические утюги используются для придания одежде и другим изделиям из ткани опрятного внешнего вида, для уничтожения микробов и вредных насекомых. При использовании этого устройства ткань выправляется, становится гладкой и внешне красивой. Кроме этого под воздействием высокой температуры происходит дезинфекция материала.
Глажение представляет процесс, обеспечивающий обработку плоских поверхностей белья. Утюжка обеспечивает восстановление свойств ткани, которая утрачена проведением стирки: устраняется блеск, удаляются пузыри и растянутость. Данные операции применяются и при шитье одежды. Способы глажки могут различаться из-за большого числа тканевых изделий: хлопок, лен, шелк, полиэстер, шерсть и так далее.
Необычное применение
- При помощи утюга можно разглаживать вмятины и царапины, имеющиеся на поверхности изделия, которое выполнено из дерева. Для этого используется салфетка из бумаги или тряпочка и утюг с пароувлажнителем.
- Если Вы вдруг запачкали одежду воском, то на проблемное место следует приложить бумажное полотенце. Затем следует произвести глажку этого место при помощи горячего утюга. Воск растает и прилипнет к бумаге.
- Если у Вас вдруг порвался пакет или имеется необходимость создания пластиковой упаковки, то утюг будет как нельзя кстати. Сверху пакета следует приложить салфетку и провести утюгом для спайки.
- При помощи утюга можно закрепить края линолеума.
- Если на ковре имеются пятна, то его можно очистить при помощи полотенца утюга или чистящего средства.
- При помощи пара можно отделять старые обои от поверхности стены.
- Утюгом вполне можно подогреть еду или даже пожарить яичницу. Для этого потребуется сковородка или небольшая кастрюлька, которую следует положить на поверхность утюга. Важно, чтобы эта поверхность располагалась строго горизонтально.
Как выбрать
- Электрические утюги следует выбирать в зависимости от того, какую одежду и ткани Вы собираетесь гладить. Также необходимо учитывать и ее количество. С учетом этого подбирается мощность, функциональность, материал и форма подошвы.
- При подборе необходимо уделять многим нюансам, ведь здесь нет мелочей. Так короткий шнур, а также скользкая ручка могут доставить массу неприятностей. Именно поэтому особенное внимание следует уделить эргономичности. Оптимальным вариантом будет шнур в 2-3 метра. Рекомендуется выбирать модели с шарнирным креплением шнура и вращением на 360 градусов. Можно присмотреться к беспроводным моделям, работающим от аккумулятора или нагревающихся с помощью специальной подставки. Такие утюги дадут больше маневра, однако при больших объемах одежды предстоит часто подзаряжаться.
- Электрические утюги должны быть оптимальными по весу. Лучше всего приобрести устройство весом 1,5 кг. С тяжелым утюгом долго не поработаешь – устанут руки. Легкое устройство хоть и будет удобным в плане веса, однако его придется тщательно прижимать к гладильной доске, чтобы разгладить сильные складки.
- Ручка утюга при работе не должна нагреваться, она должна быть удобной и не скользкой. Это касается и рукоятки переключение режимов нагревания.
- Следует присмотреться к емкости для воды. У нее должна быть удобное и широкое горлышко. Крышка должна иметь плотное закрывание. К тому же в емкость должно вмещаться необходимый объем воды, чтобы не бегать к крану с водой. Резервуар должен быть прозрачным либо полупрозрачным, чтобы можно было отслеживать уровень воды.
- Лучшими устройствами для деликатных тканей являются керамические либо металлокерамические модели. Они отлично гладят и не портят ткани. Однако следует учитывать, что если на одежде будут металлические элементы, то они могут легко повредить поверхность подошвы. Электрические утюгис хромированной или тефлованной подошвой также подвержены царапинам, но они обеспечивают лучшее скольжение по самым разным тканям.
- Важно наличие дополнительных функций: автоотключение, противокапельная функция, защита от накипи, самоочистка.
electrosam.ru
Ремонт советского утюга | ElektroMaster.org
Электроутюги изготовляются следующих типов:
- с терморегулятором
- с терморегулятором и пароувлажнителем
- с терморегулятором и пароувлажнителем и разбрызгивателем
Средняя температура в центре подошвы электроутюга при установке указателя температуры против центра символа условий глаженья в установившемся тепловом режиме приведена в таблице 1
Таблица 1. Средняя температура в центре подошвы утюга, °С
| Символ условийглаженья | Номинальнаятемператураподошвы | Минимальнаятемператураподошвы | Максимальнаятемператураподошвы |
| · | 95 | 75 | 115 |
| ·· | 130 | 105 | 155 |
| ··· | 175 | 145 | 205 |
Подошва электроутюга должна нагреваться равномерно. Разница между средней температурой в центре подошвы и по краям не должна быть более 10°С.
Большинство электроутюгов выпускаются с алюминиевой подошвой. Старые модели выпускались с чугунной или стальной подошвой. стальные подошвы обладают большей теплоемкостью по сравнению с алюминиевыми, менее подвержены механическим повреждениям, обладают лучшим скольжением по ткани.
В большинстве электроутюгов применяются терморегуляторы, трубчатые электронагреватели (ТЭНы) и установлены сигнальные лампы. Наличие в утюгах пароувлажнителя расширяет возможности его применения в быту, позволяя гладить ткани без предварительного их увлажнения. В утюгах применяют увлажнители капельного типа. Вода для парообразования находится в бачке утюга.
Электроутюги с терморегулятором и пароувлажнителем нагреваются при помощи трубчатого нагревательного элемента, залитого в алюминиевую подошву утюга. Утюг снабжен терморегулятором, который соединен с диском. На циферблате диска терморегулятора нанесено пять наименований тканей или символы, каждому из которых соответствует определенная температура нагрева подошвы.
На ручке электроутюга расположено два шильдика с указателями, определяющими положение парорегулятора при глажении. При установке парорегулятора в положение «Пар» вода, залитая через водоналивное отверстие в бачок, каплями поступает в испарительную камеру, испаряясь, выходит из отверстий подошвы, насыщая паром разглаживаемый материал.
При включенном нагревательном элементе загорается сигнальная лампа. Электрическая схема электроутюга показана на рис.1
Рис.1 Электрическая схема электроутюга с терморегулятором и пароувлажнителем:
| 1 - | ТЭН | 2 - | терморегулятор | 3 - | резистор |
| 4 - | лампа | 5 - | вилка с шнуром |
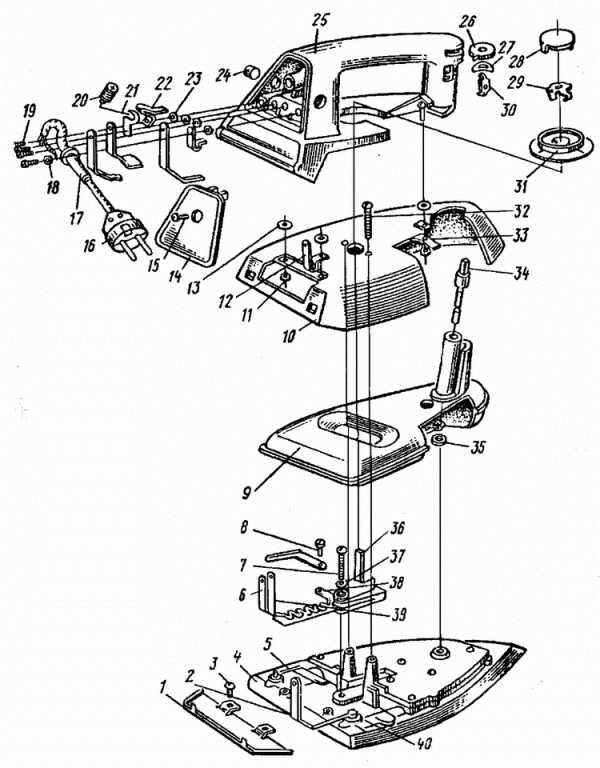
Замену и ремонт составных частей электроутюга завод изготовитель рекомендует проводить в следующем порядке:
Рис. 2 Конструкция электроутюга с терморегулятором и пароувлажнителем:
| 1 | - щиток | 2 | - ввод основной | 3 | - винт | 4 | - подошва | 5 | - ввод терморегулятора |
| 6 | - блок контактов | 7 | - винт | 8 | - винт | 9 | - бачок | 10 | - корпус |
| 11 | - гайка | 12 | - шина | 13 | - прокладка | 14 | - крышка | 15 | - винт |
| 16 | - шнур с вилкой | 17 | - чехол | 18 | - шайба | 19 | - винт | 20 | - лампа МН 3,5-026 |
| 21 | - держатель | 22 | - контакт | 23 | - гайка | 24 | - колпачок | 25 | - ручка |
| 26 | - головкапарорегулятора | 27 | - шайба | 28 | - циферблат | 29 | - пружина | 30 | - шильдик |
| 31 | - дисктерморегулятора | 32 | - винт | 33 | - прижим | 34 | - парорегулятор | 35 | - прокладки |
| 36 | - пластина | 37 | - шайба | 38 | - отвод | 39 | - резистор | 40 | - ТЭН |
Замена подошвы (без блока контактов и щитка).
Отвернуть винт 15 (рис.2) и снять крышку 14, отвернуть винты 19, снять шайбу 18 и петли шнура. Снять диск 31 с пружиной 29 и циферблатом 28 и разобрать его на отдельные детали. Отвернуть два винта 32, снять корпус 10 с ручкой 25, головку 26 парорегулятора и пружинную шайбу 27. Снять бачок 9 с парорегулятором 34. Отвернуть винт 7 с шайбой 37 и винт 8. Снять блок 6 контактов. Заменить подошву 1 утюга.
Собирают электроутюг в обратной последовательности. Перед установкой диска 31 проверяют положение пластины 36. Она должна быть развернута по часовой стрелке до упора. Установить диск терморегулятора, надев его щелевидным отверстием на пластину 36 (широкий паз должен находиться против указателя на ручке 25) и закрепить диск пружиной 29, защелкнув ее до упора. Установить циферблат 28, вставив лапки в диапазон отверстия диска. Надпись «Лен» (или символ ···) на циферблате должна находиться против указателя на ручке.
Перед включением электроутюга в сеть следует проверить исправность электрической цепи в соответствии со схемой и проверить электрическую прочность изоляции мегаомметром. Напряжение проверки мегаомметра должно быть не менее 1000 В.
Замена парорегулятора.
Отвернуть винт 15 и снять крышку 14. Отвернуть винты 19, снять шайбу 18 и петли шнура 16 с вилкой. Снять диск 31 с пружиной 29 и циферблатом 28 и разобрать его на отдельные детали. После этого отвернуть два винта 32, снять корпус 10 с ручкой 25, головку 26 парорегулятора и пружинную шайбу 27. Из бачка вывернуть парорегулятор и ввинтить новый (парорегулятор в резьбе должен вращаться свободно, без заеданий). Затем электроутюг собрать. При необходимости заменить бачок и прокладку 35.
Замена головки парорегулятора.
Отвернуть винт 15 и снять крышку 14. Отвернуть винты 19, снять шайбу 18 и петли шнура. Диск 31 с пружиной 29 и циферблатом 28 снять и разобрать на отдельные детали. Отвернуть два винта 32, снять корпус 10 с ручкой 25, головку парорегулятора 26 и пружинную шайбу 27. Заменить головку парорегулятора 26 и при необходимости пружинную шайбу 27. На подошву 4 с бачком 9 и прокладкой 35 установить корпус 10 с ручкой 25. Одновременно в прорезь установить шайбу 27 и головку 26 парорегулятора в положение «Сухо». При этом флажок парорегулятора не должен доходить на 10…15 мм до упора в ручке при закрытом клапане бачка.
Рис. 3 Конструкция блока контактов терморегулятора электроутюга:
| 1 | - контакты | 2 | - штифт | 3 | - кронштейн сограничителем | 4 | - пластина | 5 | - гусарик |
| 6 | - регулировочныйвинт | 7 | - ввод сетевой | 8 | - кольцоизоляторное | 9 | - изолятор | 10 | - втулка |
| 11 | - биметаллическаяпластина | 12 | - прижимнойлепесток | 13 | - отжимнойлепесток | 14 | - размыкатель |
На рис. 3 показана конструкция блока контактов электроутюга. Биметаллическая пластина 11 расположена параллельно подошве утюга. При изгибе (под воздействием температуры) биметаллической пластины размыкатель 14 действует на прижимной лепесток 12 и размыкает контакты 1. При охлаждении подошвы утюга биметаллическая пластина принимает исходное положение, размыкатель опускается и контакты вновь замыкаются. Отжимной лепесток 13 поддерживает контакты в замкнутом состоянии, его положение устанавливается регулировочным винтом 6. На пластину 4 устанавливают диск терморегулятора. Кронштейн 3 ограничивает угол поворота диска.
При неисправности терморегулятора в импортных утюгах – таких как обгорание контактов часто бывает трудно найти такой же, а другие не всегда подходят. Выкидывать утюг с хорошим ТЭНом жалко, но можно сделать простой регулятор мощности на электронных элементах, разместив его вне утюга. Как это сделать см регулятор мощности на тиристорах
В импортных электроутюгах подошву покрывают различными антипригарными покрытиями.
Они легко скользят по всем видам ткани, устойчивы к царапинам, легко чистятся от пятен. Четкая схема расположения отверстий гарантирует равномерное расположение пара. Форма нагревательного элемента обеспечивает равномерное распределение температуры по подошве. Импортные электроутюги могут иметь следующие особенности:
- система защиты от капель: максимальная мощность пара при низких температурах, исключая возможность протечки из подошвы утюга.
- кассета защиты от накипи: постоянная встроенная защита против накипи, что значительно увеличивает продолжительность функционирования утюга.
- функция самоочистки: для очистки камеры парообразования от накипи и грязи с целью увеличения продолжительности срока службы.
- вертикальная подача пара: для одежды, висящей на вешалке, и занавесок.
- автоматическое отключение: электронное устройство подает сигнал и отключает утюг, если он остается неподвижным в горизонтальном положении более 30 с или в вертикальном положении более 8 мин.
http://tehpoisk.ru
elektromaster.org










