ул.Симферопольская
дом 5, офис 9
Корзина
Корзина пуста
Как сделать розетку интернет

Монтаж интернет-розетки своими руками: пошаговые правила крепления. Как самостоятельно установить и как подсоединит витую пару к розетке Интернет-розетка предназначена для подключения различных приборов с разными разъемами......
Высота уличного фонаря

Какая высота установки уличного фонаря, светильника наружного освещения? Как правило, установка светильников наружного освещения, уличных фонарей выполняется на специально предназначенных для наружного освещения опорах.......
Где разместить микроволновку на кухне фото

Куда поставить микроволновку на кухне (фото) В наше время сложно представить кухню без микроволновой печи. В ней удобно разогревать еду, готовить блюда, размораживать продукты. Но куда же ее поставить чтобы было удобно ей......
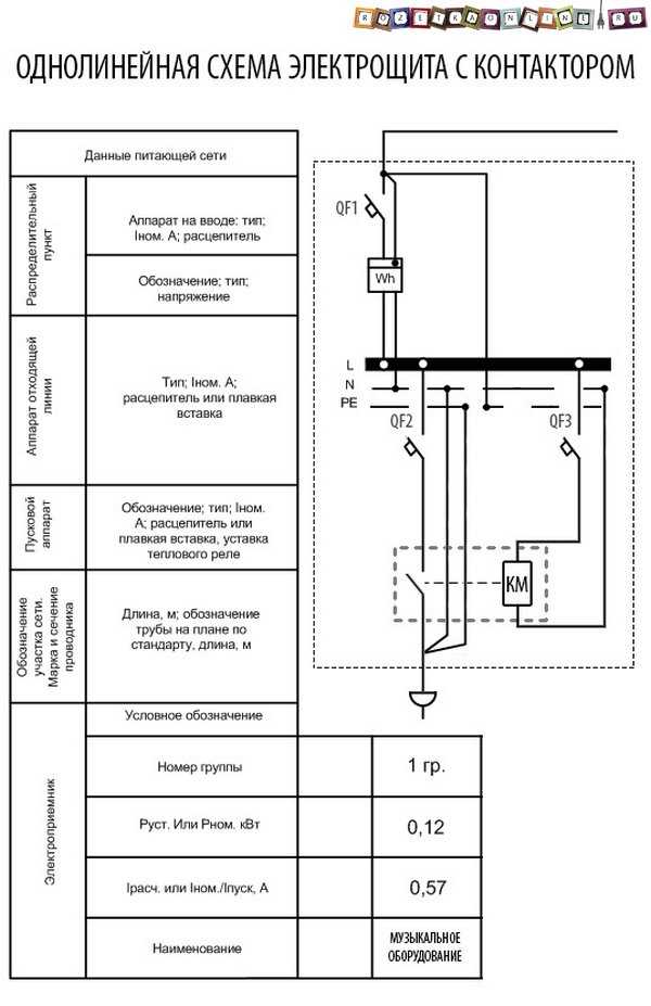
Как на схеме обозначается пускатель

Контактор | Обозначение на схеме Схематическое обозначение электромагнитного контактора показывает общий принцип его работы и сформировано согласно правил действующего ГОСТ Р МЭК 60617-DB-12M-2015 «Графические символы для схем......
Что делать если в стиральной машине не открывается дверца

Как открыть стиральную машинку если она заблокирована? По окончанию процесса стирки примерно в течение трех минут блокировка дверцы снимается, после чего хозяева получают доступ к выстиранным вещам. Однако иногда случается......
Ампер час ватт час

Ампер-час Википедия Ампер-час (А·ч) — внесистемная единица измерения электрического заряда, используемая главным образом для характеристики ёмкости аккумуляторов. Исходя из физического смысла, 1 ампер-час — это электрический......
Мфэ как сделать

Как сделать боке в фотошоп (2017) :: NoNaMe Боке (в переводе с японского — «размытость», «нечёткость») используется фотографами, как один из художественных приёмов для фокусирования внимания зрителя на главном объекте кадра.......
Сечение в чем измеряется

Как определить сечение кабеля (провода) по диаметру По идее, диаметр проводников должен соответствовать заявленным параметрам. Например, если указано на маркировке, что кабель 3 x 2,5, значит сечение проводников должно быть......
Монтаж автоматов в щитке

Установка автоматов в электрощитке: выбор, монтаж, подключение Современные автоматические выключатели очень надежны в работе и имеют целый ряд преимуществ перед другими приборами, предназначенными для защиты электрических......
Как вывести от розетки выключатель

Как правильно и безопасно провести розетку от выключателя В старых квартирах, которые все еще активно продаются, проводка проведена довольно давно. И зачастую полноценные работы по ее новой прокладке мы провести не в состоянии.......
