ул.Симферопольская
дом 5, офис 9
Корзина
Корзина пуста
Универсальный антенный усилитель на дачу своими руками. Своими руками усилитель антенны
Универсальный антенный усилитель на дачу своими руками

Приветствую любителей самоделок!Решил поделиться с вами своей интересной самоделкой, которую просто сконструировать любому из вас.
Ну что, начнем!!!
Все началось с того, что мне в деревню пригодился интернет. Купил модем мегафон, подключил. Решил попробовать, но получилось так, что связи то нет. И узнал, что сигнал можно повысить с помощью антенного усилителя.
Мне понадобилось:
- Большая алюминиевая пластина круглой формы;
- Длинная медная проволока;
- Два маленьких кусочка и один большой кусок резинового ремня от трактора;
- Кабель для антенн от телевизора;
- Алюминиевый кронштейн.
- Два больших болта, две гайки и две шайбы.
- Четыре длинных самореза.
Инструменты:
- Молоток;
- Отвертка;
- Изолента;
- Гаечный ключ;
- Дрель;
- Сверла;
- Плоскогубцы;
- Паяльник.

Берем большую алюминиевую пластину круглой формы и сверлим в нем отверстия нужного диаметра.


Далее берем большой резиновый кусок и тоже делаем 3 одинаковых отверстия как по центру пластины.

Затем берем алюминиевый кронштейн и делаем отверстия как на резине. И еще отверстия для закрепления антенны куда либо и сгибаем как показано на фото.

Некоторые отверстия здесь лишние.

Дальше берем большую медную проволоку, сгибаем её, делаем отверстия и соединяем концы проволоки саморезом или спаиваем их.

Теперь возьмем кусок кабеля и переходник.

Спаиваем нужный провод к нужной детали.



Изолируем то, что получилось, как показано на фото.

Вот и все, все наши детали готовы, чтобы собрать наш усилитель.
Закрепляем большой кусок резины, кронштейн, и пластину в одно целое с помощью двух болтов, двух гаек и двух шайб (не хоккейных).



Прикрепляем нашу проволоку с помощью двух маленьких резиновых кусочка и четырех саморезов.




Теперь берем наш подготовленный кабель и прицепляем её как на фото.

Закрепляем контакты кабеля на проволоку с помощью саморезов.


Теперь изолируем контакты изолентой.

Вот и все, усиливающая антенна для интернета готова. Осталось лишь подсоединить с помощью кабеля антенну к модему, и поставить антенну как можно выше.



Результат.
Вот таким был сигнал, то-есть его вообще не было.

А вот так стала работать антенна.


На этом пожалуй все. Что непонятно спрашивайте, постараюсь на все вопросы ответить!Спасибо всем за внимание!Хорошего всем настроения!
Становитесь автором сайта, публикуйте собственные статьи, описания самоделок с оплатой за текст. Подробнее здесь.usamodelkina.ru
Антенный усилитель своими руками
Антенные усилители необходимо устанавливать как можно ближе к антенне. Питание усилителя лучше всего осуществлять по коаксиальному кабелю фидера через развязку.
Схема развязки по питанию приведена на рис.:
Развязывающее устройство устанавливается внизу у телевизора и на нее подается питание 12 В от отдельного маломощного блока питания (адаптера). Двухкаскадные антенные усилители потребляют ток не более 50 мА, поэтому мощность адаптера не должна превышать 5-10 Вт.
По теме Супер широкополосный усилитель
Все коммутации антенного усилителя на мачте нужно производить с помощью пайки, т. к. установка механических контактирующих элементов (разъемов и т. д.), эксплуатирующихся в тяжелейших климатических условиях, в конце концов приведет к отказу из-за коррозии контактов.
При выборе усилителя необходимо обеспечить коэффициентом усиления усилителя затухания в кабеле фидера и потери в цепях сложения и разветвления сигнала. Обычно при средней длине кабеля 20—30 м затухания в нем составляют 10 дБ, отсюда , учетом потерь в устройствах сложения — разветвления сигнала, следует выбирать антенный усилитель с усилением 20-30 дБ.
Сложными являются случаи, когда необходимо принимать и усиливать слабые сигналы при наличии мощных сигналов других передатчиков. При этом на вход усилителя попадают как слабые, так и сильные сигналы. Сильный сигнал на входе антенного усилителя может блокировать его работу или перевести работу первого каскада в нелинейный режим - режим смесителя. В этом случае на экране телевизора наблюдается наложение одного изображения на другое. То есть на изображении одного канала видны полупрозрачные кадры изображения другого канала.
Это означает, что усиление выбранного вами усилителя слишком велико, его величину можно уменьшить путем уменьшения напряжения питания усилителя. Для этого желательно использовать отдельный блок питания с плавной регулировкой напряжения в пределах от 5 до 12,6 В.
Необходимо отметить, что на усилители дециметровых волн сильно влияют сигналы метрового диапазона, т. к. мощности передатчиков Метрового диапазона не соизмеримы с передатчиками дециметрового диапазона. Для ослабления влияния сигналов метрового диапазона перед антенным усилителем ДМВ нужно установить фильтр верхних частот, который удалит диапазон метровых волн и пропустит с малыми потерями только сигналы ДМВ.
Если усилитель выбран неправильно (с большим коэффициентом усиления) или если антенна плохо согласована с кабелем, то усилитель может возбудиться и тогда на экране телевизора будет сплошная рябь, но чаще всего в сельских районах, где поблизости нет мощных передающих телецентров, возможно применение усилителей с коэффициентом усиления 40-50 дБ:

На рис. приведена схема антенного усилителя, рассчитанного на усиление сигналов всех 12 каналов метрового диапазона. Коэффициент усиления его составляет 25 дБ при напряжении 12,6 В. Потребляемый ток не более 20 мА. Встречно-параллельное включение на входе диодов Д1, Д2 предохраняет транзисторы усилителя от повреждения грозовыми разрядами. Оба каскада собраны по схеме с общим эмиттером. Конденсатор С6 обеспечивает коррекцию постоянной характеристики усилителя в области высоких частот. Для стабилизации режима транзисторов усилитель охвачен отрицательной обратной связью с эмиттера второго транзистора на базу первого. Во избежание самовозбуждения усилителя из-за паразитной обратной связи между каскадами через источник питания используется развязывающий фильтр R4 С1.
На этом рис.

приведена схема усилителя для дециметрового диапазона 470-790 МГц (21-60-й каналы). Коэффициент усиления этого усилителя в полосе пропускания составляет 30 дБ при напряжении питания 12 В, а потребляемый ток составляет 12 мА. Оба каскада собраны по схеме с общим эмиттером на СВЧ транзисторах с низким уровнем собственных шумов. Нижняя граница полосы пропускания усилителя ограничена входным фильтром верхних частот, а верхняя - паразитными емкостями транзисторов и монтажа. Благодаря резисторам R1 и R3 обеспечивается температурная компенсация режима транзисторов. Катушка фильтра верхних частот L1 наматывается проводом ПЭВ-2 диаметром 0,8 мм и содержит 2,5 витка. Намотка производится на оправке диаметром 4 мм. Питание на усилитель подается по коаксиальному кабелю.
Простой широкополосный антенный усилитель обеспечивает усиление порядка 10 дБ во всем диапазоне, отведенном под телевизионное вещание. Усилитель представляет собой каскад с общим эмиттером и глубокой отрицательной обратной связью через Rl С2, а также эмиттерной коррекцией R5 R6 С5 Сб. Питание усилителя осуществляется по кабелю. Антипаразитная цепь R4 СЗ обеспечивает устойчивость антенного усилителя, при больших КСВ в кабеле, что возможно, когда входное сопротивление телевизора значительно отличается от волнового сопротивления кабеля.
richadm.ru
Антенный усилитель DVB-T2 ДМВ своими руками
Подошло время к разводу ТВ кабеля. У меня планируется много телевизоров. До города 40км. До транслятора еще дальше. Задача обеспечить телевизоры устойчивым приемом DVB-T2 сигнала. Буду использовать делители сигнала, которые еще ослабят сигнал принятый антенной. Появляется необходимость использовать антенный усилитель DVB-T2. Так как частоты обоих пакетов DVB-T2 лежат в диапазоне ДМВ, то антенну присмотрел направленную, пассивную под ДМВ диапазон с коэффициентом усиления 14дБ.
Большое расстояние до транслятора и деление сигнала на несколько телевизоров сильно ослабит сигнал, поэтому без антенного усилителя ДМВ он же усилитель DVB-T2 не обойтись. Решил сделать антенный усилитель для DVB-T2 своими руками и посмотреть, что из этого получиться.
Так как стандартные делители сигнала в том числе и те что приобрел я не пропускают электрический ток, питание усилителя по кабелю не подойдет (или питание нужно пустить по кабелю до делителя).
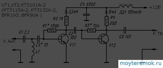
Схема двухкаскадного малошумящего антенного усилителя DVB-T2.
Усиление от 30дБ в зависимости от выбранных транзисторов. Питание усилителя 12 вольт.

Я использовал транзисторы BFR193. Они очень дешевые и обладают хорошими характеристиками. Высокий коэффициент усиления 50-200. Высокая граничная частота работы до 8000МГц. SMD исполнение. Обладают низким уровнем собственного шума.
Можно заказать транзисторы BFR193 в Китае, но у нас стоили малость дешевле.
Конденсаторы керамические. Выводы конденсаторов и резисторов делаем, как можно короче. Можно использовать SMD, я просто делал из того что было под рукой.
Катушка L1 делается из отрезка медного провода длиной 3,5см диаметром 0.8мм. Ее диаметр 4мм и содержит два с половиной витка. Я намотал ее на гладкой части сверла 3,3мм (сама катушка получиться около 4мм).
Изготовление антенного усилителя DVB-T2 (ДМВ) своими руками.
Плату можно изготовить без травления, просто вырезав контактные площадки. Смотрим рисунок.
Плату делаем из двухстороннего стеклотекстолита. Верхний и нижний слои соединяем четырьмя штырями и припаиваем.
Блок питания я использовал трансформаторный, чтобы меньше помех гнал, со стабилизацией напряжения на 12 вольт. Усилитель потребляет около 12мА.
[ads_1]
У меня все сразу нормально заработало без настройки. Настройка сводиться в подборе резисторов R1 и R3 так чтобы токи на коллекторах транзисторов VT1 и VT2 были 3,5мА и 8мА соответственно.

Испытания провел на работе. В глубине помещения. Двор колодец. В качестве антенны кусок провода ШВВП. Результат без усилителя – ничего не показывает вообще. Подключаю усилитель и как любят говорить в рекламе, результат превзошел все мои ожидания, стабильная картинка без намека на срыв.
Список деталей самодельного антенного усилителя DVB-T2 (ДМВ).
- Транзисторы BFR193 — 2шт.(можно заказать у китайцев здесь).Конденсаторы 3.3пФ, 10пФ, 100пФ — 2шт., 4700-6800пФ.Резисторы 75 КОм, 150 КОм, 1 КОм, 680 Ом.Дроссель 100-125 мкГн.Катушка L1 самодельная 2,5витка и диаметром 4мм из медной проволоки длинной 3,5см и диаметром 0.8мм.
moyteremok.ru
Усилитель для антенны своими руками
Усилители для антенны нужно ставить ближе к самой антенне. К источнику питания усилитель для антенны нужно подключать с помощью коаксиального кабеля. Внизу около телевизора устанавливается развязывающее устройство, через него от маломощного блока питания на нее подается питание. Мощность блока питания или адаптера не должна превышать 10 Вт.
Подключение антенного усилителя к мачте производится при помощи пайки. Установку контактирующих элементов лучше проводить именно этим способом, поскольку из-за тяжелейших условий эксплуатации контакты скорее всего перестанут функционировать.
Усилитель следует выбирать таким образом, чтобы компенсировать потери в цепях разветвления и сложения сигнала, а также затухание в кабеле фидера. При средней длине кабеля 30 м затухание может достигать 10 децибел. Таким образом, учитывая потери в устройствах сложения, усиление антенного усилителя должно лежать в пределах от 20 до 30 децибел.
В особо сложными считаются ситуации, в которых нужно усиливать и принимать слабые сигналы при наличии более мощных передатчиков сигналов. На выход усилителя при этом попадают как очень сильные, так и очень слабые сигналы. На входе антенного усилителя сильный сигнал может привести к блокировке его работы или вообще перевести его работу в режим смесителя. В данном режиме первый каскад антенного усилителя будет работать в нелинейном режиме.
На экране телевизора в данном случае будет наблюдаться наложение изображений. Таким образом, на изображении видны полупрозрачные очертания изображения, получаемого с другого канала. Это значит, что коэффициент усиления антенного усилителя слишком велик. Его значение можно снизить посредством уменьшения напряжения питания. Для этой цели подойдет отдельный блок питания, позволяющий осуществлять плавную регулировку напряжения.
Отметим, что на усилитель волн дециметрового диапазона оказывают значительное влияние сигналы метрового диапазона. Это происходит из-за того, что мощности передатчиков дециметрового диапазона вполне сопоставимы с мощностью передатчиков, работающих в метровом диапазоне. Чтобы ослабить влияние сигналов метрового диапазона, устанавливают фильтр верхних частот. Он позволяет удалить волны метрового диапазона. Сигналы дециметрового диапазона проходят с малыми потерями.
При неправильном выборе усилителя или при плохом согласовании антенны с кабелем, усилитель может войти в режим возбуждения. В этом случае на экране телевизора будет отображаться рябь. В сельской местности, где нет мощных телецентров и вышек, можно применять усилители с коэффициентом усиления от 40 до 50 децибел.Широкополосный усилитель позволяет обеспечить усиление около 10 децибел во всем диапазоне телевизионного вещания.
В самом простом случае такой усилитель представляет собой каскад с общим эмиттером. Отрицательная обратная связь осуществляется через RI C2. Питание антенного усиления осуществляется через кабель. Цепь R4C3 позволяет избавиться от помех и обеспечивает устойчивость работы усилителя. В том случае, если волновое сопротивление кабеля будет существенно отличаться от входного сопротивления телевизора, коэффициент стоячей волны в кабеле будет иметь высокие значения.
www.vsedelkin.ru
Усилитель для тв антенны своими руками
В местах с плохим телевизионным сигналом, чтобы при просмотре телевизора была четкая картинка, приходится устанавливать антенну на улице, при этом к ней необходимо подключать специальный усилитель. Это устройство позволяет предоставить качественное изображение на экране при расположение вышки до 100 км.
Такие антенные усилители существуют для разных диапазонов каналов и различаются по коэффициенту усиления. Для работы им требуется непрерывное питание с напряжением в 12 В. На сегодняшний день существует возможность запитывать антенные усилители через телевизионный провод. Для этого продаются специальные адаптеры и переходники, которые воплощают это в жизнь.
Подключение не составляет большого руда. В такой блок подсоединяется кабель, подходящий из антенны, а из адаптера идет коаксиальный провод в телевизор. Неправильное подключение исключено, так как выходные разъемы абсолютно разные.
Адаптер усилителя
В каждом блоке питания усилителя находится две пары диодов, два накопителя, трансформатор, стабилизатор напряжения. Все они вмонтированы в печатную плату.
Минусы блока питания
К отрицательным моментам можно такого адаптера отнести присутствие небольшой части центральной жилы без экрана. Он находится в месте припаивания его к печатной плате. Такая конструкция может передавать помехи на изображение от работающих рядом бытовых приборов. Этого можно избежать добавив в места пайки еще один экран.
Создание адаптера своими руками
Изготовить такой блок питания можно собственноручно, при этом увеличить его технические характеристики. Для этого понадобится обычный антенный разветвитель. При желании подключить несколько телевизоров и подвести питание к адаптеру, нужно добавить в блок несколько деталей.
Устройство разветвителя
Антенный тройник состоит из металлической коробки с разъемами. Внутри нее находятся трансформаторы, которые припаяны к выводам. Они имею форму кольца или трубки, которые состоят из феррита. На них намотано около 10 витков провода с сечением 0,3 мм.
Как сделать адаптер самостоятельно
Чтобы соорудить адаптер питания для усилителя антенны, в тройник можно не монтировать еще один разъем, а воспользоваться имеющимся.При этом нужно будет удалить один трансформатор, тем самым подключение уменьшится до двух телевизоров. После чего нужно припаять LC-фильтр и адаптером можно пользоваться. Из-за того, что корпус разветвителя дюралюминиевый, соединение конденсатора нужно выполнять через латунную клемму. Ее можно прикрутить гайкой с шайбой.
Также в цепь необходимо добавить пару конденсаторов и дроссель. Также следует внедрить резистор на 150 Ом, что положительно скажется на работе адаптера. Монтаж этого блока можно выполнять в любом месте. Его можно разместить у телевизора или при входе кабеля в дом. При подсоединении одного телевизора, имеющийся трансформатор можно удалить, а контакт конденсатора подсоединить к разъему, к которому будет подключаться телевизор.
Подсоединение адаптера к блоку питания
Если подсоединение проходит через один из выходов, тогда необходимо смастерить переходник с проводов блока питания на телевизионный кабель. Для чего потребуется кусок коаксиального провода размером 5 см. На один конец установить F-накрутку, а ко второму подсоединить провода от блока питания, не перепутав полярность. Положительный провод должен прикрепляется к центральной жиле.
Ели нет желания проводить такую процедуру, можно в разветвитель вмонтировать специальный разъем, предназначенный для блоков питания. Он будет снабжать напряжением усилитель через самодельный адаптер.
www.vsedelkin.ru
Усилители для телевизионных антенн своими руками
Антенные усилители могут быть автономными или совмещенными с антенной. Причем, одни усилители работают только в одном поддиапазоне волн, другие — во всех поддиапазонах. В большинстве случаев телезритель приобретает несколько антенных усилителей MB и ДМВ, подключаемых ко входу телевизора через сумматор телевизионных сигналов. В настоящее время используется более совершенная схема включения антенных усилителей — в виде моноблочной конструкции вместе с суммирующим каскадом. По этой схеме выполнено большинство современных антенных усилителей, в том числе выпускаемых и за рубежом. Здесь суммирование сигналов с антенн MB и ДМВ осуществляется в резонансных цепях на входе широкополосного усилителя с коэффициентом усиления до 30…40 дБ в полосе частот от 40 до 800 МГц. Такие усилители размещаются на самой антенне и питаются постоянным током напряжением 12 В от специального выпрямителя непосредственно через коаксиальный кабель снижения. Удобство такого способа питания антенного усилителя очевидно.
Недорого (за $4) можно приобрести двухканальный антенный усилитель типа УТДИ I-III, что расшифровывается как «Усилитель Телевизионный Двухканальный Индивидуального пользования, работающий в I, II и III поддиапазонах MB». Причем, первый канал усиления перекрывает каналы 1 —5, второй 6—12. Усиление каждого канала находится в пределах 6… 10 дБ. Питание усилителя — от сети 220 В, потребляемая мощность 4 Вт.Малогабаритные усилители «Тон 1-12», «Волна 21-60» и «Кубань» стоят от $4 до $5 за штуку. Первый усилитель перекрывает все каналы метрового, второй — все каналы дециметрового, а третий — все каналы метрового и дециметрового диапазонов волн. Как показывает практика, очень удобен в эксплуатации двухканальный антенный усилитель УАТИ-1-У-2 «Кубань». Один канал перекрывает все 12 каналов MB в полосе частот 48,5…230 МГц, обеспечивая усиление около 20 дБ. Второй канал перекрывает полосу частот ДМВ от 470…790 МГц с коэффициентом усиления 18 дБ. Питается усилитель от сети 220 В, потребляемая мощность 2,5 Вт.
radioschema.ru
Активная антенна своими руками. Обзор.
Добавил: STR2013,Дата: 18 Сен 2015Активная антенна – это обычная антенна со встроенным усилителем. Она может быть использована как для приёма, так и для передачи сигнала. Активная антенна может быть выполнена с использованием метода печатного монтажа. Активные антенны из-за их большего усиления по сравнению с обычными антеннами широко используются в различных радиотехнических устройствах. Наиболее часто используют приемные активные антенны, о них мы сегодня и поговорим.
Ферритовая активная антенна на 35 — 150 кГц
В схеме используется провод лакированный в шелковой изоляции (ПЭЛШО) 10 жил, диаметром 0,05 мм каждая. Увеличивая количество витков на 3 — 5, можно перекрыть диапазон от 10 до 40 кГц. При этом необходимо использовать переменный конденсатор с малой начальной ёмкостью.

Провод намотан на оправке длинной 60 мм. И состоит из четырёх секций по 160 витков в каждой. Для антенны используется ферритовый стержень 10 х 200 мм.
Компенсированная ферритовая антенна

В схеме компенсированной ферритовой антенны цифры, указанные рядом с намоткой, означают количество витков. Используется также, как и предыдущей антенне ферритовый стержень размером 10 x 200 мм.
Провод, диаметром 0,1 мм используется для намотки всех секций, за исключением катушки L2, которая наматывается двадцатижильным литцендратом.
Последовательно изменяя ориентацию ферритовой антенны в пространстве и подстраивая переменный дифференциальный конденсатор, а также изменяя расстояние между обмотками L1 и L2,3,4 можно достичь очень хорошей отстройки от пробивающейся нежелательной частоты.
Активная антенна на 1,8 — 30 МГц
В схеме данной антенны катушки второстепенных диапазонов замкнуты накоротко по отношению к рабочему диапазону, чтобы избежать любого проявления эффекта поглощения энергии принятого сигнала. На некоторых диапазонах высокоамплитудные сигналы провоцируют появление помехи на соседних каналах. В этом случае можно воздействовать на соответствующую катушку, параллельно подключив к ней резистор сопротивлением около 10 Ом.
Активная антенна на 0,1 — 30 МГц

Ha схеме данной антенны две цепи LC представляют собой последовательные колебательные контуры, настройка которых сосредоточена в областях частот 800 кГц и 4,5 МГц. Из-за наличия распределенных емкостей катушек индуктивности они также выполняют функции полосовых фильтров между 2,5 — 5 и 12 — 30 МГц соответственно.

Активная антенна на 0,05 — 50 МГц
Схема на двух транзисторах обладает усилением по напряжению менее единицы, но при этом усиление по мощности достаточно для использования маленькой антенны, рассчитанной на низкий входной импеданс приемника.
Осторожно! При использовании более длинной антенны возможно появление искажений за счет перекрестной модуляции.
Избирательный антенный усилитель

Данное устройство работает на частоте до 30 МГц. При необходимо¬сти использования на выходе кабеля необходимо включение каскада с общим коллектором. Линейность характеристики и преселекция сильно уменьшают вероятность паразитной и взаимной модуляций.
Активная антенна с дополнительным усилителем

Дополнительный дифференциальный усилитель, рассмотренный выше, позволяет согласовать его с кабелем, если последний присоединен к отводу катушки и выбран соответствующий ток коллектора.
Усилитель представляет собой цепь с фиксированным коэффициентом усиления, тогда как устройство, изображенное на рисунке ниже, допускает управление усилением через воздействие на ток коллектора транзистора Т2.

Используемая литература:
- Funkamateur, Berlin, 1996г.
- L’Electronique parte Schema, Dunod, Paris, 1994г.
П О П У Л Я Р Н О Е:
- Параболическая 3G антенна за 5 минут
- Простая антенна для 2 м и 70 см диапазонов
- Малогабаритная антенна для FM диапазона своими руками
Простейшая 3G/4G антенна своими руками
В моём загородном доме есть проблемы с подключением из-за низкого уровня сигнала.
В статье ниже, я вам расскажу, как я решил проблему с подключением моего 3G модема бесплатно, всего за 5 минут работы.
Подробнее…
Портативная антенна из коаксиального кабеля для 145МГц и 435МГц
Радиолюбители, работающие на двух УКВ-диапазонах (145МГц и 435МГц) знают как удобно использовать двух-диапазонную антенну. Одну из таких антенн нидерландского радиолюбителя Франка Бремера (PA0FBK), разработанной специально для 2 м и 70 см диапазонов мы сегодня рассмотрим. Она полностью изготовлена из коаксиального кабеля RG58 и является переносной, что иногда очень удобно.
Подробнее…
Укороченная антенна на 88-108МГц.
При сборке радиомикрофона, передатчика или приёмника на диапазон УКВ в качестве антенны удобнее использовать не обычный кусок провода, а антенну, предложенную в этой статье. Она меньше по размерам и эффективнее обычной.Подробнее…
>>
ПОДЕЛИТЕСЬ С ДРУЗЬЯМИ:
Популярность: 8 809 просм.
www.mastervintik.ru












