ул.Симферопольская
дом 5, офис 9
Корзина
Корзина пуста
Области применения ртутных ламп высокого давления. Принцип работы дрл
Схема подключения лампы ДРЛ через дроссель
Дуговая ртутная люминесцентная или люминофорная лампа чаще всего применяется в освещении открытых площадей, сельскохозяйственных территорий, а также производственных или складских помещений, вне зависимости от их размеров.
Правильная схема подключения лампы ДРЛ – гарантия долгой и беспроблемной работы такого современного осветительного прибора.
Устройство лампы ДРЛ
Основной принцип функционирования, а также непосредственно само устройство ДРЛ-ламп, относительно сложные, но именно это и помогает придавать современным осветительным приборам все необходимые качественные характеристики.
Горелка представлена тугоплавкими и обладающими химической стойкостью прозрачными материалами. Хорошо зарекомендовали себя современное кварцевое стекло или керамическое исполнение устройства. Внутренняя часть заполняется инертными газами с добавлением минимального количества ртути металлического типа.

Схема устройства лампы
В процессе подачи напряжения наблюдается возникновение тлеющего разряда, переходящего через определенный промежуток света в дуговой. Ограничение тока происходит при помощи сопротивления пускорегулирующих устройств.
Электрическим разрядом обуславливается появление хорошо различимого голубого или фиолетового излучения, возбуждающего свечение слоя люминофора, расположенного с внутренней стороны светопрозрачного баллона лампы.
В процессе горения отмечается сильный нагрев лампы, поэтому такой источник освещения применяется в приборах, оснащаемых термостойкими проводами и высококачественными патронами. Благодаря особому устройству, ДРЛ-лампа обладает высокими показателями световой отдачи, а также характеризуется повышенной устойчивостью к негативным внешним воздействиям.
Стабильная работоспособность сохраняется вне зависимости от внешних температурных показателей.
Стандартная мощность всех выпускаемых на сегодняшний день осветительных ДРЛ-приборов:- 80Вт;
- 225Вт;
- 250Вт;
- 400Вт;
- 700Вт;
- 1000 Вт.
Средний срок эксплуатации качественного осветительного прибора этого типа от хорошо зарекомендовавших себя производителей составляет 10 тысяч часов. Некоторые недостатки, которыми характеризуется дуговая ртутная люминесцентная или люминофорная лампа, делают невозможным широкое применение такого источника света в жилых помещениях.
Важно помнить, что в процессе функционирования ДРЛ-лампы интенсивно образуется озон, поэтому в помещениях, освещаемых такими приборами, необходимо обеспечивать достаточную по производительности вентиляционную систему.
Основные функциональные части обычной лампы ДРЛ
Главные элементы современной дуговой ртутной люминесцентной или люминофорной лампы:
- цокольное основание, подключаемое к патрону осветительного прибора;
- кварцевая горелка, являющаяся центральным механизмом осветительного прибора;
- стеклянный баллон, служащий основной защитной оболочкой всех внутренних элементов.
Как и большинство традиционных ламп, ртутно-люминесцентный источник освещения представляет собой стеклянный баллон, в нижней части которого устанавливается цоколь с резьбой. Свечение происходит за счёт наличия ртутно-кварцевой горелки, которая имеет форму трубки и заполняется смесью на основе аргона и ртути.
Четырех-электродные лампы оснащаются основными и дополнительными электродами, которые соединяются с главными катодами посредством противоположных полярностей при наличии дополнительного угольного резистора. Добавочные электроды не только стабилизируют работу осветительного прибора, но также способствуют значительному упрощению процесса зажигания.
Основной функцией цокольной части является прием сетевой электроэнергии посредством точечного и резьбового элемента с контактов патрона, который вмонтирован в осветительный прибор.
На следующем этапе осуществляется передача электрической энергии на электроды.
Внутри кварцевой колбы присутствует пара ограничителей сопротивления, которые включены в одну цепь с дополнительными электродами.
Особенностью внутренней поверхности стеклянной колбы является слой люминофора, который и отвечает за свечение.
При выборе ДРЛ-лампы нужно обращать внимание на параметры, представленные напряжением питания, мощностью, световым потоком, продолжительностью свечения, видом цокольной части, габаритами и общим весом изделия.
Материал для ламп
Конструкцией ртутно-люминесцентного источника освещения предусматривается обязательное наличие стандартной стеклянной колбы, которая выступает в качестве барьера, отделяющего любые внешние неблагоприятные факторы от функциональной части, а также предотвращает их остывание.
Кроме всего прочего, на внутреннюю поверхность баллона наносится тонкий слой люминофора, легко преобразующего ультрафиолетовое излучение в красный спектр свечения.
Объединенные синие, красное и зеленое излучение обуславливают получение в результате традиционного белого свечения.
Схема подключения лампы ДРЛ через дроссель
Одним из основных отличий ДРЛ-ламп от остальных осветительных приборов является подключение к электрической сети посредством пускорегулирующей аппаратуры или ПРА, представленной дросселем. Это стабилизирующее устройство способствует преобразованию номинального сетевого напряжения в пусковое. Отсутствие дросселя спровоцирует практически мгновенное перегорание лампочки при включении.
Схематично такой вариант подключение можно представить в виде последовательного подсоединения дуговой ртутной люминесцентной или люминофорной лампы при помощи дросселя к электрической сети.

Схема подключения лампочки через дроссель
В большинстве своём, все современные и качественные светильники, относящиеся к категории ртутно-люминесцентных ламп, характеризуются наличием уже встроенной пускорегулирующей аппаратуры. Такие модели несколько дороже стандартных светильников.
Бюджетные модели необходимо снабжать дросселем самостоятельно. Любые дроссели функционируют в качестве стабилизатора, а также эффективно корректируют работу осветительного прибора.
Благодаря правильной работе пускорегулирующей аппаратуры, ртутно-люминесцентные лампы в процессе эксплуатации не мигают и работают в непрерывном режиме даже при наличии нестабильного входящего напряжения.
Следует отметить, что дроссель вырабатывает заложенный производителем ресурс в процессе эксплуатации значительно быстрее, чем сам ртутно-люминесцентный светильник, поэтому умение самостоятельно выполнить замену такого пускорегулирующего устройства очень актуально.
Заключение
Столбовые осветительные приборы, относящиеся к категории дуговых ртутных люминесцентных или люминофорных ламп, являются долговечным, очень эффективным и достаточно экономичным оборудованием, которое удачно сочетает в себе мощность и декоративный внешний вид.Владельцами загородной недвижимости такие современные источники света ценятся очень высоко за возможность получить качественное освещение с минимальными затратами времени и денежных средств.
Видео на тему
proprovoda.ru
Принцип работы дрл - Всё о электрике в доме
Что такое лампа ДРЛ?
Несмотря на появление альтернативных источников света, лампа ДРЛ по-прежнему остается одним из самых востребованных решений, используемых для освещения производственных помещений и улиц. В этом нет ничего удивительного, если учесть преимущества данного осветительного прибора:
продолжительный срок службы, особенно при непрерывной работе (присуще всем газоразрядным лампам) ;- высокий коэффициент полезного действия и значительный световой поток;
- достаточная надежность всех узлов.
Считалось, что с появлением натриевых альтернатив лампа ДРЛ утратит свои позиции, однако этого не произошло. Хотя бы потому, что ее белый спектр света более естественен для человеческого глаза, чем оранжевый оттенок светового потока натриевых решений.
Что же такое лампа ДРЛ?
Аббревиатура «ДРЛ» расшифровывается очень просто – дуговая ртутная лампа. Иногда добавляют поясняющие термины «люминесцентная» и «высокого давления». Все они отражают одну из особенностей данного решения. В принципе, говоря «ДРЛ», можно особо не переживать, что может быть допущена ошибка в трактовке. Эта аббревиатура давно стала нарицательной, фактически, вторым названием. Кстати, иногда можно увидеть выражение «лампа ДРЛ 250». Здесь число 250 означает потребляемую электрическую мощность. Довольно удобно, так как можно подобрать модель под
существующую пусковую аппаратуру.
Принцип работы и устройство
Лампа ДРЛ не является чем-то принципиально новым. Принцип генерации невидимого глазом ультрафиолетового излучения в газовой среде при электрическом пробое известен давно и с успехом используется в люминесцентных трубчатых колбах (вспоминаем «экономки» в наших квартирах). Внутри лампы в среде инертного газа с добавлением ртути находится трубка из кварцевого стекла, выдерживающая высокие температуры. При подаче напряжения сначала возникает дуга между двумя близко расположенными электродами (рабочий и зажигательный). При этом начинается процесс ионизации, проводимость промежутка растет и при достижении определенного значения происходит переключение дуги на основной электрод, находящийся с противоположной стороны кварцевой трубки. Зажигательный контакт при этом из процесса выходит, так как подключен через сопротивление, а, значит, ток на нем ограничен.
Основное излучение дуги приходится на ультрафиолетовый диапазон, который преобразуется в видимый свет слоем люминофора, нанесенным на внутреннюю поверхность колбы.
Таким образом, отличие от классической люминесцентной лампы в особом способе разжигания дуги. Дело в том, что для начала ионизации необходим первоначальный пробой газа. Раньше импульсные электронные устройства, способные создать достаточно высокое напряжение для пробоя всего промежутка в кварцевой трубке, не обладали достаточной надежностью, поэтому разработчики в 1970 годах пошли на компромисс – разместили в конструкции дополнительные электроды, розжиг между которыми происходил при сетевом напряжении. Предвидя встречный вопрос о том, почему в лампах-трубках разряд, все-таки, создается с помощью дроссельной катушки, ответим – все дело в мощности. Потребление трубчатых решений не превышает 80 Ватт, а ДРЛ не бывает менее 125 Вт (достигая 400). Различие ощутимо.
Схема подключения лампы ДРЛ очень похожа на решение, используемое для розжига трубчатых люминесцентных осветительных приборов. Она включает в себя последовательно присоединенный дроссель (ограничение электрического тока), параллельно включенный конденсатор (устранение помех в сети) и предохранитель.
10 очаровательных звездных детей, которые сегодня выглядят совсем иначе Время летит, и однажды маленькие знаменитости становятся взрослыми личностями, которых уже не узнать. Миловидные мальчишки и девчонки превращаются в с.
Как выглядеть моложе: лучшие стрижки для тех, кому за 30, 40, 50, 60 Девушки в 20 лет не волнуются о форме и длине прически. Кажется, молодость создана для экспериментов над внешностью и дерзких локонов. Однако уже посл.
Наши предки спали не так, как мы. Что мы делаем неправильно? В это трудно поверить, но ученые и многие историки склоняются к мнению, что современный человек спит совсем не так, как его древние предки. Изначально.
Каково быть девственницей в 30 лет? Каково, интересно, женщинам, которые не занимались сексом практически до достижения среднего возраста.
10 загадочных фотографий, которые шокируют Задолго до появления Интернета и мастеров «Фотошопа» подавляющее большинство сделанных фото были подлинными. Иногда на снимки попадали поистине неверо.
Эти 10 мелочей мужчина всегда замечает в женщине Думаете, ваш мужчина ничего не смыслит в женской психологии? Это не так. От взгляда любящего вас партнера не укроется ни единая мелочь. И вот 10 вещей.
Общая информация о лампах ДРЛ
Для освещения улиц, цехов промышленных предприятий и других объектов, не требующих высокого качества цветопередачи, применяются ртутные лампы высокого давления типа ДРЛ (дуговая ртутная люминофорная).

Рисунок 1. Схема устройства лампы ДРЛ.
Устройство: Лампа ДРЛ (рис. 1) состоит из стеклянного баллона 1, снабженного резьбовым цоколем 2. В центре баллона укреплена ртутно-кварцевая горелка (трубка) 3, заполненная аргоном с добавкой капли ртути. Четырех электродные лампы имеют главные катоды 4 и дополнительные электроды 5, расположенные рядом с главными катодами и подключенные к катоду противоположной полярности через добавочный угольный резистор 6.
Дополнительные электроды, облегчают зажигание лампы и делают ее работу более стабильной.
А теперь поподробней:
Схема 2. Включение дросселя.
- Цоколь представляет собой простую конструкцию, которая позволяет принимать электроэнергию от электрической сети за счёт контактирования токоведущих частей лампы ДРЛ (одна из которых резьбовая, а вторая — точечная) с электрическими контактами патрона светильника. В результате чего осуществляется передача электроэнергии на электроды горелки.
- Горелка (кварцевая) — это, пожалуй, основная функциональная часть ДРЛ лампы. Горелка представляет собой кварцевую колбу, у которой по сторонам имеются по два электрода. Два из них основных и два — дополнительные. Внутреннее пространство кварцевой горелки заполнено газом «аргоном» и ртутью (маленькая капелька ртути).
- Колба (стеклянная) — является внешней частью ДРЛ лампы. В неё помещена сама кварцевая горелка лампы, к которой подходят электрические проводники, идущие от контактного цоколя. Из стеклянной колбы откачивается весь воздух, после чего закачивается азот. Ещё в стеклянной колбе располагаются два ограничивающих сопротивления (стоящие в цепи дополнительных электродов). Колба лампы ДРЛ с внутренней стороны имеет люминофор.
Одни из первых ламп ДРЛ имели в своей конструкции только два электрода. Это ухудшало условия для совершения поджога лампы и требовало дополнительное устройство пуска (импульсный высоковольтный пробой промежутка горелки). Такая разновидность ламп ДРЛ была снята с производства и заменёна на 4-х электродный вариант. Нуждается только в дросселе.
Принцип действия
Горелка (РТ) лампы изготавливается из тугоплавкого и химически стойкого прозрачного материала (кварцевого стекла или специальной керамики), и наполняется строго дозированными порциями инертных газов. Кроме того, в горелку вводится металлическая ртуть, которая в холодной лампе имеет вид компактного шарика, или оседает в виде налёта на стенках колбы и (или) электродах. Светящимся телом РЛВД является столб дугового электрического разряда.
Схема 3. Ввод трансформатора.
Процесс зажигания лампы, оснащённой зажигающими электродами, выглядит следующим образом. При подаче на лампу питающего напряжения между близко расположенными основным и зажигающим электродом возникает тлеющий разряд, чему способствует малое расстояние между ними, которое существенно меньше расстояния между основными электродами, следовательно, ниже и напряжение пробоя этого промежутка. Возникновение в полости РТ достаточно большого числа носителей заряда (свободных электронов и положительных ионов) способствует пробою промежутка между основными электродами и зажиганию между ними тлеющего разряда, который практически мгновенно переходит в дуговой.
Стабилизация электрических и световых параметров лампы наступает через 10 — 15 минут после включения. В течение этого времени ток лампы существенно превосходит номинальный и ограничивается только сопротивлением пускорегулирующего аппарата. Продолжительность пускового режима сильно зависит от температуры окружающей среды: чем холоднее, тем дольше будет разгораться лампа.
Электрический разряд в горелке ртутной дуговой лампы создаёт видимое излучение голубого или фиолетового цвета, а также мощное ультрафиолетовое излучение. Последнее возбуждает свечение люминофора, нанесённого на внутренней стенке внешней колбы лампы. Красноватое свечение люминофора, смешиваясь с бело-зеленоватым излучением горелки, даёт яркий свет, близкий к белому.
Схема включения лампы ДРЛ.
Изменение напряжения питающей сети в большую или меньшую сторону вызывает соответствующее изменение светового потока. Отклонение питающего напряжения на 10 — 15 % допустимо и сопровождается изменением светового потока лампы на 25 — 30 %. При уменьшении напряжения питания менее 80 % номинального, лампа может не зажечься, а горящая — погаснуть.
При горении лампа сильно нагревается. Это требует использования в световых приборах с дуговыми ртутными лампами термостойких проводов, предъявляет серьёзные требования к качеству контактов патронов. Поскольку давление в горелке горячей лампы существенно возрастает, увеличивается и напряжение её пробоя. Величина напряжения питающей сети оказывается недостаточной для зажигания горячей лампы. Поэтому перед повторным зажиганием лампа должна остыть. Этот эффект является существенным недостатком дуговых ртутных ламп высокого давления, поскольку даже весьма кратковременный перерыв электропитания гасит их, а для повторного зажигания требуется длительная пауза на остывание.
Общие сведения: Лампы ДРЛ имеют высокую светоотдачу. Они устойчивы к атмосферным воздействиям, зажигание их не зависит от температуры окружающей среды.
- лампы типа ДРЛ выпускаются мощностью 80, 125, 250, 400, 700, 1000 Вт;
- средний срок службы 10000 часов.
Важным недостатком ламп ДРЛ является интенсивное образование озона в процессе их горения. Если для бактерицидных установок это явление обычно оказывается полезным, то в других случаях концентрация озона вблизи светового прибора может существенно превышать допустимую по санитарным нормам. Поэтому помещения, в которых используются лампы ДРЛ, должны иметь соответствующую вентиляцию, обеспечивающую удаление избытка озона.
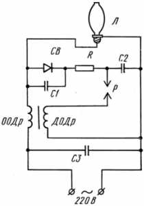
О0Др-основная обмотка дросселя, Д0Др-дополнительная обмотка дросселя, С3-помехоподавляющий конденсатор, СВ-селеновый выпрямитель, R-зарядный резистор, Л-двухэлектродная лампа ДРЛ, Р-разрядник.
Включение: Включение ламп в сеть осуществляется с помощью ПРА (пуско-регулирующей аппаратуры). В обычных условиях последовательно с лампой включается дроссель (схема 2), при очень низких температурах (ниже -25°C) в схему вводится автотрансформатор (схема 3).
При включении ламп ДРЛ наблюдается большой пусковой ток (до 2,5·Iном). Процесс разгорания лампы длится до 7 минут и более, повторное включение лампы возможно лишь после ее остывания (10-15 минут).
- технические данные лампы ДРЛ 250Мощность, W — 250;
- ток лампы, A — 4,5;
- тип цоколя — E40;
- световой поток, Lm — 13000;
- светоотдача, Lm/W — 52;
- цветовая температура, К — 3800;
- срок горения, ч — 10000;
- индекс цветопередачи, Ra — 42.
ДРВ, ДРВЭД
На базе ламп ДРЛ разработаны и выпускаются металлогалоидные лампы, в которые вводят различные йодиды металлов, что позволяет получить соответствующую цветность видимых излучений и повысить экономичность работы лампы. Освоен выпуск ламп ДРВ, ДРВЭД со встроенным активным балластом. Такие лампы включаются, как обычные лампы накаливания .
Лампы ДРЛ: что это такое?
Вот что означает ДРЛ:
- Д – дуговая;
- Р – ртутная;
- Л – люминесцентная (либо люминофорная).
Конструкция ДРЛ
Это одна из распространённых конструкций электрических ламп. Принцип её действия основан на явлении электрического разряда в газе, протекающем при большом давлении в колбе. Это позволяет получать источник излучения на подобии спирали в лампе накаливания. Но им является не раскалённая вольфрамовая спираль, а яркий шнур светящихся паров ртути, который словно натянут между двумя электродами.
Такой источник света появляется только при достаточно большом давлении в колбе. Это самая настоящая вольтовая дуга. которая и определила первое слово названия лампы. Глядя на лампу видно цоколь с резьбой и эллиптическую совершенно непрозрачную белую внешнюю колбу, внутри которой находится устройство, выполняющее все главные функции и не видимое снаружи.
Это ртутно-кварцевая горелка. Она определила второе слово из названия.
Именно в ней появляется вольтова дуга. Электроды, между которыми она возникает, изготовлены из тугоплавкого сплава и расположены на концах трубки из кварца. Их качество и время жизни в основном и определяют ресурс лампы в целом. Горелки могут быть либо с двумя, либо с тремя — четырьмя электродами. Двухэлектродные горелки начинают свечение после подачи на электроды импульса напряжения способного пробить искровой промежуток между ними.
Это упрощает конструкцию горелки, но усложняет схему балласта (изображение слева). Недостатком двухэлектродной схемы также является зависимость от влажности окружающего воздуха. В сырую погоду пробой может происходить в цоколе лампы, и она не сможет зажечься. Также и повторный запуск лампы с двухэлектродной горелкой наиболее затянут во времени.
Переходные процессы
Дело в том, что лампы ДРЛ не могут быстро достигать своего номинального режима излучения света. Причина этого явления кроется в процессах, которые происходят в горелке после пробоя искрового промежутка. Основой излучения горелки является ртуть. А этот металл при обычных условиях окружающей среды пребывает в жидком виде и концентрация его паров при первом включении горелки близка к вакууму. А если температура воздуха, ниже нуля глубина этого вакуума увеличивается ещё больше.
Для поддержания пробиваемости искрового промежутка в широком диапазоне температур в горелку добавляется аргон. После пробоя промежутка между электродами в нем появляется свечение из-за электротока между электродами. Если течёт ток, значит, выделяется тепло. Горелка нагревается, а вместе с ней и ртуть осевшая на внутренней поверхности колбы горелки. Количество паров увеличивается, электроток, и яркость свечения тоже усиливаются.
Этот процесс длится в зависимости от начальной температуры окружающей среды и может быть дольше 5-10 минут для ламп большой мощности. Ртуть поначалу полностью испаряется, а затем её пары нагреваются. Когда давление внутри колбы горелки достигает максимального значения, определяемого силой тока вольтовой дуги, яркость света горелки стабилизируется. Параметры стабильного свечения ДРЛ определяются и горелкой и балластом.
Но если напряжение питания вдруг пропадёт на время большее, чем временные параметры ЭДС самоиндукции балласта, лампа погаснет. А поскольку давление в ней может быть около 100 килопаскаль, пробить такой искровой промежуток напряжением запуска лампы невозможно. Она должна остыть. Но перепад температуры внешней колбы происходит примерно от 400 градусов Цельсия до температуры окружающей среды. А горелка внутри неё находится в разрежённом азоте при почти идеальной термоизоляции.
Горелка в номинальном режиме разогревается до 800 – 900 градусов Цельсия. Поэтому лампа остывает довольно долго примерно, столько же сколько и запускается. А пробой нагретых паров ртути между двумя электродами невозможен. Поэтому двухэлектродная горелка остывает дольше четырёх — электродной. Это ещё один её недостаток. В четырёх – электродной горелке около каждого из основных электродов расположен один дополнительный.
Он через резистор соединён с шиной противоположного потенциала. Поэтому между основным и дополнительным электродом получается небольшой искровой промежуток, легко пробиваемый напряжением питания лампы. А схема включения четырёх – электродной лампы состоит из обычного дросселя и самой лампы:
Цветопередача и разновидности конструкции
Конденсатор, улучшающий запуск лампы, конструктивно объединяется с дросселем в одном корпусе. Схема б) применяется для местности с холодным климатом и сильными морозами в зимнее время. Однако, несмотря на яркость вольтовой дуги, она в парах ртути создаёт видимый свет неприемлемой цветопередачи с преобладанием синих оттенков.
Поэтому ультрафиолетовое излучение горелки преобразуется в видимый свет люминофором. Он наносится на внутреннюю часть колбы лампы. Люминофор и его люминесценция определили третье слово в названии лампы. Но, несмотря на люминесценцию аналогичную трубчатым и цокольным «энергосберегающим» лампам с тлеющим разрядом в парах ртути в ДРЛ невозможно получить качественный свет. Горелка светит слишком ярко, и её спектр накладывается на спектр люминофора. Да и задержки с включением и остыванием лампы делают её неприемлемой для использования в быту — максимум в гараже для наружного освещения.
Поэтому в составе аварийного освещения их использование также не приемлемо. ДРЛ лучше всего применять для освещения больших площадей особенно под открытым небом и при перепаде температур в диапазоне от – 40 до +40. Для качественной уличной подсветки применяются специализированные ДРЛ. В них балласт заменяет резистор, выполненный в виде вольфрамовой спирали. Он размещён внутри вакуумированной внешней колбы вместе с горелкой.
Совместное излучение света вольфрамовой спиралью, люминофором и горелкой обладает хорошей цветопередачей. Но такая конструкция лампы получается менее надёжной и долговечной, поскольку срок службы лампы определяет вольфрамовая спираль. Основные характеристики ДРЛ приведены на изображении ниже:
Лампы ДРЛ это недорогой и надёжный источник яркого белого света. Поэтому для них всегда найдётся место работы, где они окажутся наиболее эффективными.
Источники: http://fb.ru/article/68079/chto-takoe-lampa-drl, http://fazaa.ru/osveshhenie/lampy-drl-obshhaya-informaciya.html, http://podvi.ru/svetotexnika/drl-lampy.html
electricremont.ru
Подключение дрл через конденсатор. Горят дрл
и Помимо прочего попробую предположить, что включение и выключение происходит не всегда четко. и случаются ложные срабатывания. То есть дергает. То включит, то отключит. На глаз может быть не видно, ДРЛ запускает не мгновенно, но если при включении фотореле не четко фиксирует что достаточно уже стемнело и передергивает, раз два, три то это будет изменением режима запуска. То же и при выключении. Просто вариант к левым дросселям. Видел нечто подобное на лестничном освещении, глаз реле засвечивался светом ламп и оно дергало. Иногда минут по пять, пока до него доходило, что уже темно. На лампах накаливания это видно. А вообще стоило бы проконтролировать если есть возможность и есть чем, форму чем питается и в рабочем режиме и в режиме запуска, Конечно не предлагаю лезть на столб с осцилографом.. Но. -20 dB , а была темка про лампы, по моему в электронике от а до я, года полтора назад если не вру. Там в основном про УФ, но затрагивали и обычные и ДРЛ. И вообще ртутные высокого давления, по моему даже паспорта кто то выкладывал. Говорилось и про бездроссельное включение и надежность причинами отказов. Стиралку ПЗУ когда то и я делал, и кустарную проверялку денег, Скажу та них эти поджиговые колбы не дохнут, но там и режим не совсем тот. А вот годятся для них колбы и от дохлых ДРЛок. Так что видимо отказ ламп, не только в поджиге. Они перестают работать, как целое. Я с ДРЛ не возился, только с их инициаторами. m.ix , металлический налет, при выходе на режим он почти весь испаряется. То ли сами электроды испаряет потом осаждает на стекло, то ли ртуть помогает, сначала растворяет, а затем переносит, не знаю. Но с нагревом этот налет почти уходит. Когда то с этими УФ наигрался вдоволь, глаза себе попалил капитально, несмотря на очки. И позже бывало. до слезания кожи с нежных участков (нос )ДОБАВЛЕНО 11/18/2009 08:33
m.ix , твою идею про длинную линию я понял. Не знаю, вряд ли. Вот с тонким проводом... Но с длинной линией думаю нет, не сопоставимы уровни того чем от длинны обогатится то что по проводу идет и те напруги, что требует ДРЛ. Тем более (правда не скажу на каком именно расстоянии допустима установка пускорегулирующих устройств для ДРЛ) на практике часто вижу, что ставится все достаточно отдаленно. Хотя на сечение провода стоило бы внимание обратить и не только от лампы до дросселя, но и вообще, то есть к дросселю от щита или что там. С пробоем и изоляцией ты тоже не прав, там где пробьет, уже не зарастет и выгорит в считанные дни если не часы, особенно при сырой погоде.
Широко используются дуговые ртутные люминофорные (ДРЛ) лампы высокого давления. Они применяются в производственных помещениях и на других объектах, не требующих качественной цветопередачи. Принцип работы ДРЛ лампы достаточно сложен, однако это позволяет придать осветительным приборам необходимые характеристики. Чтобы понять, как работает такая лампочка, нужно хорошо знать ее конструкцию.
Устройство лампы ДРЛ
Стандартная лампа ДРЛ состоит из стеклянной колбы, у которой снизу установлен цоколь с резьбой. Освещение происходит с помощью ртутно-кварцевой горелки, выполненной в виде трубки. Внутренняя часть трубки заполнена аргоном и небольшим количеством ртути.
У каждой лампы ДРЛ расшифровка аббревиатуры соответствует полному названию дуговых ртутных ламп. В более ранних конструкциях символ Д означал дроссель или лампу, где используется дроссель. В настоящее время используются бездроссельные лампы ДРЛ, доступные многим потребителям. Поэтому в связи с изменениями функциональности, в маркировке лампы ДРЛ расшифровка буквы Д была изменена.
Самые первые лампочки этого типа были оборудованы лишь двумя электродами. В связи с этим для их запуска требовалось дополнительное крупногабаритное устройство поджога, работающего за счет высоковольтного импульсного пробоя газового промежутка горелки. Эти лампочки были постепенно сняты с производства и заменены четырехэлектродными конструкциями, запускающимися только с помощью дросселя.

В четырехэлектродной лампочке имеются основные и дополнительные электроды. Соединение электродов с главными катодами осуществляется путем соединения противоположных полярностей добавочным угольным резистором. Применение дополнительных электродов позволяет стабилизировать работу лампы и значительно упростить ее зажигание.
Основная функция заключается в приеме электрической энергии из сети че
levevg.ru
Схема подключения лампы ДРЛ
Содержание:
- Устройство лампы ДРЛ
- Схема подключения лампы ДРЛ через дроссель
- Подключение лампы ДРЛ без дросселя
- Видео: Как подключить дроссель
Дуговая ртутная лампа (ДРЛ) имеет еще одно название – дуговая ртутная люминофорная. Они относятся к категории лампочек высокого давления и используются, в основном, как общее освещение территорий с большими объемами: улиц, площадок, производственных помещений и др. Схема лампы ДРЛ позволяет получить высокую светоотдачу. Мощность колеблется в пределах от 50 до 2000 ватт, они работают при переменном токе, напряжением 220 вольт и частотой 50 герц.
Для того, чтобы согласовать технические характеристики с источником питания, во всех видах ртутных ламп применяются пускорегулирующие аппараты, позволяющие правильно подключить лампу ДРЛ. Большинство приборов освещения запускается дросселем, который последовательно включается в цепь вместе с лампочкой.
Устройство и принцип работы ДРЛ
Классическая лампа ДРЛ состоит из основных электродов, поджигающих или дополнительных электродов, вводных частей электродов, специального газа, позисторов и ртути. В качестве газа используется аргон, производящий начальную ионизацию и способствующий получению дугового разряда. Аргон еще называют буферным газом. С помощью позисторов ограничивается ток поджигающих электродов. Ртуть применяется для изменения величины потенциала при разряде.

Основные функциональные части обычной ДРЛ
- Цоколь, непосредственно принимающий электроэнергию из сети. Его контакты - точечный и резьбовой, соединяются с контактами патрона. Таким образом, переменный ток поступает на электроды лампы.
- Кварцевая горелка представляет собой основную часть. Изготавливается в виде колбы с расположенными по бокам четырьмя электродами, в том числе, два из них - основные, а два других – дополнительные. Пространство внутри горелки заполняется аргоном с целью недопущения теплообмена, а также небольшим количеством ртути.
- Стеклянная колба является внешней частью. У нее внутри размещается кварцевая горелка, к которой подводятся проводники от цоколя. Вместо воздуха внутрь колбы закачивают азот. Внутренняя сторона колбы покрывается люминофором.
Принцип работы ДРЛ довольно простой. Питание осуществляется от сетевого напряжения. После того как было выполнено подключение лампы ДРЛ, электрический ток начинает доходить до промежутка между обеими парами электродов, расположенными на противоположных концах лампы. Незначительное расстояние между ними способствует быстрой ионизации газа. Вначале газ ионизируется между поджигающими электродами, затем ток поступает к основным электродам и по окончании этого процесса лампа начинает излучать свет.
Полное свечение лампы начинается приблизительно через 7-10 минут. Данный промежуток времени требуется для разогрева ртути, расположенной в виде налета или сгустка на внутренних стенках колбы. Во время эксплуатации срок службы ламп постепенно сокращается, а период, необходимый для полного включения – увеличивается.

Горелка изготовлена из прозрачного материала – кварцевого стекла, заполнена инертными газами в строго определенных дозах. Вводимая в горелку ртуть, может иметь вид небольшого шарика, а также оседает на стенках и электродах в виде налета. Источником света является дуговой электрический разряд.
Схема лампы ДРЛ входит в общую схему подключения через дроссель. Марка дросселя должна соответствовать мощности лампы. Основное назначение дросселя – ограничение тока, поступающего на лампочку. В случае отсутствия дросселя лампа мгновенно перегорит, поскольку внешний электроток для нее слишком большой. Обычно в схему еще добавляют конденсатор, влияющий на реактивную мощность при запуске, что позволяет почти в два раза экономить электроэнергию.
Наибольшее свечение происходит, примерно, через 6-7 минут. Это время необходимо, чтобы перевести ртуть в газообразное состояние, улучшающее разряд между электродами. После этого лампа переходит в нормальный рабочий режим с наибольшей светоотдачей. После выключения лампочки, ее нельзя включать до полного остывания.
Схема подключения лампы ДРЛ через дроссель
Существует множество объектов, где требуются приборы освещения с высокой мощностью свечения. Одновременно они должны быть экономичными, обладать продолжительным сроком эксплуатации. Этим требованиям в полной мере соответствуют лампы ДРЛ. Мощность ламп ДРЛ находится в пределах 50-2000 Вт, для их работы необходима однофазная сеть на 220 В и частотой 50 Гц.

Важнейшей деталью ДРЛ является дроссель, без которого они просто не смогут работать. Дело в том, что в процессе запуска и последующей работы, данные осветительные приборы попадают под влияние непостоянных пусковых токов и сопротивлений. Поэтому для ограничения рабочего тока, осуществляется подключение ДРЛ через дроссель, представляющий собой разнородный балласт в виде катушек индуктивности. В момент запуска они обладают высоким сопротивлением. При разжигании лампы в газовой среде наступает электрический пробой, приводящий к возникновению дугового разряда.
В процессе зажигания лампы, ионизированный газ под действием дугового разряда теряет свое сопротивление во много раз. По этой причине происходит возрастание тока с одновременным выделением тепла. Если величину тока не ограничить, под его действием мгновенно возникнет перегретая газовая среда. Внутренние детали окажутся поврежденными, и осветительный прибор полностью выйдет из строя. Для предотвращения негативных последствий используется схема подключения лампы ДРЛ вместе с дросселем, создающим необходимое сопротивление.
Подключение лампы ДРЛ через дроссель, подключается последовательно с лампой. Его реактивное сопротивление тесно связано с параметрами катушки индуктивности. То есть, 1 генри индуктивности способен пропустить 1 А тока при напряжении 1 В. Основными характеристиками катушки являются площадь сечения медного проводника и количество его витков, а также материал сердечника и поперечное сечение магнитопровода. Большое значение имеет величина электромагнитного насыщения.
Следует учитывать, что катушка индуктивности обладает и активным сопротивлением. Это необходимо учитывать при расчетах балласта к каждому типу лампочек ДРЛ, поскольку от мощности светильника будут зависеть размеры самого дросселя. Для более правильного подключения дросселя к ДРЛ, следует рассмотреть простейшую схему, обеспечивающую появление тлеющего разряда и его дальнейший переход в электрическую дугу. Такое подключение дает возможность с помощью индуктивности дросселя ограничить рабочий ток в светильнике до нужного значения. В этом случае гарантируется продолжительная устойчивая работа лампы, без их-либо сбоев.

Подобная схема включения лампы ДРЛ считается наиболее простой. В ее состав входит сама лампа и дроссель, соединенные последовательно между собой. Получившаяся цепь подключается к электрической сети 220 В со стандартной частотой 50 Гц. Таким образом, светильники ДРЛ могут без проблем использоваться и в домашних условиях. Дроссель для ламп ДРЛ в данной схеме выполняет функции стабилизатора и корректировщика работы. Его использование позволяет точно ответить на вопрос, почему моргают лампы ДРЛ без дросселя, поскольку именно этот прибор обеспечивает ровный и устойчивый свет. Без него невозможно нормальное подключение и запуск рабочего процесса.
Подключение лампы ДРЛ без дросселя
Иногда ДРЛ без дросселя может быть запущена с применением специальной технологии. Это делается в тех случаях, когда прибор вышел из строя, а заменить его в данный момент нечем. Вместо дросселя можно использовать обычную лампу накаливания, обладающей такой же мощностью, что и ДРЛ и обеспечивающей необходимое сопротивление. Другой вариант предполагает установку одного или нескольких конденсаторов. Здесь потребуются точные расчеты выдаваемого ими тока, полностью соответствующему необходимому напряжению для работы.
В последнее время появились специальные лампы ДРЛ-250, работающие без дросселя. В их конструкции присутствует спираль определенного типа, выполняющая функции стабилизатора и дополнительно разбавляющая излучаемый световой поток.
Иногда светильник после подключения отказывается работать или работает неправильно. В этом случае лампу нужно протестировать и убедиться в ее работоспособности. Для этого используются омметр или тестер, с помощью которых все обмотки проверяются на разрыв или короткое замыкание. При их обнаружении прибор будет показывать ненормальное значение.
electric-220.ru
Лампа ДРЛ (ртутный светильник): подключение, как подключить?
СодержаниеРтутные лампы высокого давления общего назначения (ДРЛ) предназначаются для светильников внутреннего и наружного освещения, электрических сетях с частотой 50 Гц и напряжением 220 вольт.
Для их использования необходима соответствующая пускорегулирующая аппаратура.
Области применения
Лампа ДРЛ обладает высокой световой отдачей, устойчивостью к колебаниям напряжений сети, дешевизной пускорегулирующей аппаратуры, для которой не требуются импульсные зажигающие устройства, а также длительностью срока службы.

Схема лампы ДРЛ
Ее используют, чтобы осветить:
- улицы;
- площади;
- промышленные цехи;
- складские помещения.
к меню ↑
Как работают лампы ДРЛ?
Изначально лампы ДРЛ имели два электрода. Это требовало еще одного устройства пуска — высоковольтной импульсной пробы промежутка горелки. Разновидность была снята с производства, ее заменили на 4 электродный вариант. Для совершения поджога нужно подключить дроссель.
Главным предназначением этого элемента электрической схемы является снижение за определенный период времени влияние токов диапазона. Дроссель — это разновидность катушки индуктивности.
Для работы используется переменный сетевой ток. Он направляется к промежутку дополнительного и основного электродов, которые располагаются с одного бока горелки на такую же пару электродов, они находятся на другом боку кварцевой горелки. Подключаемый ток сосредотачивается в промежутке между основными электродами горелки, они находится на противоположных боках.
Расстояние между электродами достаточно мало. Благодаря этому промежутку, газ легко ионизировать, подав на него нужную величину напряжения. Ток, который возник после пробоя на участке, ограничивается электрическим сопротивлением. Находится оно в электрической цепи вспомогательных электродов, которые стоят перед входом проводников в горелку.

Лампа ДРЛ и самодельный дроссель
Разряд переходит на участок между электродами кварцевой горелки, как только на концах ее началась ионизация. Далее происходит горение.
Лампа дрл выходит на максимальный режим горения после 7 минут. Происходит это из-за того, что не разогретая ртуть находится под видом налета или капельки на стенках колбы. После произведения пуска, ртутный комочек под действием температуры испаряется, постепенно происходит улучшение разряда между рабочими электродами.
После превращения ртути в газообразное состояние, лампа выходит на свой номинальный режим работы. Нужно помнить, что после выключения повторное включение не произойдет до тех пор, пока лампа полностью не остынет.
Лампа очень чувствительная к температуре, поэтому ей нужна внешняя стеклянная колба.
У нее 2 функции:
- Служить преградой между горелкой и средой.
- Преобразовать ультрафиолет в спектр красного свечения.
к меню ↑
Устройство лампы ДРЛ
В лампе ДРЛ есть три основные функциональные части: стеклянная колба, кварцевая горелка и цоколь. Внешняя часть — это стеклянная колба. Внутри нее располагается кварцевая горелка, к которой подходят проводники от контактного цоколя. Воздух из колбы выкачивают и заполняют его азотом.

Схема подключения ламп ДРЛ
В колбе есть два ограничивающих сопротивления. Внешняя поверхность стеклянной колбой внутри покрыта люминофором и каплей ртути.к меню ↑
Схема подключения дуговой ртутной лампы
Для подключения лампы дрл нужно использовать специальные пускорегулирующие устройства. Эти устройства отличаются от тех, которые используются для подключения люминесцентных ламп.
После включения между основными и дополнительными электродами возникает разряд. Ионизирующийся в горелке газ обеспечивает зажигание этого разряда между основными электродами. После того как происходит зажигание лампы, разряд между вспомогательными и основными электродами заканчивается.
Дроссель как балластное устройство ограничивает ток лампы и стабилизирует его если есть отклонения в напряжении сети.
Резисторы ограничат силу тока при зажигании лампы. Ток в момент зажигания превышает номинальный в 2 — 2,6 раза. По мере разогрева горелки ток уменьшается, а напряжение возрастает с 65 до 130 В. Разгорание длится 5-10 минут. Температура внешней колбы в рабочем режиме превышает 200 градусов.
к меню ↑Cхема подключения дросселя ДРЛ (видео)
к меню ↑
Светильники с лампами ДРЛ
Для наружного уличного освещения, чтобы было комфортно и удобно в темное время суток, используют различные осветительные приборы. Каждый из них отличается типом, формами, мощностью, используемыми свето-элементами, способами крепления и другими характеристиками. Одним из самых распространенных — светильники дрл.
Такие осветительные приборы отличаются:
- мощностью;
- яркостью;
- долговечностью;
- морозостойкостью;
- экономичностью.
Под лампы дрл изготовляют светильники двух видов, которые максимально отвечают сфере использования. Консольные светильники используют для столбов, они крепятся под углом 15 градусов, относительно горизонтали. Рассчитаны на одну или несколько ламп.

Уличный светильник СКЗПР-500 с лампой ДРЛ
Имеют встроенный или наружный дроссель. Отражатели и корпус изготовляются из специальной листовой стали. У плафона есть защитный стеклянный колпак или металлическая решетка.
Торшерные светильники выполнены в виде прозрачного или матового шара из стекла или поликарбоната. В качестве основы выступает столб, декоративная труба или опора. Также изготовляются торшерные светильники с формой перевернутого конуса. Дроссель находится внутри основания плафона. Это декоративный вид светильника, он предназначается для украшений освещения участка.
Для освещения различных помещений отлично подойдет светильник люминесцентный ЛПО, который обладает простой конструкцией. Такой светильник сможет обеспечить стабильное освещение в широком диапазоне напряжения.
moezerno.ru
Запуск ртутных ламп ДРЛ без дросселя.
Сейчас химия на основе фотокатализаторов получает большое распространение. Разнообразные клеи лаки, фоточувствительные эмульсии и прочие интересные достижения химической промышленности. К сожалению, промышленные установки для УФ стоят приличных денег.
А что, делать если хочется только попробовать химию? подойдёт или нет ? Для этой цели покупать фирменные устройства за N килобаксов, слишком кучеряво…
На территории бывшего СССР обычно из положения выходят добывая кварцевые трубки из лам типа ДРЛ, иметься целая линейка лам от ДРЛ-125 до ДРЛ-1000 с помощью них можно получить достаточно мощное излучение, этого излучения обычно хватает для большинства эпизодических задач. Типа отвердеть клей или лак раз в месяц, или засветить фоторизист.
Как добывать трубку из ламп ДРЛ, как это делать безопасно, написано много информации. Хочется коснуться другого аспекта, а именно запуска этих ламп с минимальными финансовыми затратами.
Штатно для запуска используется специальный дроссель с увеличенных магнитным рассеянием. Но даже он не всегда доступен, а т.к. он тяжёлый то обычно в регионы доставка влетает в копеечку. Дроссель на 700W + доставка тянет на 100$. Что для варианта попробовать, тоже, так не разу не дешёво.
Немного теории:
Основной проблемой запуска ртутных ламп являться наличие дугового разряда. Причём холодная лампа и горячая имеют принципиально разное сопротивление горящей дуги. Примерно от единиц Ом до десятков Ом. Соответственно для этого и служит дроссель который ограничивает ток во время запуска и работы лампы. Надо признать, что дроссель является достаточно архаичным инструментом, и для дорогих и мощных лам применяемых в UF-сушилках (несколько килловат мощности, и несколько тыс. долларов за лампу) применяют блоки электронной стабилизации горения дуги. Эти блоки позволяют более точно выдерживать параметры горения дуги продлевая тем самым жизнь лампы, и уменьшая проблемы при отверждении. Даже для архаичной ДРЛ производитель пишет, разброс напряжения не более 3% в противном случае уменьшение срока службы.
Как запустить Лампу ДРЛ без дросселя подручными средствами?
Ответ простой, надо всё го лишь ограничить ток, на всех режимах работы, начиная с разогрева, и заканчивая рабочим режимом. Ограничивать будем резистором.
Но так как резистор надо очень мощный, будем использовать имеющиеся под рукой нагревательные приборы (лампы накаливания, утюги, чайники, тены для нагрева воды, ручные кипятильники и т.д.) Это звучит смешно, но это будет работать и выполнять свои задачи.
Единственный недостаток, это перерасход электричества, т.е. если мы запустим лампу ДРЛ на 400W на балласте будет выделяться в тепло около 250W. Но думаю для задачи попробовать ультрафиолет, или для эпизодических работ это несущественно.
Почему так никто не делал?
Почему никто, существуют лампы ДРБ в которых использован именно этот принцип. Рядом с кварцевой трубкой, расположена нить накаливания обычной лампочки.
А писатели в интернете видимо не учили в школе физику. Ну конечно ещё один маленький нюанс, нужна цепь прогрева, т.е. греем лампу одним резистором, а на рабочий режим выводим другим. Но думаю, с выключателем и двумя проводками многие справятся :)
Итак схема:
Так, для многих правильные схемы, это тёмный лес, постарался изобразить в картинках. Более приближенно к жизни.
Как это работает?
1) Этап прогрева, выключатель должен быть обязательно разомкнут !!! Включаем лампу в сеть. Лампа накаливания начинает ярко светиться, трубка в лампе ДРЛ начинает мерцать и медленно разгораться. Минут через 3..5 трубка в лампе уже начнёт светить достаточно ярко.
2) Второе замыкаем выключатель на основной балласт, ток ещё увеличиться и ещё через 3 мин лампа выйдет на рабочий режим.
Внимание суммарно на нагрузке лампы + утюги чайники и т.д. будет выделять мощности сопоставимые с мощностью лампы. Утюг допустим, может отключиться встроенным термореле, и мощность лампы ДРЛ снизиться.
Для большинства такая схема будет очень сложной, особенно для тех у кого нет прибора для замера сопротивления. Для них я ещё более упростил схему:
Запуск простой, выкручиваем лампы, оставляем только нужное количество (1-2шт) для запуска горелки, и по мере прогрева начинаем вкручивать. Для мощных лам ДРЛ можно использовать в качестве резистора трубчатые галогенные лампы.
Теперь самое сложное:
Наверно, уже многие поняли, что лампы и нагрузки надо как то подбирать? Безусловно, если взять какой то утюг и подключить к лампе ДРЛ-125 от лампы ничего не останется, а вы получите ртутное заражение. К стати, тоже самое будет, если вы возьмете для лампы ДРЛ-125 дроссель от ДРЛ-700. Т.е. мозг всё таки надо включать !!!
Несколько простых правил, что бы сберечь силы нервы и здоровье :)
1)Ориентироваться на шильдики приборов нельзя, нужно замерять реальное сопротивление омметром и делать вычисления. Либо использовать с запасом прочности, выбирая чуть меньшую мощность чем можно.
2)Замерять сопротивление ламп накаливания бесполезно, холодная спираль имеет в 10 раз меньшее сопротивление, чем горячая. Лампы накаливания худший выбор, приходиться ориентироваться по надписи на лампе. И не в коем случае не включаете нагрузку из лам накаливания разом, вкручивайте их по 1-штуке, уменьшая броски тока. Так как подозреваю, что это будет самый популярный способ включения лампы ДРЛ без дросселя. Снял ролик для примера.
3)Из общих соображений для начала разогрева лампы ДРЛ используйте нагрузку не сильно больше её номинальной мощности. Для примера ДРЛ-400 для прогрева используйте 300-400ват.
Таблица для разных ламп:
| ДРЛ-125 | 125 В | 1 А | 125 Ом | 80 Ом | 500 Вт | 116 Вт |
| ДРЛ-250 | 130 В | 2 А | 68 Ом | 48 Ом | 1000 Вт | 170 Вт |
| ДРЛ-400 | 135 В | 3 А | 45 Ом | 30 Ом | 1600 Вт | 250 Вт |
| ДРЛ-700 | 140 В | 5 А | 28 Ом | 17 Ом | 2850 Вт | 380 Вт |
Комментарии к таблице:
1 - наименование лампы. 2 – рабочее напряжение на прогретой лампе. 3 – номинальный рабочий ток лампы. 4 – примерное рабочее сопротивление лампы в разогретом состоянии. 5 – сопротивление балластного резистора для работы на полную мощность. 6 – примерная мощность написанная на шильдике устройства (тэны, лампы и т.д.) которое будет использовано в качестве балластного резистора. 7 – мощность в ватах, которая будет выделяться на балластном резисторе, или устройстве его заменяющем.
Если сложно, или вам кажется, что это не будет работать. Снял ролик, в качестве примера лампа ДРЛ-400 запускаю её тремя лампами по 300вт (обошлись мне по 30руб штука). Мощность на лампе ДРЛ получилась около 300W потери на лампах накаливания 180W. Как видно ничего сложно нет.
Теперь ложка дёгтя:
К сожалению, использовать горелки от ламп ДРЛ в коммерческом применении не так просто как кажется. Кварцевая трубка в лампах ДРЛ выполнена из расчётов работы в среде инертного газа. В связи с этим введены некоторые технологические упрощения в производстве. Что незамедлительно сказывается на сроке службы, как только вы разбиваете внешний баллон лампы. Хотя конечно с учётом дешевизны (Ватт\рубль) ещё не известно, что более выгодно специализированные лампы, или постоянно меняемые излучатели из ДРЛ. Перечислю, основные ошибки при проектировании всяких устройств из ламп ДРЛ:
1) Охлаждение лампы. Лампа должна быть горячая, охлаждение только косвенное. Т.е. охлаждать надо отражатель лампы а не лампу саму. Идеальный вариант засунуть излучатель в кварцевую трубку, и охлаждать внешнюю кварцевую трубку, а не сам излучатель.
2) Использование лампы без отражателей, т.е. разбили колбу и вкрутили лампу в патрон. Дело в том, что при таком подходе лампа не прогревается до рабочих температур, идёт сильная деградация и уменьшение срока службы в тысячи раз. Лампу надо поставить как минимум в U-образный отражатель из алюминия, что бы поднять температуру вокруг лампы. И заодно сфокусировать излучение.
3) Борьба с озоном. Ставят мощные вентиляторы вытяжки, и если поток идёт сквозь лампу, то получаем охлаждение. Надо разрабатывать косвенный отвод озона, что бы забор воздуха\озона шёл в как можно дальше от лампы.
4) Топорность при обрезке цоколя. При добывании излучателя, надо действовать максимально осторожно, иначе микротрещины в местах подключения проводников к лампе разгерметизируют её за десяток часов горения.
Очень частый вопрос про спектр излучения кварцевой колбы от ламп ДРЛ. Потому как некоторые производители химии пишут спектр чувствительности своих фотоинициаторов.
Так УФ излучатель лампы ДРЛ находиться в средней точке между высоким и очень высоким давлением у неё несколько резонансов в диапазоне от 312 до 579нм. Основные спектры резонанса выглядят примерно так.
Так же хочется отметить, что большинство доступных оконных стёкол отрежут спектр лампы с низу до 400нм с коэффициентом затухания 50-70%. Учитывайте это при проектировании установок экспонирования отверждении и т.д. Либо ищите химически чистые стёкла с нормированными показателями пропускания.
Хочется напомнить используйте средства защиты при работе с UF излучением, вот пару роликов для просмотра.
Первый ролик. Обращаем внимание на инопланетянина таскающего оттиски к сушке со снятым чехлом, вот так вот защищаться приходиться от UF излучения.
Второй ролик ручная сушилка для лака. К сожалению не сказано, что нужна вытяжка, озон не сильно полезен…
Ну что, ещё не страшно тогда продвигаемся дальше. А как быть бедным полиграфистам\шелкографам которые решили попробовать современные UF краски. Цены от фирменных сушилок захватывают дух, а если перевести в рубли, то просто прибивают.
Думаю многие пробовали сушить ДРЛ трубками, и ничего не получалось, ну кроме некоторых сортов лака.
В общем продолжение следует.
Читайте мои обзоры о принтерах и прочем оборудовании на моём сайте следите за обновлениями.
l800.ru
Лампы ДРЛ общая информация | Онлайн журнал электрика
Для освещения улиц, цехов промышленных компаний и других объектов, не требующих высочайшего свойства цветопередачи, используются ртутные лампы высочайшего давления типа ДРЛ (дуговая ртутная люминофорная).
Устройство:Лампа ДРЛ (рис. 1) состоит из стеклянного баллона 1, снабженного резьбовым цоколем 2. В центре баллона укреплена ртутно-кварцевая горелка (трубка) 3, заполненная аргоном с добавкой капли ртути. 4 электродные лампы имеют главные катоды 4 и дополнительные электроды 5, расположенные рядом с главными катодами и присоединенные к катоду обратной полярности через дополнительный угольный резистор 6. Дополнительные электроды, упрощают зажигание лампы и делают ее работу более размеренной.
А сейчас поподробней:
1. Цоколь представляет собой ординарную конструкцию, которая позволяет принимать электроэнергию от электронной сети за счёт контактирования токоведущих частей лампы ДРЛ (одна из которых резьбовая, а 2-ая — точечная) с электронными контактами патрона осветительного прибора. В итоге чего осуществляется передача электроэнергии на электроды горелки.
2. Горелка (кварцевая) — это, пожалуй, основная многофункциональная часть ДРЛ лампы. Горелка представляет собой кварцевую пробирку, у которой по сторонам имеются по два электрода. Два из их главных и два – дополнительные. Внутреннее место кварцевой горелки заполнено газом «аргона» и ртутью (малая капелька ртути).
3. Пробирка(стеклянная) — является наружной частью ДРЛ лампы. В неё помещена сама кварцевая горелка лампы, к которой подходят электронные проводники, идущие от контактного цоколя. Из стеклянной пробирки откачивается весь воздух, после этого закачивается азот. Ещё в стеклянной пробирке размещаются два ограничивающих сопротивления (стоящие в цепи дополнительных электродов). Пробирка лампы ДРЛ с внутренней стороны имеет люминофор.
-Одни из первых ламп ДРЛ имели в собственной конструкции только два электрода. Это усугубляло условия для совершения поджога лампы и добивалось дополнительное устройство запуска (импульсный высоковольтный пробой промежутка горелки). Такая разновидность ламп ДРЛ был снят с производства и заменён на 4-х электродный вариант. Нуждается исключительно в дросселе
Принцип деяния:
Горелка (РТ) лампы делается из тугоплавкого и химически стойкого прозрачного материала (кварцевого стекла либо специальной керамики), и заполняется строго дозированными порциями инертных газов. Не считая того, в горелку вводится железная ртуть, которая в прохладной лампе имеет вид малогабаритного шарика, либо оседает в виде налёта на стенах пробирки и (либо) электродах. Светящимся телом РЛВД является столб дугового электронного разряда.
// ]]>
Процесс зажигания лампы, оснащённой зажигающими электродами, смотрится последующим образом. При подаче на лампу питающего напряжения меж близко расположенными главным и зажигающим электродом появляется тлеющий разряд, чему содействует маленькое расстояние меж ними, которое значительно меньше расстояния меж основными электродами, как следует, ниже и напряжение пробоя этого промежутка. Появление в полости РТ довольно огромного числа носителей заряда (свободных электронов и положительных ионов) содействует пробою промежутка меж основными электродами и зажиганию меж ними тлеющего разряда, который фактически одномоментно перебегает в дуговой.
Стабилизация электронных и световых характеристик лампы наступает через 10 — 15 минут после включения. В течение сих пор ток лампы значительно превосходит номинальный и ограничивается только сопротивлением пускорегулирующего аппарата. Длительность пускового режима очень находится в зависимости от температуры среды — чем холоднее, тем подольше будет разгораться лампа.
Электрический разряд в горелке ртутной дуговой лампы создаёт видимое излучение голубого либо фиолетового цвета, также, массивное уф-излучение. Последнее возбуждает свечение люминофора, нанесённого на внутренней стене наружной пробирки лампы. Красное свечение люминофора, смешиваясь с бело-зеленоватым излучением горелки, даёт броский свет, близкий к белоснежному.
Изменение напряжения питающей сети в огромную либо наименьшую сторону вызывает соответственное изменение светового потока. Отклонение питающего напряжения на 10 — 15 % допустимо и сопровождается конфигурацией светового потока лампы на 25 — 30 %. При уменьшении напряжения питания наименее 80 % номинального, лампа может не зажечься, а пылающая — погаснуть.
// ]]>
При горении лампа очень греется. Это просит использования в световых устройствах с дуговыми ртутными лампами теплостойких проводов, предъявляет серьёзные требования к качеству контактов патронов. Так как давление в горелке жаркой лампы значительно растет, возрастает и напряжение её пробоя. Величина напряжения питающей сети оказывается недостаточной для зажигания жаркой лампы. Потому перед повторным зажиганием лампа должна остыть. Этот эффект является значимым недочетом дуговых ртутных ламп высочайшего давления, так как даже очень краткосрочный перерыв электропитания гасит их, а для повторного зажигания требуется долгая пауза на остывание.

Общие сведения: Лампы ДРЛ имеют высшую светоотдачу. Они устойчивы к атмосферным воздействиям, зажигание их не находится в зависимости от температуры среды.
• Лампы типа ДРЛ выпускаются мощностью 80, 125, 250, 400, 700, 1000 Вт.
• Средний срок службы 10000 часов.
Важным недочетом ламп ДРТ является насыщенное образование озона в процессе их горения. Если для антибактериальных установок это явление обычно оказывается полезным, то в других случаях концентрация озона поблизости светового прибора может значительно превосходить допустимую по санитарным нормам. Потому помещения, в каких употребляются лампы ДРТ, обязаны иметь подобающую вентиляцию, обеспечивающую удаление излишка озона.
00Др-основная обмотка дросселя, Д0Др-дополнительная обмотка дросселя, С3-помехоподавляющий конденсатор, СВ-селеновый выпрямитель, R-зарядный резистор, Л-двухэлектродная лампа ДРЛ, Р-разрядник
Включение:Включение ламп в сеть осуществляется при помощи ПРА (пуско-регулирующей аппаратуры). В обыденных критериях поочередно с лампой врубается дроссель (схема 2), при очень низких температурах (ниже ?25°C) в схему вводится автотрансформатор (схема 3).
• При включении ламп ДРЛ наблюдается большой пусковой ток (до 2,5·Iном). Процесс разгорания лампы продолжается до 7 минут и поболее, повторное включение лампы может быть только после ее остывания (10-15 минут).
Технические данные лампы ДРЛ 250Мощность, W … 250
Ток лампы, A… 4,5
Тип цоколя … E40
Световой поток, Lm… 13000
Светоотдача, Lm/W … 52
Цветовая температура, К … 3800
Срок горения, ч … 10000
Индекс цветопередачи, Ra … 42
ДРВ, ДРВЭД:
На базе ламп ДРЛ разработаны и выпускаются металлогалоидные лампы, в которые вводят разные йодиды металлов, что позволяет получить подобающую цветность видимых излучений и повысить экономичность работы лампы. Освоен выпуск ламп ДРВ, ДРВЭД со интегрированным активным балластом. Такие лампы врубаются как обыденные лампы накаливания.
elektrica.info

















