ул.Симферопольская
дом 5, офис 9
Корзина
Корзина пуста
Правила подключения двух ламп освещения к одному выключателю. Лампа выключатель схема
Очень часто возникают ситуации, когда в доме или квартире необходимо произвести определенные электромонтажные работы. Из них, наиболее распространенной является схема подключения выключателя к лампочке. Как правило, для этого используется одноклавишный выключатель с наиболее простейшей схемой. Перед выполнением любых видов работ, связанных с электричеством, необходимо в обязательном порядке обесточить электрическую сеть. Только после этого, можно приступать к подготовительным работам. Подготовка к подключению электроприборовПеред началом работ, нужно выбрать наиболее подходящий выключатель и распределительную коробку. Далее, необходимо запастись соединительными проводами и ПХВ изолентой.
В самом начале монтируется распределительная коробка, где собираются все провода, соединяемые в нужную схему. Обычно, подключение производится методом скрытой проводки. Следующим этапом будет монтаж установочной коробки под выключатель. Одновременно, в силовом щитке, производится установка автоматического выключателя, защищающего электрическую цепь от коротких замыканий.
Соединение всех электрических приборов, осуществляется трехжильным универсальным проводом, сечение которого не менее 1,5 мм. Как правило, это марка ВВГнгП 3х1,5 с цельной медной жилой и двойной изоляцией. Этим проводом соединяется подрозетник и распределительная коробка с запасом на последующую разделку. После этого, провода соединяют светильник и распределительную коробку с автоматическим выключателем. Схема подключения одноклавишного выключателя к лампочкеПрежде всего, к автоматическому выключателю необходимо подвести питание. После этого, схема подключения выключателя и лампочки выполняется поэтапно. Провода в используемом кабеле, как правило, синего и черного цвета, а также желтого, на который нанесена зеленая полоса. Для нуля используется синий провод, для заземления желтый, а черный предназначен для фазы. Цвета проводов при всех подключениях должны обязательно соблюдаться в определенном порядке. Зачищенные провода вставляются в контактные клеммы и зажимаются специальными винтами. Ко всем остальным узлам подключение производится таким же образом.
При подключении светильника, также осуществляется подготовка проводом. В данном случае, заземление не используется, а задействуются только провода нуля и фазы. После подготовки, провода подключаются непосредственно к патрону и к выключателю. После этого, схема приобретает законченный вид. Для проверки работоспособности схемы, в патрон необходимо вкрутить лампочку. На автоматический выключатель подается напряжение, после чего, он включается. Правильность всех соединений предварительно проверяется индикатором. После нажатия на клавишу выключателя, лампочка должна загореться, значит, вся схема выполнена правильно. |
electric-220.ru
Как подключить две лампочки к одному выключателю: схема и инструкция
Нередко возникает ситуация, когда нужно, чтобы лампочки в одном из помещений включались из разных мест. На лестничных маршах для таких случаев имеются проходные переключатели, которые сложны в установке, поэтому в квартирах такие выключатели ставить обычно нецелесообразно.
Гораздо проще обеспечить включение нескольких лампочек с одного обычного выключателя. О том, как подключить две лампочки к одному выключателю, пойдет речь в этой статье.

Устройство выключателя
Основной элемент переключателя — рабочая часть, монтируемая в подрозетник. Представляет собой конструкцию из металла с прикрепленным приводом. С помощью привода осуществляют включение и отключение устройства. Привод — подвижный контакт, осуществляющий замыкание и размыкание электроцепи между двумя статичными контактами.
Первый контакт называют входящим: соединяется с фазой из электросети. Второй контакт (выходящий) соединяется с фазовым проводником, идущим от осветительного прибора. При корректном расположении переключателя оба неподвижных контакта изначально находятся в разомкнутом состоянии. При нажатии на кнопку устройства подвижный контакт провоцирует замыкание обоих неподвижных. В результате по замкнутой цепи их электросети к лампочке поступает ток, и та загорается.
Чтобы обеспечить безопасность, рабочая часть переключателя находится в корпусе из материала-диэлектрика. Корпуса изготавливают из пластика или фарфора.
Другие составляющие переключателя — рамка и клавиши. Эти элементы обычно производят из пластика. Клавиши фиксируют на приводе рабочей части. Передвигаясь вследствие нажатия, клавиша изменяет положение контакта, что приводит к включению или выключению света.

Рамка предназначена для предотвращения случайного прикосновения человека с контактами переключателя. Иными словами, рамка выступает в качестве барьера между находящимися под напряжением элементами и человеком. Фиксация рамки осуществляется винтами или защелками, выполненными из пластика.
Единственное отличие двухклавишного устройства от одноклавишного — наличие пары выходящих контактов. Каждый контакт связан с проводником фазы одной из ламп.
Обычный переключатель для одной лампы
На рисунке внизу изображена схема подключения лампочки к обычному переключателю света.

Выключатель устанавливают в фазный разрыв. Ноль направляют на осветительный прибор. Если поставить переключатель на ноль, контакты в скором времени выгорят. Причина в повышенной нагрузке при прохождении электричества на нулевом контакте.
Другая причина для разрыва фазного проводника — необходимость быстрого отключения напряжения от потребителя при возникновении чрезвычайной ситуации. Ноль не позволяет обесточить систему, а лишь размыкает цепь.
Обратите внимание! Электромонтажные работы должны проводится только в обесточенной электросети. При отсутствии возможности определения фазного проводника по цветовой схеме разрешается подача тока для проведения «прозвона». До проверки нужно удостовериться в отсутствии замыканий оголенной проводки.
Две лампы на один переключатель
Схема подключения двух ламп к одному переключателю схожа с правилами подключения одной лампы. Нулевой проводник последовательно направляют из распредкоробки через все источники освещения. Фазовый провод, идущий через выключатель, присоединяют ко вторым контактам лампочек.
Контакты должны соединяться максимально надежно. Рекомендуется использовать клеммные колодки. Соединения осуществляют винтами или колодками Wago (проводник прижимается пружинкой).
Обратите внимание! Недопустимо осуществлять скрутку из проводов разных металлов (медные и алюминиевые). В противном случае результатом таких действий станет окислительный процесс, что приведет к разбалтыванию контакта и перегреванию.
На схеме ниже показано подключение двух лампочек к одноклавишному выключателю.

На каждом из источников света есть маркировка, где указан предел нагрузки. Эту информацию нужно иметь в виду при расчете общей мощности подключаемых осветительных приборов.
Двухклавишный выключатель
Двухклавишные переключатели используют в помещениях с раздельным освещением, когда нужно подключить люстру с несколькими рожками. Подобные выключатели применяют в раздельных узлах (устанавливают между дверьми в ванную комнату и туалет).
Двухклавишный выключатель отличается более компактным размером в сравнении с двумя одноклавишными, поэтому его установка оправдана во всех случаях, когда нужно сэкономить место на стене.
Раздельное освещение
Подобная схема часто используется в офисных зданиях, где нужно отдельно освещать множество локальных участков. Схема раздельного освещения не отличается особой сложностью, хотя и требует специальных знаний.

Переключатель ставят в разрыв фазы. Устройства оснащены одним вводным и двумя выходными контактами напряжения. Фазовые провода после выключателя идут к осветительным приборам. Нулевой проводник будет общим для всех источников света в помещении.
В результате нажатие на одну из клавиш приводит к включению лишь подключенных к конкретной фазе приборов. Остальные источники света при этом не включаются.
Люстра с несколькими рожками
Для подключения многорожкового осветительного прибора с помощью двухклавишного переключателя понадобится трехжильный проводник. Одну жилу укорачивают так, чтобы провести ее в распредкоробку, а пара других жил должны доходить до переключателя.
На прерыватель направляют фазовый провод. Отходящие проводники закрепляют в клеммниках переключателя. В комплекте осветительного прибора имеется вывод из трех проводов: нулевой и два фазных. Ноль из распредкоробки направляют на нулевой контакт, а отходящие провода из выключателя соединяют с фазами многорожковой люстры.
Схема подключения люстры с пятью рожками изображена на рисунке ниже.

В результате создается подключение, где нажатие одной клавиши приводит к включению только пары ламп. Другая клавиша управляет тремя лампами. Если нужно включить все лампочки, следует нажать обе клавиши. В конечном счете такая схема обеспечивает выбор из трех вариантов интенсивности света: с двумя, тремя или пятью лампочками.
В торговых сетях имеются переключатели с тремя клавишами. Схема их подключения чуть сложнее, но в целом схожа с приведенными ранее.
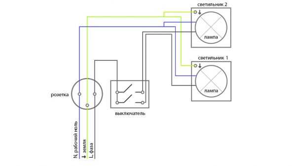
Подключение от розетки
В некоторых случаях нужно подключить дополнительный осветительный прибор с выделенным переключателем. В такой ситуации подойдет подключение от существующей розетки.

При монтаже одноклавишного переключателя понадобятся двухжильный провод и устройство включения. Для устанавливаемого над розеткой прерывателя напряжения из нее отводятся ноль и фаза. Фазовый провод прерывается внутри переключателя, а нулевой проводник оставляют в целостности. Прочие осветительные приборы, имеющиеся в схеме, обеспечиваются электропитанием аналогично приведенным выше схемам.
При электромонтажных работах понадобится три жилы (ноль и две фазы). Для трехклавишного выключателя необходимо на одну фазовую жилу больше.
Подключение ламп с преобразователем
Для организации освещения точечными потребителями можно использовать сети 220 Вольт или 12-вольтовые преобразователи. Последние создают задержку включения на несколько секунд, после чего плавно передают ток электроприборам.
Схема позволяет бережно относиться к лампам накаливания или галогенным источникам света, поскольку предохраняет их от перепадов напряжения.
Схема подключения показана на рисунке ниже.

В случае использования преобразователя переключатель устанавливают до него. Для этого есть две важные технологические причины:
- Уменьшенное напряжение сопряжено со значительной силой тока. Прерыватели не рассчитаны на такой режим работы, в результате чего возможно выгорание контактов.
- Преобразователь позволяет плавно включать лампу. Если поставить прерыватель после преобразователя, плавный пуск обеспечить не получится, и электроэнергия поступит скачкообразно вслед за нажатием клавиши.
Если предстоит установка выключателя с двумя клавишами, понадобится второй преобразователь. Его электропитание будет поступать от второй линии. Нулевой проводник будет общим.
Электромонтаж требует особого отношения к безопасности. Приступать к работе следует только после обесточивания сети. Если нет уверенности в своих силах и хотя бы базовых познаний в электротехнике, лучше обратиться за помощью к квалифицированному электрику.
Как подключить две лампочки к одному выключателю: схема и инструкция
220.guru
Схемы подключения выключателей освещения | ehto.ru
Вступление
Выключатели освещения — коммутационные электротехнические устройства, предназначенные для управления освещением. В этой статье смотрим и разбираем схемы подключения выключателей освещения жилых помещений, квартир и частных домов.
Простые схемы подключения выключателей освещения
Данные схемы обеспечивают включение/выключение, бытовых осветительных приборов с рабочим напряжением 230÷250 В и токами до 10 Ампер.
Замечу, что данные параметры работы выключателя должны быть указаны на его корпусе в нормативной маркировке, о которой я писал в прошлой статье: Типы выключателей освещения бытового назначения.
Говоря несколько проще, эти простые схемы, работают в любой квартире и доме, для управления освещением комнат. Академическое название этих схем — схемы управления освещением из одного места.
Два важных момента:
- На выключателе нужно прерывать фазную цепь электропитания;
- Собирать схемы нужно только при отключенном электропитании (техника безопасности).
Схема управления освещением одноламповой люстры, светильника, бра
Данную схему можно назвать простейшей. Чтобы включать/ выключать светильник достаточно установить выключатель на фазный провод электропитания светильника.
Выключатель одноклавишный

Выключатель с подсветкой
Всем знакомы удобные выключатели с подсветкой. У некоторых производителей подсветка выключателей устанавливается отдельно (проводок с диодом). Подключается подсветка следующим образом.

Однако, на практике, такую принципиальную схему установки одноклавишного выключателя получиться реализовать не везде. Например, для управления работой бра с выключателем на кабеле питания.
Чаще выключатель удален от светильника и подключения выключателя в схему освещения делается через распределительную коробку.
Монтаж проводки освещения
Фактически, монтаж проводки освещения, скажем люстры, делается так:
Три кабеля электропроводки, от светильника, от выключателя и от светильника заводятся в распределительную коробку. В ней производится соединение проводов данной цепи по выбранной схеме управления освещением. По этой же схеме, выбирается количество жил кабелей идущих к выключателю и светильнику. Вполне оправданно называть следующую схему монтажной.
Для реализации такой схемы используются двухжильные кабели, в быту, сечением 1,5 мм2 по меди.

Схема управления освещением люстры, светильника, бра на две лампы
Данная схема позволит управлять освещением светильника на две лампы. Для реализации такой схемы используются двухжильный кабель электропитания (для бытовой проводки освещения кабель питания везде будет двухжильный) и трехжильные кабели от выключателя и к светильнику.

Схема 1+1 (выключатель двухклавишный)
На данной схеме двухклавишный выключатель позволяет управлять двухламповым светильником, включая каждую лампу отдельно или обе лампы вместе.

Схема выключателя две клавиши с подсветкой

Примечание: Обращу внимание, что использование слова лампа весьма условное. Схема не измениться, если слово лампа заменить на группу светильников, соединенных параллельно. Например, в квартире это может быть группа точечных светильников в потолке.
Схема управления трехрожковой люстры
Выключатель двухклавишный (2+1)
Данная схема работает на включение/выключение трехрожковой люстры с возможностью включения 1 или 2 или 3 ламп.

Выключатель трехклавишный (1+1+1)
Трехклавишный позволяет управлять не только трехрожковой люстрой, но и тремя группами светильников. При этом обеспечивается возможность включения каждой группы светильников по отдельности и в любой комбинации.

Примечание: Обращу внимание, что группа светильников отличается от группы освещения.
Схема подключения выключателя к люминесцентному светильнику
В статье Схемы подключения люминесцентных ламп я показывал схемы подключения люминесцентных светильников. Повторяться не буду. Здесь только замечу, что данные условные схемы подключения выключателей освещения, относятся к любым типам светильников. Меняются только типы выключателей.
Схема управления освещением светодиодной подсветки
В схемах управления освещением светодиодной подсветки, участвуют блоки питания светодиодных лент. В остальном, принципиальные схемы управления освещением такие же, как для ламп накаливания. Например, такая схема:

Об управлении освещением с двух точек
Представьте длинный коридор, например, в офисном здании или лучше представьте частный двухэтажный дом. Вы заходите на 1-й этаж дома и включаете свет. Свет помогает ориентироваться на этаже и части лестницы. Поднимаетесь на 2-й этаж и теперь вам нужно включить свет на этом этаже и одновременно выключить свет на первом этаже.
Это и есть пример управления освещением с двух мест. При этом схема должна работать и в обратном направлении. То есть, находясь на втором этаже, вы включаете свет первого этажа, а уходя из дома, выключаете свет второго этажа, находясь на первом и наоборот.
В ситуации с коридором, эта схема обеспечит следующий вариант управления освещением. Зашли в коридор — включил свет, прошли длинный коридор — выключили свет. Работает схема в двух направлениях.
Стоит отметить, что для сборки такой схемы вам, формально, понадобятся не простые выключатели, а выключатели проходные. Почему формально? Потому что из любого двухклавишного выключателя можно сделать переключатель.
Примечание: не путайте проходной выключатель с переключателем, он же выключатель перекидной. О последнем ниже.


то же с подсветкой

Схема управления освещением с трех мест
Идя дальше, можно реализовать схему управления освещением с трех мест. В этом варианте нам понадобится не проходной выключатель (одна клавиша), а выключатель перекидной (переключатель), который с большой натяжкой назвать выключатель проходной двухклавишный.
На схеме 2 и 3 выключатель перекидной расположен посередине. Это условность и фактически схему можно собрать, при любом расположении выключателей (схема 1). Схема собирается в распределительной коробке.
схема 1
схема 2
схема 3Для реализации такой схемы, в «приличном обществе» нужны четырех жильные кабели. Также обратите внимание, сто в схеме 2 используется двухклавишный проходной выключатель, а в схеме 3 проходной переключатель. Об этом подробно в следующей статье.
Монтажные схемы освещения
Выше я говорил о разнице монтажных и принципиальных схем освещения. Также говорил, что вся сборка схемы освещения производится в распределительной коробке. Вот несколько таких сборок.



Другие схемы оптом
Вывод
Схемы подключения выключателей освещения НЕ ограничиваются приведенными выше. Это скорее база, на которой можно придумать более сложные схемы управления электропитанием не только освещения, но и розеток, вентиляторов и т.п.
©Ehto.ru
Еще статьи по освещению
Похожие статьи:
ehto.ru
Схема подключения выключателя одноклавишного с розеткой или на две лампочки
Установка выключателей и их подключение к освещению вызывают трудности для рядового пользователя. Поэтому сначала следует разобраться, как работает самая простая схема подключения выключателя одноклавишного одинарного, а затем - более сложные.
Принцип работы освещения
Для освещения помещения применяются лампы разных типов. Для их включения применяются устройства, замыкающие электрическую цепь через фазу. Присоединение нулевого провода производится к каждой лампе напрямую.
Простейшая схема подключения выключателя одноклавишного обеспечивает подачу напряжения на одну лампу или одновременно на целую группу.
Основные особенности
- Провода в распределительной коробке соединяются пайкой или с помощью клемм Wago. Скрутку проводов рекомендуется применять временно, поскольку места контактов окисляются, после чего их проводимость снижается, а также появляется дополнительное сопротивление, приводящее к выделению тепла.
- Монтажные работы с проводкой и фурнитурой производятся при отключенной электроэнергии в сети. Отсутствие напряжения проверяется индикаторной отверткой.
- Выключатель света всегда разделяет фазу, а не нейтраль. За счет этого эксплуатация электрооборудования и замена ламп становятся безопасней, поскольку проводку всегда можно обесточить.
- Для создания правильных соединений необходимо придерживаться цветовой маркировки проводов, где фаза обозначается чаще всего белым, коричневым или черным цветом, нейтраль - синим или голубым, а заземление - желтым, зеленым или желто-зеленым.
Инструменты и материалы
Вот что понадобится в работе:
- пассатижи;
- отвертки;
- бокорезы;
- нож;
- паяльник с припоем и флюсом;
- выключатель;
- кабель или провод;
- распределительная коробка.
Подключение одной лампочки
Схема подключения одноклавишного выключателя к лампочке обеспечивает включение и отключение только ее одной. Большая часть соединений проводов от электрощита, светильника и выключателя делается в распределительной коробке. У нее два входных провода - фаза и нейтраль. 
Ноль ввода сразу идет к контакту лампочки. Фаза сначала присоединяется ко входу выключателя, затем - обратно в коробку, а в последнюю очередь - на контакт светильника. Его металлический корпус заземляется. Присоединения не такие уж сложные, хотя жилы можно легко перепутать.
Подключение группы из двух и более ламп
Схема подключения одноклавишного выключателя на две лампочки обеспечивает их одновременное зажигание.
Лампы соединяются параллельно: между собой два черных и два коричневых провода. Отводы от мест контакта идут в распределительную коробку, где один из них соединяется с нулевым проводом, а другой - с фазным через выключатель. Соединение контактов ламп производится непосредственно на светильнике. При выборе выключателя важно, чтобы его номинал не был ниже суммарной мощности ламп.
Подключение выключателя с розеткой
Когда собирается схема подключения одноклавишного выключателя с розеткой, основные соединения делаются в распределительной коробке.
Сечение питающего провода составляет 2,5 мм2, как положено для розеток. Его запас составляет 10-15 см. Розетка подключается параллельно питанию, с тем же сечением жил.
На вход выключателя идет фаза, а с выхода она соединяется с одной из двух клемм светильника. Нулевой провод напрямую проходит через коробку и подключается к другому контакту питания лампы. Здесь сечение проводки берется 1,5 мм2.
Схема подключения выключателя одноклавишного проходного
Включение света с 2 и более мест позволяет легко отключать одну или одновременно несколько ламп, когда требуется. Наиболее распространена схема подключения проходного выключателя одноклавишного. Снаружи он отличается от простого наличием стрелки на клавише вверх и вниз. С тыльной стороны у него одна входная и две выходные клеммы. Между собой такие выключатели связаны в последовательную цепь.
Монтаж проходных выключателей представляет трудности для людей, не особо разбирающихся в электротехнике. Прежде всего, следует учесть отличие конструкции устройства, которое является переключателем подачи тока то на одну клемму, то на другую. Сборка производится следующим образом.
- Фаза подводится к клемме 1 выключателя ПВ1 через коробку, а его выходы 2 и 3 соединяются с соответствующими выходами 2 и 3 ПВ2.
- Вход ПВ2 соединяется с фазной клеммой лампы. Нейтраль питания проходит напрямую через коробку к другому контакту светильника.
Правильность проверяется путем ее включения в сеть и произвольного переключения ПВ 1 и ПВ 2. При этом лампа должна последовательно зажигаться и гаснуть.
Перекрестный выключатель
Для включения освещения из более чем 2 мест требуются дополнительно перекрестные выключатели. Когда совмещаются проходные устройства с перекрестными, подключение одноклавишного выключателя света (схема ниже) позволяет управлять светильником из 3 мест.
Перекрестный выключатель имеет 2 входных и 2 выходных контакта. Одним переключением клавиши замыкаются или размыкаются сразу две питающие линии. В связи с этим, его называют переключателем.
Важно! Перекрестный переключатель отдельно применяется только для смены полярности цепи. Для регулирования освещения он используется вместе с двумя проходными. Сборка делается следующим образом.
- Стандартным способом собираются 2 ПВ.
- Между их контактами A и C включается перекрестный переключатель так, чтобы при произвольном переключении любого устройства поочередно замыкалась и размыкалась цепь нагрузки. Для этого следует выходы A и C ПВ 1 подключить к входам X и W перекрестного, а его выходы Y и Z - к выходам D и F ПВ 2.
Если последовательно с перекрестным переключателем включать аналогичные, количество мест регулирования освещения будет увеличиваться.
Особенности подключения перекрестного переключателя
Поскольку схема с перекрестным переключателем усложняется, при его установке необходимо учитывать следующее.
- Разводка производится четырехжильным кабелем.
- Сложные проекты требуют увеличения количества жил кабеля. Электрики предпочитают вместо сложной схемы собирать несколько простых, более надежных.
Монтаж системы включения светильника с 3 мест
- Составление схемы.
- Штробление канавок для проводки и лунок для фурнитуры.
- Монтаж фурнитуры на стену. Коробка выбирается с расчетом размещения в ней 12 соединений и проводов от других систем.
- Установка автомата в щите управления и прокладка кабеля от него к распределительной коробке.
- Присоединение нулевой жилы к контакту лампы.
- Подключение фазной жилы ко входу первого ПВ и дальше. Контакты выключателей соединяются через распределительную коробку.
- Соединение выхода фазы от последнего выключателя с контактом лампы.
Заключение
Простыми выключателями можно управлять освещением с одной точки, а проходными - с двух и более. Схема подключения выключателя одноклавишного к освещению является основой для всех остальных типов моделей. Внешне все выключатели похожи. Различие между ними определяется количеством клемм с тыльной стороны.
fb.ru
Как подключить лампочку и выключатель?
Не нужно иметь семи пядей во лбу, чтобы подключить лампочку и выключатель. Будь то лампочка и выключатель у вас в квартире или, так называемая, «переноска» для гаража, с той лишь разницей, что для «переноски» не надо укладывать проводку по стенам и потолку и подключается она вилкой в розетку.

Разметка
Народная мудрость не зря гласит, что резать нужно только тогда, когда отмерил 7 раз. Поэтому отнеситесь к разметке с должным вниманием, именно в этот момент вы мысленно выполняете работу, которую после останется лишь воплотить в жизнь.
Делаем пометки в тех местах, где будет лампочка и выключатель. Следует заметить, что выключатель, обычно, ставится возле двери на высоте 80-90 см от пола, то есть на высоте свободно опущенной руки. Но не стоит воспринимать всё буквально, если у вас в коридоре все выключатели установлены на высоту 1,7 метра, то ваш на 0,8 будет явно выпадать из общей картины. Следите, что бы при открытии двери, она его не заслоняла выключатель, пользоваться им будет не удобно. Также пометьте маршруты прохождения будущей проводки. Проводка должна идти от выключателя к распределительной коробке (или розетке, если будете запитывать схему от неё) и от лампочки к той же распределительной коробке (розетке). Размечая, придерживайтесь важных правил: При расположении проводки рядом с другими стенами и потолком, делайте от них отступ примерно 20 сантиметров. Следите чтобы провода располагались только горизонтально и вертикально, чтобы перегибались под прямым углом. Учитывайте, что в несущих стенах штробы должны быть минимальной глубины и размеров. Следует убедиться, что в ней нету старой проводки, прочитайте как обнаружить ее.Штробление (если нужно)
Дальше идёт неприятный процесс штробления. Чтобы ваш интерьер в будущем не портили проложенные поверх обоев провода, их можно спрятать в стены, предварительно проделав в последних специальные углубления – штробы. Не буду углубляться в эту тему, т.к. в статье хочу поставить акцент именно на электрической части вопроса. Замечу лишь, что в вашем случае стены могут быть как из разных материалов (бетон или гипсокартон), так и выключатель может быть внутренний, который надо углублять в стену, так и накладной. Всё это будет напрямую влиять на объём и способ штробления. Без наличия должного опыта и инструментов лучше проложить кабель поверх стен, закрепив его пластиковыми скобами.
Монтаж проводки
Теперь нам понадобится двухжильный провод, который мы прокладываем в заранее проделанные борозды. Закрепить их там проще всего будет разведенным раствором алебастра.

Следует помнить, что это вяжущее очень быстро схватывается, так что действовать придется быстро. Провода отрезаем с запасом, укоротить мы их всегда успеем!
Патрон и выключатель
Когда с процессом монтажа проводки покончено, следует подсоединить сам выключатель и патрон. Это не составит особого труда, достаточно всего лишь снять сантиметров пять первичной изоляции и приблизительно на сантиметр зачистить сами жилы. Потом поместить их в специально предусмотренные на выключателе и цоколе разъемы, и дожать отвёрткой. В выключателе на одну лампочку существует всего два контакта, поэтому не ошибётесь. При подключении патрона полярность значения не имеет, т.е. не важно куда вы накидываете фазу, а куда ноль — лампочка работать будет. Однако техника безопасности требует, чтобы фаза была на центральном контакте лампочки, а ноль на резьбовом.
Схема подключения

Подключение к распределительной коробке
Сейчас начинается самый увлекательный процесс — подсоединение вашей проводки к распределительной коробке. Если вы знаете, где находится источник электрического тока к которому можно подключиться, то это уже хорошо, в противном случае поиск распределительной коробки может затянуться.
Для подключения проводки напрямую к электрическому щитку через дополнительный автомат воспользуйтесь инструкцией по установке автомата в щитке и подключите кабель к нему. Кстати, запитать схему можно и от ближайшей розетки, это не запрещается. Если вы запланировали сделать «переноску», то тут, конечно, всё решается подключением вилки к концу провода.Для начала, при помощи индикаторной отвёртки определим силовой провод (фазу) и ноль в распределительной коробке или розетке. Если вы никогда не держали в руках индикаторную отвёртку, то вот статья о том, как ей пользоваться. Ваш электрик был порядочным? Тогда цвета проводов должны соответствовать: коричневый или белый – фаза, а синий – ноль. Старая проводка, естественно, не содержит цветных проводов и может выглядеть как угодно. В этом случае вам придётся руководствоваться только показаниями индикаторной отвертки. Если у вас нет специальной группы допуска (а её скорее всего нет, иначе бы вы не читали эту статью), работать под открытым напряжением строго запрещено! Поэтому следует выкрутить пробки, выключить автоматы, и при помощи того же индикатора убедится, что силовой провод обесточен.
Выключатель запитываем через фазу, то есть силовой провод соединяем с белой, или коричневой жилой, что идет от выключателя, а ноль соединяем с синей жилой провода, что идёт от лампочки как на схеме. Оставшиеся белую и синюю жилы, что идут, соответственно, к лампочке и выключателю соединяем между собой. Все скрутки тщательно изолируем при помощи изоленты. Если вы захотите расширить свою схему подключением дополнительной лампочки или, например, добавить розетку, то можете использовать двойной или тройной выключатель, здесь описано как это сделать.
Скручивать алюминиевые и медные провода нельзя! Это крайне неустойчивое соединение, которое быстро окисляется и может не только выйти из строя, но и воспламениться. Для соединения таких проводов воспользуйтесь специальными клеммными колодками. В магазине с электрикой они представлены в широком ассортименте. По правилам хорошего тона и из соображений безопасности старайтесь везде вместо скруток проводов пользоваться колодками.

Если вы всё сделали правильно, то можете гордиться своей работой. Если нет… ну что же, позовёте наконец электрика.
Очень надеюсь на то, что статья окажется для вас полезной и у вас всё получится. Возможно я забыл сказать что-то важное, что кажется само-собой разумеющимся для меня и совсем не понятным для вас. Поэтому буду ждать ваших комментариев ниже и с радостью отвечать на вопросы, дополнять и исправлять статью если потребуется. Спасибо за внимание!
- < Назад
- Вперёд >
megamolotok.ru
Как подключить светильник к выключателю
Как подключить потолочную люстру
Практически в каждой квартире имеется люстра. Это многоламповый светильник, который чаще всего подвешивается по середине потолка. Такое расположение обеспечивает максимально равномерное освещение по всей площади комнаты.
В месте, выбранном для установки, к потолку крепится крюк. В некоторых квартирах такой крюк отсутствует. Это, пожалуй, может вызвать некоторые трудности, ведь не у всех дома имеется электроинструмент. В этом случае придется обратиться за помощью к мастеру.
Если же крюк имеется, светильник вешается на него с помощью кольца или скобы, расположенной в верхней части конструкции светильника.
Теперь нужно подключить люстру к электрической сети квартиры. Из центра потолка обычно выходят провода, их может быть два или три. Через вертикальную трубку, на которой крепится подвес, также выведены два или три провода.
Наличие двух проводов в этой трубке означает, что конструкция допускает включение всех ламп только одновременно. Три провода позволяют выполнить подключение люстры по секциям для изменения уровня освещенности в помещении.
Два провода, выходящих из потолка, лишают нас такой возможности. Рассмотрим все случаи подключения электрических проводов к люстре.
Схема подключения люстры через одноклавишный выключатель
Если на потолке и подключаемом светильнике есть по два провода, процесс подсоединения самый простой. Провода попарно соединяются, последовательность в этом случае не имеет значения.
На рисунке ниже представлена схема подключения люстры через одноклавишный выключатель. Рассмотрим схему более детально. Как видно из рисунка светильник состоит из одной лампы, подключение в этом случае производится таким образом: питающий нулевой провод (синий) в распределительной коробке подключается сразу же к нулевому проводу люстры.
Фазный провод (коричневый) сначала от источника питания в распределительной коробке подключается к выключателю, затем от выключателя к фазному проводу люстры.

Соединение лучше всего производить с помощью винтовых клеммных зажимов. В крайнем случае, можно тщательно скрутить провода пассатижами и изолировать специальными колпачками.
Применение ПВХ ленты нежелательно, так как она со временем высыхает, и качество изоляции снижается. В некоторых конструкциях светильников предварительное объединение ламп не выполняется, и из вертикальной трубки выходят пары проводов от каждой лампы отдельно.
Если светильник состоит не из одной лампы, а из нескольких (например из трех), подключение в этом случае также не составляет особых трудностей: все нулевые провода в люстре соединяются между собой и подключаются к нулевому проводу сети.
Все фазные провода также соединяются между собой и подключаются фазному проводу который пришел от выключателя.
При подключении нужно скрутить между собой провода одного цвета. Полученные скрутки подсоединяют к проводам, идущим через потолок к одноклавишному выключателю, выше описанным способом.
Подключение люстры через двухклавишный выключатель
Современная электропроводка в квартире выполняется трех жильным кабелем с проводами разного цвета. К месту предполагаемого крепления светильника подходят так же три провода от двухклавишного выключателя. Как подключить люстру в таком случае?
Здесь возникают трудности с определением назначения проводов. Один из трех - это нулевой проводник, общий для всех ламп. Два других – фазные, проходящие через различные клавиши выключателя.
К сожалению, электромонтажники не придерживаются единой цветовой схемы подключения проводов, да и цвета проводов в кабелях различных фирм могут также быть разными. Перед подключением светильника нужно определить назначение проводов. Проше всего это сделать с помощью индикатора напряжения при нажатых клавишах выключателя. Тот проводник, на котором индикатор не обнаружит фазу и будет нулевым.
При отсутствии такого индикатора придется обесточивать всю квартиру и разбирать выключатель. Сняв крышку с выключателя, можно увидеть, провода какого цвета идут от клавиш к люстре. Нулевой проводник не проходит через клавиши, а фазный входящий провод разделяется клавишами на две группы.
Соединение проводов на люстре похоже на подключение к одноклавишному выключателю. Разница заключается в том, что провода, идущие от ламп, заранее разделяются на две секции. По одной скрутке от каждой группы ламп вместе подключают к нулевому проводу. Две других скрутки подсоединяют раздельно к двум оставшимся проводам.
Такой способ подключения люстры позволяет ступенчато регулировать освещенность в комнате.
Соединение проводов люстры при подключении через двухклавишный выключатель, вид сверху.

Проводка и схема подключения выключателя
Выключатель света является несложным механическим устройством, основная функция которого – управление освещением, принцип действия - замыкание и размыкание электрической цепи на пути к светильнику. Чтобы правильно сделать электропроводку для него, необходимо хорошо понимать принцип действия и схему работы выключателей. Для начала рассмотрим схему подключения одноклавишного выключателя (представлена ниже).
Таким образом, из схемы ясно видно, кода в выключателе размыкается фазный провод - светильник не горит, а при замыкании контакта – цепь восстанавливается. Согласно ПУЭ (Правила Устройства Электроустановок) - это единственно верный вариант подключения выключателя, подавать фазу на лампу, а ноль пускать через выключатель запрещено. Ведь при использовании в выключателе схемы с разрывом нулевого провода, вся проводка остается под напряжением, даже при выключенном свете. Во время замены лампочки в светильнике, при случайном прикосновении к находящимся под напряжением контактам или при касании токопроводящего корпуса, при пробое изоляции провода, при отсутствии заземления устройства, может произойти поражение человека электрическим током.
Двухклавишный выключатель. используется для управления сразу двумя группами освещения, например парой разных светильников, или одним светильником включающим в себя сразу несколько ламп, в таком случае одна клавиша отвечает за одну часть ламп, а другая за другую, соответственно при включении сразу обоих клавиш, в светильнике будут гореть все, а при выключении одной из кнопок, останется гореть только часть ламп, что делает более гибким процесс управления освещением, способствует экономию электроэнергии. Схема подключения двухклавишного выключателя представлена ниже.
Если разобрать внимательно схему, становится понятным, что двухклавишный выключатель, можно представить, как два одноклавишных объединенных в единый корпус. По тому же принципу устроен и трехклавишный выключатель, но широкого распространения он не получил, встречается довольно редко.
Практика показывает, что электропроводку осветительной линии лучше разделять с силовой, в случае аварии не произойдет полного обесточивания квартиры. Если неисправность в осветительной сети, то не погаснет настольная лампа, включенная в обычную сеть, и не повредятся дорогостоящие электроприборы. Кроме того, ремонт освещения можно спокойно делать используя переноску, также будет доступна дрель и другой электроинструмент, для возможности проведения ремонтных работ. Если же авария будет в силовой линии, то освещение позволит хорошо разглядеть неисправность, особенно это актуально для помещений без естественного освещения, таких как ванная комната, кладовая и т.п.
Для защиты от короткого замыкания в осветительной сети применяются автоматические выключатели, номинал которых рассчитывается индивидуально, в зависимости от будущей потребляемой мощности всех осветительных приборов подключенных к линии. Основная идея применения автоматического выключателя - защита проводки, от поражения человека электрическим током он не защищает. В целом общая схема освещения в квартире выглядит вот так:
Советы электрика
Схема подключения выключателя света с одной клавишей- одна из самых простых. Пошагово объясняю как собрать схему подключения .
Сами посмотрите на фото, а так же в видеоуроке - всего получается три соединения в распредкоробке.
Кто делал тот знает- просто это если в коробке кроме этих проводов на лампу и выключатель ничего нет.
Но часто бывает что в распредкоробке есть провода не на одну лампу, да еще на розетки бывает тут же проложены, тогда при сборке схемы нужна особая внимательность и аккуратность.
Что бы было понятно даже самым неопытным #8220 #8221 чайникам#8221 я записал видеоурок.
Схема подключения выключателя.
Если нет возможности смотреть видео- практически то же самое написал ниже.
Перед началом работы, имеются ввиду электромонтажные работы, обязательно надо убедиться что на месте работы нет опасного напряжения .
Здесь я показываю как собирать схему в распредкоробке, значит на подведенных проводах не должно быть напряжения.
Отключаем автомат и прибором проверяем что напряжение снято.
Только после этого продолжаем работать.
При подключении одноклавишного выключателя в распредкоробке для сборки схемы должны приходить три провода:
первый- провод питания, или вводной провод, который идет автомата или пробок с напряжением 220 вольт
второй- провод на выключатель, двухжильный
третий- провод на светильник или лампу.

Кстати у многих светильников есть зажим заземления на корпусе, поэтому требуется трехжильный провод- фаза, ноль и заземление.
Итак, в распредкоробку заходит три провода по две жилы (провод заземления с светильника не считаю).
Далее я жилы буду называть проводами- так правильнее.
После того как проверили что напряжения на проводах нет- снимаем изоляцию для того что бы сделать скрутку.
Вполне подойдет для этих целей и зажим wago . но я показываю на скрутке.
Схема собирается так:
Выключатель подключается в разрыв фазного провода. Нулевой провод идет на лампу напрямую, естественно через распредкоробку.
Фаза через выключатель делается для того, что бы потом при обслуживании светильника- ремонте или замене лампы не попасть под напряжение.
Да и просто это удобнее- выключил свет и меняй спокойно лампу или светильник.
Значит находим фазный провод питания, который приходит в распредкоробку со ввода и соединяем его с одним из проводов, идущего на выключатель.
Я всегда использую для этого провод белого или красного цвета.
С выключателя фаза возвращается другим проводом и соединяется с проводом, идущим на лампу.
Оставшийся провод с лампы в распредкоробке соединяется с нулевым проводом питания.
Я проверяю схему так: визуально смотрю в распредкоробке- фаза пришла, ушла на выключатель.
С выключателя пришла в коробку- ушла на лампу. С фазой все.
Далее. Ноль пришел в коробку- ушел напрямую на лампу.
Все! Схема собрана и проверена.
Далее я скручиваю плотнее скрутки плоскогубцами и свариваю своим новым сварочником .
Затем одеваю трубку ПХВ и фиксирую ее на скрутках изолентой. Укладываю аккуратно провода в распредкоробку и закрываю крышкой.
Все! Вот таким образом собирается схема подключения выключателя света с одной клавишей.
Подробнее по сегодняшней теме можно посмотреть на фотографиях:






Как подключить люстру или светильники?
10086 просмотров
Вы купили новую люстру или светильник в свой дом, квартиру, дачу, офис или гараж и желаете ее самостоятельно подключить и установить. Сразу скажу в этом нет ничего сложного!
По вопросам крепления и встраивания освещения рекомендую прочесть наши инструкции: «Как установить встроенный светильник» и «Как прикрепить накладной светильник или повесить люстру»!
Сейчас же Я подробно остановлюсь на том, как своими руками подключить люстру или светильник! Первое с чего следует начать, это выключить выключатель и проверить отсутствие напряжения на электрических проводах, с которыми Мы будем работать! Подробнее о технике безопасности#8230
Подключение производится при помощи клемника на верхнем рисунке под номером 1, в который зачищаются приблизительно на 1 сантиметр и вставляются провода, а затем они зажимаются при помощи закручивания болтиков в клемнике, реже встречаются само зажимные, в которые достаточно просто вставить провод!
Помните. нельзя просто между собой скрутить провода и изолировать их изолентой, особенно медный и алюминиевый между собой!
Если у Вас 2 проводная сеть без заземляющего проводника, тогда на люстру с двойным включением будет приходить 3 провода, а если трех проводная сеть, тогда на один провод будет приходить больше (т. е. четыре).
Итак, давайте рассмотрим как правильно произвести подключение люстры или светильника по схеме снизу расположенной.
С распределительной коробки приходит фаза под номером 1 на общий контакт выключателя далее, она с выключателя делится с возможностью коммутации на контакты выключателя 2 и 3, которые приходят через распределительную коробку на светильник или люстру под номерами 6 и 5, что позволяет отдельно включать лампы L1 и L2.
Ноль с распаячной коробки под номером 4 идет на прямую на светильник или люстру и соединяется вместе со вторым боковым контактом всех ламп!
Земля через клемник садится на металлический корпус светильника!
Очень важно для вашей безопасности, что бы фаза шла только через выключатель на светильник! Отличить Фазу поможет Индикаторная отвертка.
Подключение одного светильника или нескольких на одно включение еще проще.
Ноль с распределительной коробки идет на прямую на светильники, а фаза через одно клавишный выключатель на любое количество светильников. Подключенных параллельно друг другу- как показано на схеме.
Если У Вас одно клавишное включение, а вы купили люстру с двойным включением, для того, что бы работали все лампы необходимо сделать фазную перемычку на клемнике между L1 и L2.
Ноль маркируется N и всегда делается проводом синего цвета, а Фаза- L c проводом красного, черного или других цветов!
Схема подключения будет аналогична при подключении димеров, сенсорных, на пульте и т. п. выключателями!
Обращаете Внимание на рабочее напряжение светильника или ламп, если оно меньше 220 Вольт, когда например необходимо подключить галогенные или светодиодные светильники необходимо подключать через достаточной мощности трансформатор (блок питания с выпрямителем для светодиодов)!
Источники:
www.sferatd.ru
Схема подключения двух выключателей на одну лампочку
Подключить к одной лампе или светильнику два и более выключателя совсем несложно, схема подключения при этом выглядит вот так:
Но в быту сложно представить условия, где можно эффективно применять такое подключение.
Главным недостатком этой схемы является то, что удобства в управлении светильником или лампой она не добавляет. Ведь включая свет, например, выключателем «А», вы не выключите его выключателем «B», а только этим же «А», всё это вызывает только путаницу.
Если же вам требуется, чтобы оба выключателя не только управляли лампой, но и были связаны между собой, и вы могли бы включая свет одним выключателем, выключать его другим и наоборот – необходимо использовать переключатели их еще называют проходные выключатели или перекидные и изменить схему подключения.
Переключатель (проходной выключатель) внешне ничем не отличим от обычного выключателя, но в его основе лежит принципиально другая, более сложная схема управления.
Если стандартный выключатель просто разрывает или соединяет электрическую цепь, то переключатель разрывая электрическую цепь на одном проводнике, переключает её на другой, от сюда и название.
Ниже, для наглядности, представлены схематически выключатель и переключатель вместе, и вы можете увидеть их различия.

Как вы понимаете, для реализации полноценного управления лампой с двух мест с помощью проходных выключателей, схема электропроводки требуется другая и выглядит она вот так:

Подробнее о схемах подключения проходных выключателей, мы уже рассказывали ЗДЕСЬ.
Более того, для удобства самостоятельного подключения двух переключателей к одной лампе, я рекомендую пользоваться ЭТИМ материалом, в котором пошагово, наглядно показан процесс подключения и установки проходных выключателей.
Если же вы решите, что двух выключателей для управления одной лампой вам мало и удобнее если их будет три, пять или больше, тогда вам потребуется изучить схему подключения трех и более выключателей на одну лампу, где к обычным проходным переключателям, добавляются перекрестные.

Не пугайтесь, в этом нет ничего сложного, вы обязательно разберетесь, а для удобства всегда сможете посмотреть, как подключить систему из трех и более переключателей к одной лампе – ЗДЕСЬ. А кроме того, к вашим услугам моя помощь, задавайте ваши вопросы в комментариях к статье, я стараюсь оперативно помочь всем!
Итак, подведем итоги, чтобы подключить к одной лампе два выключателя, необходимо выполнить электропроводку по ЭТОЙ схеме, а также купить и установить вместо обычных выключателей - переключатели, приобрести их вы сможете любом электротехническом магазине или отделе строительного супермаркета.
rozetkaonline.ru














