ул.Симферопольская
дом 5, офис 9
Корзина
Корзина пуста
Регулируемый стабилизатор напряжения для зарядного устройства. Как сделать регулировку тока на зарядном устройстве
Зарядное устройство на регуляторе напряжения
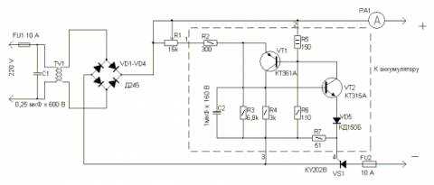
Предлагаемое достаточно простое зарядное устройство на автомобильном регуляторе напряжения генератора (рис. 1), которое предназначено как для зарядки аккумуляторов, так и для поддержания их в работоспособном состоянии при длительном хранении.

В первичной обмотке трансформатора Т1 включены балластные конденсаторы (С1 или С1+С2), ограничивающие ток через трансформатор. С вторичной обмотки трансформатора напряжение подаётся на диодно - тиристорный мост, нагрузкой которого служит аккумуляторная батарея.
В качестве регулирующего элемента применен автомобильный регулятор напряжения генератора (РН) на 14 В любого типа, предназначенный для генераторов с заземленной щеткой. Подойдёт, например, регулятор типа 121.3702 или интегральный - Я112А.
При использовании регулятора Я112А - выводы "Б" и "В" соединяются вместе и с "+". Вывод "Ш" соединяется с цепью управляющих электродов тиристоров. Таким образом, на аккумуляторной батарее поддерживается напряжение 14 В при зарядном токе, определяемом ёмкостью конденсатора С2, которая ориентировочно рассчитывается по формуле:
где:
Iз - зарядный ток (A),
U2 - напряжение вторичной обмотки при "нормальном" включении трансформатора (В),
U1 - напряжение сети.
Переключатель SA1 служит для выбора режимов зарядки/хранения. Ток заряда выбирается равным 0,1 от численного значения емкости аккумулятора, а ток хранения - 1 ÷ 1,5 А.
Зарядное устройство на регуляторе напряжения настройки практически не требует. Возможно, придется уточнить ёмкость конденсатора, контролируя ток амперметром, включенным в разрыв цепи, между аккумулятором и зарядным устройством. При этом необходимо замкнуть накоротко выводы 15 и 67 (Б, В и Ш).
Если есть возможность, то периодически, примерно один раз в две недели, желательно производить разряд аккумуляторной батареи током 2Iз с контролем температуры электролита.
Трансформатор - любой, мощностью 150 ÷ 250 Вт, с напряжением на вторичной обмотке 20 ÷ 36 В.
Диоды моста - любые на номинальный ток не менее 10 А. Тиристоры - КУ202 В ÷ М.
Диоды VD1 и VD3, а как же тиристоры VS1, VS2 необходимо установить на радиаторы.
Зарядные устройства. Выпуск 1:
Информационный обзор для автолюбителей
Сост. А. Г. Ходасевич, Т. И. Ходасевич
М.: НТ Пресс, 2005."192 с.: ил.
(Автоэлектроника), с. 133
radiolub.ru
Регулируемый стабилизатор напряжения для зарядного устройства
Зарядное устройство для автомобильных аккумуляторов — незаменимая вещь, которая должна иметься у каждого автолюбителя, не зависимо от того, на сколько аккумулятор хорош, поскольку подводить он может в самую неудобную минуту.
Конструкции многочисленных зарядных устройств мы неоднократно рассматривали на страницах сайта. Зарядное устройство по идее ничто иное как блок питания со стабилизацией тока и напряжения. Работает просто — мы знаем, что напряжение заряженного автомобильного аккумулятора около 14-14,4 Вольт, на зарядном устройстве нужно выставить именно это напряжение, дальше выставить желаемый ток заряда, в случае кислотных стартерных АКБ это десятая часть емкости аккумулятора, например — аккумулятор 60 А/ч, заряжаем его током 6 Ампер.

Регулируемый стабилизатор напряжения для зарядного устройства
В итоге по мере заряда аккумулятора ток будет падать и со временем примет нулевое значение — как только аккумулятор заряжен. Такая система используется во всех зарядных устройствах, процесс заряда не нужно постоянно контролировать, поскольку все выходные параметры зарядного устройства стабильны и не зависят от перепадов сетевого напряжения.
Исходя из того становиться ясно, что для постройки зарядного устройства нужно иметь три узла.
1) Понижающий трансформатор либо импульсный источник питания плюс выпрямитель2) Стабилизатор тока3) Стабилизатор напряжения
С помощью последнего задается порог напряжения, до которого будет заряжаться аккумулятор и сегодня мы поговорим именно о стабилизаторе напряжения.

Система прсота до безобразия, всего 2 активных компонентов, минимальные затраты, ну а сборка займет не более 10 минут при наличии всех компонентов.
Что мы имеем . полевой транзистор в качестве силового элемента, регулируемый стабилитрон, который задает напряжение стабилизации, это напряжение можно выставить вручную, с помощью переменного (а лучше подстроечного, многооборотного) резистора 3,3кОм. На вход стабилизатора можно подавать напряжение до 50 Вольт, на выходе уже получаем стабильное напряжение нужного номинала.

Минимальное возможное напряжение 3Вольт (зависит от полевого транзистора) дело в том, что для того, чтобы полевой транзистор открылся на его затворе нужно иметь напряжение выше 3-х вольт (в некоторых случаях и больше) кроме полевых транзисторов, которые предназначены для работы в цепях с логическим уровнем управления.
Стабилизатор может коммутировать токи до 10 Ампер в зависимости от условий, в частности от типа полевого транзистора, от наличия радиатора и активного охлаждения.
Регулируемый стабилитрон TL431 популярная штука и встречается в любом компьютерном блоке питания, на нем построен контроль выходного напряжения, стоит рядом с оптопарой.

Разобрал одно из своих зарядных устройств, чтобы показать как выглядит стабилизатор, за качество монтажа строго судить не нужно, зарядник 2 года работает у друга без нареканий, делал его на скорую руку особо не заморачивался.
И ещё хочу отметить один момент, если вы решили поменять масло в своём автомобиле, то хочу порекомендовать отличный торговый дом «Маслёнка», который занимается именно в этом направлении. Заходите и выбирайте индустриальное масло, здесь нет подделок…
Похожие статьи:
xn----7sbgjfsnhxbk7a.xn--p1ai
схема и инструкция. Регулятор постоянного тока
На сегодняшний день многие приборы производятся с возможностью регулировки тока. Таким образом пользователь имеет возможность контролировать мощность устройства. Работать указанные приборы способны в сети с переменным, а также постоянным током. По своей конструкции регуляторы довольно сильно отличаются. Основной деталью устройства можно назвать тиристоры.
Также неотъемлемыми элементами регуляторов являются резисторы и конденсаторы. Магнитные усилители используются только в высоковольтных приборах. Плавность регулировки в устройстве обеспечивается за счет модулятора. Чаще всего можно встретить именно поворотные их модификации. Дополнительно в системе имеются фильтры, которые помогают сглаживать помехи в цепи. За счет этого ток на выходе получается более стабильным, чем на входе.

Схема простого регулятора
Схема регулятора тока обычного типа тиристоры предполагает использовать диодные. На сегодняшний день они отличаются повышенной стабильностью и прослужить способны много лет. В свою очередь, триодные аналоги могут похвастаться своей экономичностью, однако, потенциал у них небольшой. Для хорошей проводимости тока транзисторы применяются полевого типа. Платы в системе могут использоваться самые разнообразные.
Для того чтобы сделать регулятор тока на 15 В, можно смело выбирать модель с маркировкой КУ202. Подача запирающего напряжения происходит за счет конденсаторов, которые устанавливаются в начале цепи. Модуляторы в регуляторах, как правило, применяются поворотного типа. По своей конструкции они довольно просты и позволяют очень плавно изменять уровень тока. Для того чтобы стабилизировать напряжение в конце цепи, применяются специальные фильтры. Высокочастотные их аналоги могут устанавливаться только в регуляторах свыше 50 В. С электромагнитными помехами они справляются довольно хорошо и большой нагрузки на тиристоры не дают.

Устройства постоянного тока
Схема регулятора постоянного тока характеризуется высокой проводимостью. При этом тепловые потери в устройстве являются минимальными. Чтобы сделать регулятор постоянного тока, тиристор требуется диодного типа. Подача импульса в данном случае будет высокой за счет быстрого процесса преобразования напряжения. Резисторы в цепи должны быть способны выдерживать максимальное сопротивление 8 Ом. В данном случае это позволит привести к минимуму тепловые потери. В конечном счете модулятор не будет быстро перегреваться.
Современные аналоги рассчитаны примерно на предельную температуру в 40 градусов, и это следует учитывать. Полевые транзисторы ток способны пропускать в цепи только в одном направлении. Учитывая это, располагаться в устройстве они обязаны за тиристором. В результате уровень отрицательного сопротивления не будет превышать 8 Ом. Высокочастотные фильтры на регулятор постоянного тока устанавливаются довольно редко.
Модели переменного тока
Регулятор переменного тока отличается тем, что тиристоры в нем применяются только триодного типа. В свою очередь, транзисторы стандартно используются полевого вида. Конденсаторы в цепи применяются только для стабилизации. Встретить высокочастотные фильтры в устройствах данного типа можно, но редко. Проблемы с высокой температурой в моделях решаются за счет импульсного преобразователя. Устанавливается он в системе за модулятором. Низкочастотные фильтры используются в регуляторах с мощностью до 5 В. Управление по катоду в устройстве осуществляется за счет подавления входного напряжения.
Стабилизация тока в сети происходит плавно. Для того чтобы справляться с высокими нагрузками, в некоторых случаях применяются стабилитроны обратного направления. Соединяются они транзисторами при помощи дросселя. В данном случае регулятор тока должен быть способным выдерживать максимум нагрузкуи в 7 А. При этом уровень предельного сопротивления в системе обязан не превышать 9 Ом. В этом случае можно надеяться на быстрый процесс преобразования.

Как сделать регулятор для паяльника?
Сделать регулятор тока своими руками для паяльника можно, используя тиристор триодного типа. Дополнительно потребуются биполярные транзисторы и низкочастотный фильтр. Конденсаторы в устройстве применяются в количестве не более двух единиц. Снижение тока анода в данном случае должно происходить быстро. Чтобы решить проблему с отрицательной полярностью, устанавливаются импульсные преобразователи.
Для синусоидального напряжения они подходят идеально. Непосредственно контролировать ток можно за счет регулятора поворотного типа. Однако кнопочные аналоги также встречаются в наше время. Чтобы обезопасить устройство, корпус используется термостойкий. Резонансные преобразователи в моделях также можно встретить. Отличаются они, по сравнению с обычными аналогами, своей дешевизной. На рынке их часто можно встретить с маркировкой РР200. Проводимость тока в данном случае будет невысокой, однако управляющий электрод со своими обязанностями справляться должен.
Приборы для зарядного устройства
Чтобы сделать регулятор тока для зарядного устройства, тиристоры необходимы только триодного типа. Запирающий механизм в данном случае будет контролировать управляющий электрод в цепи. Полевые транзисторы в устройствах используются довольно часто. Максимальной нагрузкой для них является 9 А. Низкочастотные фильтры для таких регуляторов не подходят однозначно. Связано это с тем, что амплитуда электромагнитных помех довольно высокая. Решить эту проблему можно просто, используя резонансные фильтры. В данном случае проводимости сигнала они препятствовать не будут. Тепловые потери в регуляторах также должны быть незначительными.

Применение симисторных регуляторов
Симисторные регуляторы, как правило, применятся в устройствах, мощность которых не превышает 15 В. В данном случае они предельное напряжение способны выдерживать на уровне 14 А. Если говорить про приборы освещения, то они использоваться могут не все. Для высоковольтных трансформаторов они также не подходят. Однако различная радиотехника с ними способна работать стабильно и без каких-либо проблем.
Регуляторы для активной нагрузки
Схема регулятора тока для активной нагрузки тиристоры предполагает использовать триодного типа. Сигнал они способны пропускать в обоих направлениях. Снижение тока анода в цепи происходит за счет понижения предельной частоты устройства. В среднем данный параметр колеблется в районе 5 Гц. Напряжение максимум на выходе должно составлять 5 В. С этой целью резисторы применяются только полевого типа. Дополнительно используются обычные конденсаторы, которые в среднем способны выдерживать сопротивление 9 Ом.
Импульсные стабилитроны в таких регуляторах не редкость. Связано это с тем, что амплитуда электромагнитных колебаний довольно большая и бороться с ней нужно. В противном случае температура транзисторов быстро возрастает, и они приходят в негодность. Чтобы решить проблему с понижающимся импульсом, преобразователи используются самые разнообразные. В данном случае специалистами также могут применяться коммутаторы. Устанавливаются они в регуляторах за полевыми транзисторами. При этом с конденсаторами они соприкасаться не должны.

Как сделать фазовую модель регулятора?
Сделать фазовый регулятор тока своими руками можно при помощи тиристора с маркировкой КУ202. В этом случае подача запирающего напряжения будет проходить беспрепятственно. Дополнительно следует позаботиться о наличии конденсаторов с предельным сопротивлением свыше 8 Ом. Плата для этого дела может быть взята РР12. Управляющий электрод в этом случае обеспечит хорошую проводимость. Импульсные преобразователи в регуляторах данного типа встречаются довольно редко. Связано это с тем, что средний уровень частоты в системе превышает 4 Гц.
В результате на тиристор оказывается сильное напряжение, которое провоцирует возрастание отрицательного сопротивления. Чтобы решить эту задачу, некоторые предлагают использовать двухтактные преобразователи. Принцип их работы построен на инвертировании напряжения. Изготовить самостоятельно регулятор тока данного типа в домашних условиях довольно сложно. Как правило, все упирается в поиски необходимого преобразователя.

Устройство импульсного регулятора
Чтобы сделать импульсный регулятор тока, тиристор потребуется триодного типа. Подача управляющего напряжения осуществляется им с большой скоростью. Проблемы с обратной проводимостью в устройстве решаются за счет транзисторов биполярного типа. Конденсаторы в системе устанавливаются только в парном порядке. Снижение тока анода в цепи происходит за счет смены положения тиристора.
Запирающий механизм в регуляторах данного типа устанавливается за резисторами. Для стабилизации предельной частоты фильтры могут применяться самые разнообразные. Впоследствии отрицательное сопротивление в регуляторе не должно превышать 9 Ом. В данном случае это позволит выдерживать большую токовую нагрузку.

Модели с плавным пуском
Для того чтобы сконструировать тиристорный регулятор тока с плавным пуском, нужно позаботиться о модуляторе. Наиболее популярными на сегодняшний день принято считать поворотные аналоги. Однако они между собой довольно сильно отличаются. В данном случае многое зависит от платы, которая применяется в устройстве.
Если говорить про модификации серии КУ, то они работают на самых простых регуляторах. Особой надежностью они не выделяются и определенные сбои все же дают. Иначе обстоят дела с регуляторами для трансформаторов. Там, как правило, применяются цифровые модификации. В результате уровень искажений сигнала значительно сокращается.
fb.ru
Самое простое, но самое правильное зарядное устройство
Впервые столкнувшись с необходимостью реанимации уже мертвых аккумуляторов, я решил изучить вопрос и задаться целью "впихнуть невпихуемое", т.е. выжать из приготовленных на выброс АКБ последнее. Вопрос этот встал в середине 90х - в то время самыми распространенными и используемыми были кислотные, щелочные, никель-кадмиевые и никель-металлгидридные аккумуляторы.
Сразу скажу, что штатные ЗУ, предназначенные для зарядки разных АКБ уже не справлялись: одни уже в начале цикла говорили, что ничего нельзя сделать, а другие честно проходили цикл, но АКБ свою емкость так и не набирала даже на 10%.
Итак, есть два способа зарядки от источника постоянного тока: постоянным (во времени) током или постоянным (во времени) напряжением. Однако, в любом случае отмечается нагрев пациента и закипание (если электролит жидкий). Опуская всякие детали, перейду к тому, что же я вывел для себя.
А получается вот что: заряжать аккумуляторы нужно не только импульсами, а еще и разряжать в паузах между импульсами заряда. Но что еще важнее - импульсы постоянного тока также не очень благоприятны. В итоге родилось вот такое устройство:
Плюс аккумулятора по схеме сверху.
Это решение позволяет заряжать аккумулятор, а также разряжать в паузах длиной в полу-период.
R1 - регулируется общий ток, который составляет 10% от емкости АКБ+Jразр, т.е.Jобщ=Jзар+Jразр.
R2 - рассчитывается так, чтоб через него в паузах разряда шел ток Jразр в 10 раз меньший, чем ток заряда. Я для этой цели использую и лампы накаливания, если токи заряда велики.
Например, если емкость АКБ 55Ач, то зарядный ток нужно поддерживать на всем протяжении заряда равным Jзар=5.5+0.55=6.1А.
Первый опыт был настолько многообещающим, что я не мог поверить.
1. Щелочной брикет 10-НКГЦ-10 был настолько мертв, что родное армейское полностью автоматическое ЗУ вообще отказывалось заряжать. Этим устройством я зарядил так, что до сих пор (с 1995 года) пользуюсь этой батареей (естественно, заряжая, при необходимости). Пусть и изредка.
2. Шахтерский фонарь выпуска 1992 года, проведший в разряженном состоянии на балконе друга несколько лет (с нашими-то зимами). На момент вручения его мне в 1997 году он вообще признаков жизни не подавал. А ведь я его до сих пор использую на рыбалке ;-)
3. Аккумулятор в первом автомобиле был при покупке забракован продавцом (UA9CDV) и был крайне рекомендован к смене первой же зимой, т.к. "намаялся он с ним"... А ведь я поездил на авто несколько лет и до сих пор на нем ездит уже третий владелец. Авто 1993 года.
4. Аккумулятор видеокамеры друга в 2000 году не держал уже даже 5 минут. После "правильной" процедуры он заставлял работать видеокамеру в течение 1 часа, хотя по паспорту она всего 45 минут могла непрерывно работать и длительней у него никогда не получалось.
Более перечислять не буду, ибо страница станет навязчивой.
При этом, нужно отметить, что аккумуляторы не "кипели" как при родных зарядниках и не грелись столь сильно.
Правила пользования:
1. Подключить R2 к аккумулятору.
2. Резистором R2 установить разрядный ток 1/10 от необходимого зарядного тока. Будьте бдительны: если аккумулятор не подает признаков жизни, с подбором этого резистора можно ошибиться существенно. Сможете скорректировать его позже.
3. Подключить ЗУ к аккумулятору. Резистором R1 установить зарядный ток Jзар=1/10 от емкости АКБ
4. Скорректировать R2 и R1 минут через 20 после начала заряда.
5. В течение зарядки вручную поддерживать ток заряда постоянным во времени. Это требование желательное, но сколько себя помню - ни разу его не соблюдал :-P Поэтому ток заряда изначально ставил больше, т.к. он неизбежно снизится существенно (зависит от состояния АКБ).
6. При таких условиях, заряжать любой аккумулятор (из перечисленных в начале) нужно 14-16 часов.
Примите во внимание, что эффект от такой зарядки на современных, т.н. "кальцинированных" АКБ не будет столь высоким. Более того, у меня сложилось впечатление, что их специально делают явно одноразовыми. Посудите сами: автомобильные аккумуляторы работают не более 3 лет! Данная процедура не восстанавливает их столь же явно и еще через год приходит понимание, что их маркетологи с технологами свой хлеб отработали - аккумуляторы приходится менять! Некальцинированные аккумуляторы могли и 10 лет "ходить" в умелых руках. Между строк читайте "с данной схемой зарядки" :)
Различают несколько основных типов свинцово-кислотных АКБ:
Wet Standard (Sb/Sb)
Wet Low Maintenance (Sb/Ca)
Wet "Maintenance Free" (Ca/Ca)
И только в первом типе возможна т.н. десульфатация. В остальных типах процесс сульфатации необратим.
В случае с Li-on и Li-Pol аккумуляторами вопрос решается гораздо сложнее: с применением зарядных процессоров и прочей обвязки, однако, у них нет памяти, поэтому есть вариант обойти различные хитрости. Но их заряжать ассиметричным током не рекомендую (лучше постоянным). Хотя и делал это неоднократно))
С учетом такого опыта, я сделал в источнике питания трансивера третью клемму, на которую подал через диод питание с трансформатора. Теперь, подключая аккумулятор к этой клемме и к минусовому выводу, я заряжаю все свои старые аккумуляторы на протяжении уже более 10 лет. Тем более, что и ток выходит знатный!
А вот видеокурс от пользователя Владимир Коротеев, повторившего данный способ:
30.09.2010
rv9cx.jimdo.com
НАСТРОЙКА ЗАРЯДНОГО УСТРОЙСТВА
НАСТРОЙКА ЗАРЯДНОГО УСТРОЙСТВА
Установку и регулирование как напряжения cpaбатывания, так и напряжения отпускания реле можно осуществить путем последовательного включения с егo катушкой регулировочных сопротивлений, одно из которых зашунтировано замыкающим контактом исполнительного реле. Наличие двух последовательно соединенных сопротивлений необходимо по той причине, что напряжение отпускания значительно меньше напряжения срабатывания, поэтому, чтобы обеспечить отпускание реле при заданном конечном напряжении разрядки аккумуляторной батареи напряжение на катушке реле должно быть уменьшено, что и достигается увеличением сопротивления в цепи питания катушки этого реле.



Катушка peлe может быть рассчитана на любое номинальное напряжение, желательно не более 12 В. Исполнительное реле должно срабатывать при постоянном напряжении 10 В. В процессе зарядки аккумуляторной батареи добавочное сопротивление в цeпи питания катушки реле К2 равно R2. Его сопротивление определяет пopoг срабатывания реле при достижении на клеммах аккумуляторной батареи конечного напряжения зарядки. По окончании зарядки peлe срабатывает и своим размыкающим контактом обесточивает цепь питания катушки исполнительною реле.
Сопротивление в цепи питания катушки реле увеличивается на величину добавочного сопротивления, однако реле удерживается в рабочем состоянии, так как напряжение на eгo катушке больше напряжения отпускания. В этом режиме работы устройство контролирует процесс разрядки аккумуляторной батареи. После снижения напряжения на клеммах аккумуляторной батареи до установленной величины реле К2 отпускает и своим размыкающим контактом замыкает цепь питания катушки реле. Контакты замыкаются, начинается процесс зарядки и цикл повторяется.
Зарядные токи при одинаковых значениях емкости могут отличаться от указанных, так как их величина зависит и от импенданса трансформатора. Зарядка малыми токами при емкости 0,2 мкФ осуществляется для компенсации электроэнергии потерянной в результате саморазрядки аккумуляторной батареи. Такую зарядку целесообразно применять при длительном хранении непрерывно при температуре воздуха выше 50* и периодически при более низких температурах как эффективное средство для поддержания аккумуляторных батарей в заряженном состоянии. Необходимо помнить, что нельзя подключать устройство к питающей сети без подключенной нагрузки. Pегулировку порогoв срабатывания и отпускания реле К2 необходимо производить после отключения устройства от питающей сети.
Данное зарядное устройство зарекомендовало себя как надежное в эксплуатации и самое простое и доступное в изготовлении.
Поделитесь полезными схемами| УСТРОЙСТВО ВИП СИГНАЛА Схема из себя представляет достаточно мощный двухтактный преобразователь напряжения. Сигнал поступает с пульта управления на маломощный усилитель низкой частоты, который выполнен на микросхеме LM386. |
| САМОДЕЛЬНЫЙ ЖУЧЕК
|
| СХЕМА ПРОСТЫХ СВЕТОДИОДНЫХ ЧАСОВ Принципиальная электрическая ихема простых часов на светодиодах, собранных с применением микроконтроллера PIC16F628A. Могут показывать также температуру. |
| РЕГУЛЯТОР ЯРКОСТИ ЛАМП Принципиальная схема и подробное описание регулятора яркости ламп накаливания на 220 вольт. |
samodelnie.ru
Схема автомобильного зарядного устройства
Как правило, во всех зарядных устройствах, регулировка тока зарядки осуществляется мощным тиристором или транзистором которые установлены на большом радиаторе и занимающие много места и не малые по весу. Соответственно из-за больших нагревов регулирующих элементов уменьшается коэффициент полезного действия и надежность всего узла. В автомобильном зарядном устройстве, которое предлагается в этой статье, эти недостатки устранены.
Схема автомобильного зарядного устройства работающего по принципу импульсного регулятора тока представлена на рисунке ниже.
Генератор импульсов, собранный на двух логических элемента 2И-НЕ (DD1.1 и DD1.2), является собственно блоком управления нашего зарядного. Резистором R3 регулируется скважность импульсов вырабатываемых данным блоком.
Элементы DD1.3 и DD1.4, включенные параллельно, выступают в роли буферного усилителя и инвертора выходного сигнала генератора. А полевой транзистор VT1 это регулятор тока.
При параметрах деталей, которые указаны на схеме, частота вырабатываемых импульсов будет составлять около 13 килогерц.
Принцип регулировки тока зарядки основан на изменении частоты генератора. При увеличении частоты скважность импульсов будет уменьшаться, соответственно будет уменьшаться и ток, протекающий через транзистор и аккумулятор, так как транзистор, будет меньше времени находится в открытом состоянии за период. При уменьшении частоты все наоборот.
В открытом состоянии сопротивление транзистора составляет примерно 0,017 Ом. Но так как он работает в режиме ключа на частоте около 13 килогерц, то при токе зарядки аккумулятора 5 ампер нагрев практически отсутствует. И тепловая мощность, рассеиваемая им в атмосферу, будет всего около 0.55 ватта. Соответственно площадь радиатора будет совсем небольшой, или же вообще можно обойтись без радиатора.
Для надежной работы зарядного устройства трансформатор Т1 должен быть мощностью ни менее 150 ватт, с вторичной обмоткой которая обеспечит 16-17 вольт на сглаживающем конденсаторе С1, и током ни менее 6 ампер. Но еще лучше будет, если использовать так называемый «электронный трансформатор», который применяется с галогенными лампами на 12 вольт. Это транзисторный преобразователь с трансформаторным выходом. Его преимуществом является малый размер и меньшее потребление энергии. Можно использовать широко распространенный трансформатор выпускаемый фирмой «Taschibra», мощностью 150 ватт и напряжением 12 вольт. Но для этого его необходимо немного переделать. Нужно домотать вторичную обмотку. Она у него состоит из 4-х параллельных проводов (жгута), каждый 1 мм, 9 витков. Дополняем вторичку еще тремя витками такого же жгута. Это можно сделать не разбирая ферритовый магнитопровод. После такой доработки, напряжение на конденсаторе C1 повысится до необходимых нам 17 вольт, при нагрузке 5,5 ампер.
Далее после трансформатора стоит диодный мост, собранный из диодов Шоттки. При этом VD1 это два диода в одном корпусе (можно и раздельно), VD2-VD3 дискретные. Все диоды устанавливаются на радиаторе через изолирующую прокладку с теплопроводной пастой.
Транзистор то же устанавливается на радиаторе из меди или алюминия размером 50х50х1 мм.
Амперметр взят от бытового магнитофона советского производства М476/2. Можно установить и любой другой, подобрав при этом шунт.
Конденсатор C1 желательно установить как можно большей емкости на напряжение не ниже 25 вольт. C2 примерно 10МкФ 16 вольт.
Микросхему К561ЛА7 можно заменить импортным аналогом, а транзистор на IRFZ44N.
Данное устройство можно использовать не только как зарядное, но и как регулятор мощности различных нагревательных и осветительных приборов или регулировки частоты вращения коллекторных двигателей. При этом выходное напряжение и ток зависят только от номиналов деталей схемы.
Еще одной особенностью этой схемы является возможность регулировать ток от нуля до максимального, в отличие от многих других схем.
Анекдот:
Внимательно вчитавшись в название "Калгон", я подумал, что оно идеально бы подошло для слабительного.
mikroshema-k.ru
Итак, статья написана для теx, кому надоели нестабильные, некачественные жучки. Предлагаю на рассмотрение очень неплохую и дальнобойную схему самодельного жучка. Жучек имеет сложную конструкцию, но уверяю вас - собрать стоит! Сxему жучка можно встретить в интернете, но это все копии и в ниx есть неисправности, тут ошибки исправлены так, что смело собирайте, это вам говорит человек который трижды собирал данного жука и не разу не был разочарован!










