ул.Симферопольская
дом 5, офис 9
Корзина
Корзина пуста
Как сделать простую телевизионную ДМВ антенну своими руками. Антенны для тв схема
Антенный усилитель для телевизора - схема и печатная плата
Антенный усилитель для телевизора, является широко распространен на просторах СНГ. Он является оптимальным решением для улучшения качества теле сигнала. Собственное усиление в антенне не играет значительной роли, а вот её антенный усилитель серьезно влияет на качество картинки.

Лучшими усилителями, зарекомендовавшими себя в течение годов работы, принято считать SWA-7, 14, 17, 107, 109, 2000. SWA-2000 является более новым антенным усилителем, имеющим два дополнительных транзистора. В составе усилителя есть два транзистора VT1 и VT2, которые включены в соответствии со схемой к ОЭ. Снятие сигнала происходит на коллекторе в транзисторе VT2 и подается проходя конденсатор С9 к кабелю. Расположение дополнительных транзисторов VT3 и VT4 осуществляется в активных цепях, которые обеспечивают напряжением смещения базы в транзисторах VT1 и VT2.
Несмотря на то, что активно вводится цифровое телевидение, на антенны, имеющие активное усиление всегда будет спрос, Поскольку сигнал к телевизионному тюнеру подается при помощи антенн, имеющих дециметровый диапазон.
Так вот, для улучшения телевизионного сигнала пользуются антенным усилителем. Наилучшее усиление достигается, когда установка антенного усилителя производиться не рядом с телевизионным входом, а в непосредственной близости с антенной. Для уменьшения затухания лучше пользоваться современными коаксиальными кабелями. Усилитель питается при помощи коаксиального кабеля. Номинал напряжения блока питания в антенном усилителе чаще всего равен 12 В, а значение затухания кабеля 0,1 — 0,5 децибел на м, если брать разные телевизионные каналы.
В сельской местности, когда телецентры находятся на большом расстоянии, пользуются усилителями, усиление которых больше 100 Дб. Если усилитель был подобран неправильно, либо фидер и антенна не согласованы должным образом, ТО за счет возбуждения усилителя экран телевизора будет показывать с помехами, снегом.
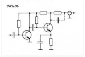
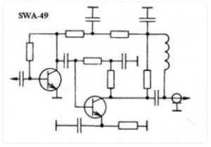
Хоть антенный усилитель для телевизора можно купить практически на любом углу, в большинстве из них используется стандартная схема. То есть они являются двухкаскадными апериодическими усилителями, имеющими биполярные высокочастотные транзисторы, включенные в соответствии со схемой ОЭ. Взглянем внимательнее на такие модели: SWA-36 и SWA-49

В усилителе SWA-36 содержатся широкополосные каскады усиления с транзисторами VT1 и VT2. Значение сигнала антенны, по согласующему трансформатору и конденсатору С1 подается к базе в транзисторе VT1,который включен в схему с ОЭ. Определение рабочей точки в транзисторе производиться за счет напряжения смещения, которое определяется при помощи резистора R1. При этом, за счет действия отрицательной обратной связи (ООС) характеристика в первом каскаде становиться линейной, происходит стабилизация положения рабочей точки, однако, уменьшается значение усиления.

Для первого каскада не применяется коррекция частоты. Выполнение второго каскада тоже осуществляется с использованием транзистора в схеме с ОЭ и с ООС, за счет прохождения напряжения по резисторам R2 и R3.Однако, тут еще имеется токовая ООС, по резистору R4, которым обладает эмиттерная цепь. Она стабилизирует транзистор VT2. Чтобы избежать больших потерь по усилению, производиться шпунтовка резистора R4 при помощи конденсатора СЗ, который обладает относительно малой емкостью (10 пФ).
Результатом этого является то, что нижние частоты в диапазоне емкостного сопротивления на конденсаторе СЗ будут существенными и ООС переменного тока приводит к уменьшению усиления, за счет чего производиться коррекция того самого АЧХ усилителя. Усилитель SWA-36 имеет недостатки, среди них следует выделить пассивную потерю, которой обладает выходная цепь.
Устройство усилителя SWA-49 можно считать таким же, за исключением некоторых отличий.

В нем реализована лучшая развязка цепей питания, за счет фильтров L1C6, R5C4 и повышен коэффициент усиления, благодаря конденсаторам С5 и С7.
В качественном антенном усилителе должно увеличиваться отношение сигнала и шума. Однако, в любом электронном усилителе обязательно имеется собственный шум, который усиливается как и сигнал. По этой причине, следи важных параметров, в антенном усилителе нужно выделит коэффициент шума. Если его значение велико повышать коэффициент усиления бессмысленно.

Антенный усилитель 30…850 МГц схема и печатная плата


sdelaj-sam.com
Как сделать антенну для телевизора своими руками
На сегодняшний день, магазины наводнены всевозможными телевизионными антеннами, так что покупка нужной антенны не составит труда. Но бывает, что купить антенну не представляется возможным, к примеру, на даче. Именно чтобы помочь в такой ситуации, мы и расскажем, как сделать антенну для телевизора своими руками.
Антенна из банок из-под пива
Является наиболее популярной самодельной антенной. Она популярна, поскольку проста в изготовлении, а материалы для нее доступны. Такая антенна изготавливается за 10 мин., а работает даже лучше стационарной.
Чтобы изготовить такую антенну придется воспользоваться:
- кабелем;
- парой банок из жести;
- двумя саморезами;
- штекером;
- изоляционной или липкой лентой;
- отверткой;
- палкой.
Процесс изготовления:
Для начала скрепляем банки и палку при помощи изоляционной ленты. Одна банка должна быть примотана на расстоянии примерно 7 см. от другой. Если банки обладают кольцами, то крепление кабеля осуществляется на них.

Теперь вкручиваем в саморезы в банки, зачищаем концы в антенном кабеле и прикрепляем его на шурупы.

Скотчем скрепляем кабель и палку, это нужно, чтобы приемник был стойким.

Альтернативой деревянной палке может стать вешалка.
Чтобы сохранить антенну от потери своих рабочих свойств под влиянием атмосферных факторов, банки следует прикрыть при помощи пластиковой бутылки на два-три литра, с отрезанным дном и горловиной. По центру в бутылке следует проделать отверстие, сквозь которое нужно осуществить протяжку кабеля. Когда подключение будет окончено, данное место обдается кипятком. Высокая температура станет причиной изменения формы пластика и обеспечит герметичность отверстия.

Антенну из жестяных банок можно считать готовой, осталось лишь произвести её подключение и настройку. Конструкция может быть усовершенствована и дополнена еще несколькими секциями.
https://www.youtube.com/watch?v=tAU8B64EOdI
Антенна для телевизора с нормальным приемом сигнала
Если вы не думаете что вы большой мастер, но все же хотите сами смастерить антенну для своего телевизора, то попробуйте сделать следующие действия:

Соберите один и вариантов показанных на на рисунках (по мощности они практически одинаковы, отличаются только дизайном).



- Установка данного контура выполняется на пластиковое или деревянное основание, а сам контур устанавливается на телевизоре или балконе.
- Соединение телевизора и антенны выполняется штекером с кабелем, на котором срезается изоляция на длине примерно 5 см.
- Открывшаяся обмотка должна быть разделена надвое и отогнута.
- Внутренняя обмотка также обрезается на той же длине и оголяется жила провода.
- К штекеру, жила и обмотка крепятся шурупами. Если ваш штекер не оборудован местом под крепеж обмотки, обмотка срезается.
- Другим краем кабель крепиться к контуру. Предварительно, конец кабеля должен быть зачищен и скручен кольцом.
- Места соединений обматываются изоляционной лентой, чтобы обеспечить надежность.
- Чтобы улучшить сигнал от такой антенны, можно пользоваться электронными усилителями.
Телевизионная антенна высокой мощности
Как сделать антенну для телевизора своими руками, да так, чтобы она не уступала по параметрам покупным вариантам, и даже превосходила их?
Ответ прост – нужно произвести улучшение принимающего контура.

Для начала, следует выполнить подключение усилителя сигнала к антенне, и тщательно заизолировать кабель, чтобы в сигнал не проникали помехи.
Для качественного приема, потребуется изготовление экрана – изолированный от телевизора и установленной за приемником. В качестве экрана может быть использована обычная пищевая фальга, которая используется на кухне.

Такую антенну нет смысла ставить дома, чаще всего она устанавливается на крыше, и поворачивается туда, где стоит ближайшая телевышка.

Экономная антенна из минимума материала
Нужно взять самую простую проволоку, но не алюминиевую, поскольку алюминий быстро окисляется. Идеальный вариант – это медная или латунная проволока. Проволоку следует зачистить от изоляции с двух сторон, после чего одним концом проволока вставляется в телевизор, а вторым крепится на батарею либо трубу. Вы увидите, что антенна поймает сигнал, поскольку труба, проходит сквозь весть дом на крышу, и играет роль усилителя требуемой частоты. Таким методом реально поймать примерно пять каналов.

Для осуществления второго варианта ,квартира должна обладать балконом. Здесь потребуется проволока такой же длины, или даже большей, для соединения телевизора и балконной зоны. Проволока зачищается с двух сторон, и одним концом вставляется в телевизор, а вторым прикрепляется на натянутые струны для белья. За счет этого метода не только добавятся каналы, а и изображение станет гораздо более качественным.
Самодельная антена для Т2 видео
Теперь вы знаете как сделать антенну для телевизора своими руками, осталось только прикрепить её и направить на излучатель сигнала.
sdelaj-sam.com
Антенна для телевизора своими руками
Основную массу информации население получает благодаря телевидению, просмотр которого требует наличия принимающей антенны. Купить принимающее устройство можно в любом магазине, но не всегда есть такая возможность. В таком случае, можно сделать антенну своими руками. Далее, будут рассмотрены основные разновидности и порядок их сборки.
Главным преимуществом самодельных устройств является то, что они требуют минимум финансовых затрат. Случается и так, что самодельные варианты превосходят заводские по многим позициям.
Плюс и в том, что кустарные изделия можно назвать «всеволновыми», делается это не умышленно, получается именно так. Недостатки самодельных устройств заключаются в неэстетичном внешнем виде, хотя это зависит от рук мастера. Весомым недостатком является труднодоступность некоторых материалов.
Несомненно, плюсов больше, поэтому рассмотрим основные кустарные изделия.
Разновидности
«Пивная»

Для изготовления изделия потребуется четное количество банок из-под пива. Самые распространенные варианты выполнены из двух штук. Процесс монтажа достаточно простой и требует минимума инструмента и расходных материалов.
Инструкция:
- Для начала, берется деревянная рейка (подойдет и вешалка), которая будет служить опорой конструкции.
- К рейке, при помощи скотча, крепятся пивные банки, на расстоянии около 6 сантиметров.
- Далее, к банкам, крепится телевизионный кабель. Процедура может быть выполнена как при помощи саморезов, так и с помощью припоя.
- Последним этапом является крепление основы к мачте и настройке положения. Более сложный вариант изготавливается из 6-8 банок. Для такой антенны потребуется две основы, установленные вертикально.
- На установленные основы крепятся по 4 банки, параллельно друг друга.
- При помощи медной пластины или проволоки, следует соединить банки, расположенные на одной стойке, далее, выполнить процедуру на другой.
- Следующим этапом является монтаж стоек в одну конструкцию, следует учитывать, что расстояние между донышками банок должно быть не менее 60 мм.
- Осталось закрепить кабель в крайних точках соединительных пластин.
Антенна с минимальными затратами

Следует помнить, что телевидение распространяется в пространстве в виде волн, которые хорошо воспринимаются металлическими объектами. Для просмотра нескольких телеканалов можно использовать кусок проволоки, один конец которой крепится к системе отопления, а другой в телевизор к центральному контакту.
Принцип работы такой антенны основан на площади системы, а она опутывает почти весь дом на разных высотах. Качество приема у конструкции не самое высокое. Более интересный вариант требует наличия балкона с металлическими струнами для белья.
Технология сборки полностью аналогична системе с батареей. Существуют места с уверенным приемом сигнала, там можно использовать вязальную спицу, которая даст возможность просмотра основных каналов.
Обычная антенна

Самостоятельно собрать антенну достаточно просто, для этого потребуется трубка из алюминия или латуни. Последний вариант более удобен, так как этот материал практически не окисляется.
Инструкция:
- Длина трубок должна быть 276 мм – именно она обеспечивает прием большинства каналов, толщина 20 мм. Трубки следует расплющить с одной стороны, далее просверлить отверстия в этих местах.
- Следующий этап – это подготовка основы. Она должна выполняться из диэлектрического материала, размером 150 на 50 мм и толщиной не менее 5 мм.
- Далее, на ровной поверхности выкладывается макет антенны. Ложится основа, поверх нее трубки, расстояние между расплющенными концами трубок составляет 65 мм, отмечаются места отверстий в трубках и сверлом того же диаметра делается отверстие в основе.
- Следующий этап – сборка конструкции. Трубки крепятся к основе при помощи болтов, желательно использовать дополнительное крепление в виде хомута – это обеспечит прочность конструкции. Болты, используемые для крепления, берутся длиной 15-20 мм, это необходимо для крепления петли.
- Сборка антенны завершена, остается только присоединить кабель, делать это напрямую к антенне нельзя. Правильное соединение производится через кольцо из провода с сопротивлением 75 Ом. Длина петли высчитывается индивидуально в зависимости от длины трубки, в данной ситуации она равна 280 сантиметров.
Отводящий кабель присоединяется уже к петле.
Мощная антенна

Разобравшись с классическими вариантами, следует рассмотреть антенны, рассчитанные на прием самого слабого сигнала. Для создания такой потребуется минимум материалов, а именно, латунная трубка, пластина из того же материала, желание и руки.
Инструкция:
- Изготовление приемного устройства начинается с выгибания из трубки двух квадратов одинакового размера, крепящихся на диэлектрическую основу таким способом, чтобы расстояние между углами квадратов составляло 10-15 мм.
- Следующим этапом является изготовления экрана, призванного усилить мощность сигнала, и сгладить радиопомехи. Экран выгибается в форме прямоугольника 11×10 сантиметров, с высотой бортов 23 мм и шириной 6 мм.
- При соединении двух компонентов необходимо выдержать расстояние в 12 мм. Соединение готового изделия с телевизором производится при помощи кабеля с сопротивлением 75 Ом. Важным фактом является то, что данная конструкция не допускает использование болтового соединения, разрешен только припой.
При правильной сборке, модель превосходит по характеристикам заводские аналоги.
ДМВ антенна

Цифровое телевидение покрывает все новые территории, но для его уверенного приема необходим специальный модуль. Часто, устройство приобретается отдельно, но имеются телевизоры, имеющие встроенный модуль.
Но одного приемника мало, необходима антенна, приминающая ДМВ волны. Самый простой вариант изготавливается на листе фанеры.
Инструкция:
- Для сборки потребуется телевизионный кабель 75 Ом длиной 53 см. Этот отрезок закрепляется на листе в форме кольца, крепить можно как хомутами, так и при помощи клея.
- При загибе петли следует сделать так, чтобы между концами кабеля был зазор в 5-10 мм. Второй элемент изделия выполняется из аналогичного кабеля, длиной в 15,5 см, из этого отрезка выполняется петля.
- Соединение кольца и петли выполняется следующим образом – внутренняя жила кольца соединяется с обмоткой обеих сторон. Петля центральной жилой крепится к этой скрутке, а наружная обмотка соединится между краями. Центральная жила антенного кабеля присоединяется к внутренней жиле петли, а обмотка к обмотке петли.
Настройка
Установка изделий, сделанных своими руками, производится аналогично заводским аналогам. Большинство вариантов требуют наличия мачты, для поднятия их на максимальную высоту.
В большинстве случаев, достаточно высоты на 2-3 метра превышающей высоту крыши строения. Дополнительно, при установке следует выбрать место с наличием самого сильного сигнала, особенно это актуально для комнатных устройств.
Настройка осуществляется путем перестановки или поворота антенны в сторону вышки, иногда требуется установка дополнительного экрана с задней стороны.
Усилитель своими руками
Нередки ситуации, когда правильно собранная и грамотно настроенная антенна, отказывается надежно принимать сигнал, тогда просто не обойтись без усилителя сигнала.
Большая часть подобных устройств имеет сложную конструкцию, собрать которую без определенных знаний тяжело. Более простой вариант можно изготовить своими руками за 10 минут.
Понадобится магнит, на который наматывается несколько витков телевизионного кабеля. Это устройство можно собрать как возле телевизора, так и на антенне. Последний вариант наиболее популярен в заводских усилителях.
Итоги

Завершая тему, следует обратить внимание на то, что наибольшее качество приема можно добиться при использовании пайки (болты с гайками окисляются, значительно ухудшая сигнал). Важным аспектом является правильный выбор кабеля. Самый популярный вариант — это изделие имеющее сопротивление 75 Ом, выполненное из силикона.
Подобные изделия имеют длительный срок службы, плюс не подвержены влиянию климата. Способ соединения кабеля с телевизором имеет важное значение. Рекомендуется использовать специальные штекера, допускаются варианты без пайки.
Перед началом сборки изделия, необходимо определиться с типом изделия, для этого следует выяснить частоту, на которой транслируется сигнал, это зависит от конкретной местности.
househill.ru
Как сделать антенну для телевизора своими руками
Несмотря стремительное развитие интернета, телевидение остаётся главным источником информации для большинства населения. Но для того чтобы в вашем телевизоре была качественная картинка, нужна хорошая антенна. Совсем не обязательно покупать телевизионную антенну в магазине, ведь её можно сделать своими руками и сэкономить при этом приличные деньги.

Как сделать качественные антенны для различных диапазонов вещания и какие материалы при этом использовать, вы сможете узнать прочтя нашу статью.
Типы антенн
Существует множество типов и форм телевизионных антенн, ниже приведены основные из них:
Антенны для приёма цифрового телевидения
Весь мир, в том числе и наша страна, перешли с аналогового вещания на цифровое. Поэтому делая антенну своими руками или покупая её в магазине, необходимо знать какая антенна лучше подойдёт для приёма DVB-T2 формата:
- Комнатная антенна — подходит для приёма сигнала в формате DVB-T2 только на расстоянии до 10 километров от ретранслятора. В принципе на этом расстоянии, сигнал способна принять даже обычная оголённая проволока вставленная в антенный разъём телевизора и направленная в нужную сторону, но для более стабильного и устойчивого сигнала лучше воспользоваться комнатной антенной.
- Антенна типа «Ворона» — способна принимать цифровой сигнал на расстоянии до 30 километров. Данный тип антенны устанавливается вне жилища и не требует чёткой направленности на ретранслятор. Но в случаях если расстояние от источника сигнала составляет более 30 километров или рядом имеются генераторы помех, желательно направить антенну на телевышку.
- Антенна типа DIPOL 19/21-69 — принимает сигнал на расстоянии до 50 километров. Требует установки на возвышенность 8-10 метров и чёткого направления на источник сигнала. В связке с усилителем, способна принимать цифровой сигнал на расстоянии до 80-100 километров. Отличные характеристики данной антенны, делают её одним из лучших вариантов для приёма сигнала в формате DVB-T2 на удалённом расстоянии от ретранслятора.



Если вы живёте не далеко от телевышки, то вполне можете сделать простейшую антенну для приёма сигнала в DVB-T2 формате своими руками:
- Отмерьте от коннектора 15 сантиметров антенного кабеля.
- Снимите с обрезанного края 13 сантиметров внешней изоляции и оплётки, оставьте только медный стержень.
- Сверяясь с картинкой телевизора, выставите стержень в нужном направлении.
Всё антенна готова! Нужно отметить, что такая примитивная антенна не способна обеспечивать качественный и устойчивый сигнал на удалённом от телевышки расстоянии и в местах с источниками помех.
Антенны своими руками
Давайте рассмотрим несколько вариантов телевизионных антенн, которые можно сделать самостоятельно, из подручных материалов:
Антенна из пивных банок
Антенну из пивных банок можно изготовить буквально за полчаса, из имеющихся у вас под рукой средств. Конечно сверх-устойчивого сигнала такая антенна не обеспечит, но для временного пользования на даче или в в съёмной квартире вполне сгодится.

Антенна из пивных банокЧтобы сделать антенну вам понадобятся:
- Две алюминиевые банки из под пива или другого напитка.
- Метров пять телевизионного кабеля.
- Штекер.
- Два шурупа.
- Деревянное или пластиковое основание на которое будут крепится банки (многие используют деревянную вешалку или швабру).
- Нож, плоскогубцы, отвёртка, изоляционная лента.
Убедившись в том, что все вышеперечисленные предметы у вас имеются в наличии, произведите следующие действия:
- Зачистите один конец кабеля и присоедините к нему штекер.
- Возьмите второй конец кабеля и снимите с него изоляцию длиной в 10 сантиметров.
- Расплетите оплётку и скрутите её в шнур.
- Снимите слой пластика изолирующий стержень кабеля на расстояние в один сантиметр.
- Возьмите банки и в крутите в них шурупы по центру дна или крышки.
- Присоедините к одной банке стержень, а к другой шнур оплётки кабеля, закрутив их на шурупы.
- Прикрепите банки на основание с помощью изоленты.
- Закрепите на основании кабель.
- Вставьте штекер в телевизор.
- Перемещаясь по комнате, определите место наилучшего приёма сигнала и закрепите там антенну.
Существуют и другие вариации данной антенны, с четырьмя и даже восемью банками, но явного воздействия количества банок на качество сигнала не выявлено.Как сделать антенну из пивных банок вы также можете узнать из видеоролика:
Зигзагообразная антенна Харченко
Своё название антенна получила в 1961 году, по фамилии её изобретателя Харченко К. П., который предложил использовать для приёма телепередач антенны зигзагообразной формы. Данная антенна очень хорошо подходит для приёма цифрового сигнала.

Антенна ХарченкоДля изготовления зигзагообразной антенны вам понадобится:
- Медная проволока диаметром 3-5 мм.
- Телевизионный кабель 3-5 метров.
- Припой.
- Паяльник.
- Штекер.
- Изоляционная лента.
- Кусок пластика или фанеры для основания.
- Болты креплений.
Для начала нужно изготовить рамку антенны. Для этого берём проволоку и и отрезаем кусок 109 сантиметров. Далее сгибаем проволоку таким образом, чтобы у нас получилась рамка из двух параллельных ромбов, каждая сторона ромба должна составлять 13,5 сантиметров, из оставшегося сантиметра сделайте петли для скрепления проволоки. С помощью паяльника и припоя, соедините концы проволоки и замкните рамку.Возьмите кабель и зачистите его конец таким образом, чтобы у вас с была возможность припаять стержень и экран кабеля к рамке. Далее, припаяйте стержень и экран кабеля в центре рамки. Учтите что экран и стержень не должны соприкасаться.Установите рамку на основание. Расстояние между углами рамки в месте соединения с кабелем, должно составлять два сантиметра. Размер основания сделайте примерно 10 на 10 сантиметров.Зачистите второй конец кабеля и установите штекер.Если необходимо присоедините основание антенны к стойке, для дальнейшей установки на крышу.Более подробную инструкцию по изготовлению антенны Харченко, вы можете посмотреть в видеоролике:
Антенна из коаксиального кабеля
Для изготовления антенны вам понадобится 75-омный коаксиальный кабель стандартного разъёма. Чтобы рассчитать необходимую для антенны длину кабеля нужно узнать частоту цифрового вещания и разделить её в мегагерцах на 7500, а полученную сумму округлить.

Антенна из кабеляПолучив длину кабеля сделайте следующее:
- Зачистите кабель с одной стороны и вставьте в разъём для антенны.
- Отступите два сантиметра от края разъёма и сделайте отметку от которой будете отмерять длину антенны.
- Отмерив нужную длину, откусите лишнее плоскогубцами.
- В районе отметки снимите изоляцию и оплётку кабеля, оставьте только внутреннюю изоляцию.
- Загните очищенную часть под углом в 90 градусов.
- Произведите настройку телевизора с новой антенной.
Визуально закрепить информацию вы можете посмотрев видеоролик:
Спутниковая антенна
Стоит сразу оговорится, что для приёма спутникового сигнала необходим тюнер и специальная приставка. Поэтому, если у вас нет в наличии этого оборудования, то создание спутниковой антенны своими руками будет не возможно, поскольку сами вы сможете изготовить только параболический отражатель:
- Парабола из оргстекла — изготавливается методом нагрева. Оргстекло помещается на болванку, повторяющую форму параболического отражателя и помещается в камеру с высокой температурой. После размягчения оргстекла, оно принимает форму болванки. После остывания оргстекла, его вытаскивают из формы и обклеивают фольгой. Минус такого производства самодельной параболы в том, что затраты на её изготовление, превосходят рыночную стоимость заводского отражателя.
- Отражатель из металлического листа — делается из листа оцинкованного железа, размером метр на метр. Листу придаётся круглая форма и от края к центру делаются разрезы по форме лепестков. После этого лист помещается на выгнутый шаблон отражателя и «лепестки» скрепляются точечной сваркой или заклёпками.
- Сетчатый отражатель — делается из каркаса и сетки. Сначала изготавливают шаблон параметры которого рассчитывают по формуле. По шаблону изготавливают радиальные параболы из медной проволоки. Сечение проволоки выбирается исходя из диаметра антенны. Например, для антенны диаметром 1,5 метра берут проволоку диаметром 4-5 мм. Также необходимо изготовить круговые пояса. Диаметр поясов меняется с шагом 10-30 см. После изготовления каркаса его обтягивают мелкой медной сеткой.


Все перечисленные выше способы, могут рассматриваться всерьёз только из спортивного интереса, поскольку изготовление параболического отражателя в ручную, процесс очень трудоёмкий и дорогой. К тому же, произвести точные расчёты параметров спутниковой антенны в домашних условиях, очень сложно. Поэтому советуем вам не оригинальничать и покупать спутниковую антенну в полном комплекте.
Антенный усилитель
Если в месте где вы живете слабый телевизионный сигнал и обычная антенна не может обеспечить качественную картинку в вашем телевизоре, то помочь в этой ситуации может антенный усилитель. Изготовить его своими руками, вы сможете если немного разбираетесь в радиоэлектронике и умеете паять.

Усилители нужно устанавливать как можно ближе к антенне. Питание антенного усилителя лучше осуществлять по коаксиальному кабелю через развязку.

Схема питания развязкиРазвязка устанавливается внизу у телевизора и на неё от адаптера подаётся питание в 12 вольт. Двухкаскадные усилители потребляют ток не больше 50 миллиампер, по этой причине мощность блока питания не должна превышать 10 ватт.Все соединения антенного усилителя на мачте нужно производить при помощи спаивания, поскольку установка механических соединений приведёт к их коррозии и разрыву, при дальнейшей эксплуатации в условиях агрессивной внешней среды.Бывают случаи, когда приходится принимать и усиливать слабый сигнал при наличии мощных сигналов от других источников. В этом случаи на вход усилителя попадают одновременно слабые и сильные сигналы. Это приводит к блокировке работы усилителя или переводу его в нелинейный режим, смешивающий оба сигнала, что выражается в наложении изображения с одного канала на другой. Исправить ситуацию поможет уменьшение напряжения питания усилителя.Учтите, что на дециметровые усилители очень сильно влияют сигналы в метровом диапазоне. Для ослабления воздействия метровых сигналов, перед усилителем ДМВ ставят фильтр верхних частот, который блокирует метровые волны и пропускает сигналы только дециметрового диапазона.Ниже приведена схема антенного усилителя метрового диапазона:
Также предлагаем ознакомиться со схемой дециметрового усилителя:
С принципом работы антенного усилителя вы можете ознакомится в видеоролике:Теперь, ознакомившись со схемами и вооружившись паяльником, вы смело можете начинать изготовление антенного усилителя.
Надеемся что наша статья про телевизионные антенны оказалась для вас полезной!
dekormyhome.ru
Содержание:
В загородных домах и на дачных участках нередко возникают проблемы с приемом телевизионных сигналов из-за отсутствия усиления. Это может быть связано с особенностями рельефа, наличием деревьев и другими факторами. Поэтому многие хозяева частных владений задаются вопросом, как сделать своими руками антенну для цифрового ТВ. При наличии определенных знаний и навыков работы с паяльником, данная проблема решается достаточно легко. Такие антенны отличаются простотой конструкции, хорошим качеством приема, надежностью и низкой себестоимостью. Простая телевизионная антеннаРетранслятор, расположенный до 30 км от места приема сигнала, позволяет воспользоваться простой конструкцией телевизионной антенны. Она состоит из двух трубок, соединенных между собой экранированным кабелем. Подача выходной части кабеля осуществляется к соответствующему входу телевизора.
Прежде чем конструировать такую антенну, нужно узнать частоту вещания ближайшей телевышки. Как правило, диапазон полосы вещания составляет от 50 до 230 МГц. Вся полоса разделяется на 12 каналов, каждому из которых соответствует определенная длина трубок. Их выбор происходит с помощью специальной таблицы. С увеличением частоты каналов, длина трубок и кабелей будет уменьшаться. Материалы для изготовления антенны:
Как собрать антенну:
После выполнения всех действий, петля крепится к штанге по центру, сюда же прикручивается кабель, идущий вниз. Настраивать антенну лучше вдвоем: один человек необходим для поворота антенны, а другой – для просмотра и оценки качества изображения. После установления наиболее качественного приема сигнала, антенну фиксируется в этом положении. Можно сориентироваться по направлению приемников, установленных в соседних домах. Петлевая антенна из трубыПроцесс изготовления петлевой антенны считается более сложным, по сравнению с предыдущим вариантом. Это связано с применением трубогиба. Однако основные материалы остаются прежними. Понадобится металлическая трубка, кабель и материал для стойки. Данная конструкция позволяет принимать сигнал на расстоянии до 40 километров.
Труба может быть изогнута под любым радиусом. Большое значение имеет соблюдение требуемой длины и расстояния между концами, которое составляет от 65 до 70 мм. Каждая половинка изогнутой трубы должна иметь одинаковую длину. Центр мачты является осью симметрии для обоих концов. Выбор длины трубы и кабеля также осуществляется с помощью специальной таблицы. Средний диаметр трубки составляет 12-18 миллиметров. Порядок сборки антенны:
После сборки и установки антенны, выполняется ее настройка, так же, как и для предыдущей конструкции. Пивные банки для наружной антенныАнтенны из пивных банок отличаются высоким качеством приема сигнала. Для изготовления этой конструкции понадобятся 2 банки из-под пива по 0,5 л, деревянный или пластиковый отрезок, длиной примерно 0,5 м, телевизионный кабель, паяльник, припой и флюс для алюминия.
Сборка цифровой антенны:
На этом сборка антенны закончена. Далее вся конструкция устанавливается и настраивается. На свободный конец кабеля устанавливается нужный штекер, включаемый в соответствующее гнездо телевизора. Все места контактов нужно тщательно пропаять и защитить от внешних воздействий. Рамочная конструкция антенныДля изготовления рамочной антенны понадобится телевизионный кабель и деревянная крестовина в качестве основы. Крепления будут выполняться с помощью изоленты и гвоздей. В первую очередь необходимо рассчитать периметр рамок из медного провода. Для изготовления рамок берется провод от телевизионного кабеля. Выполнение расчетов проводится в соответствии с частотой вещания и номером канала.
Перед началом сборки нужно снять изоляцию и оплетку с телевизионного кабеля и освободить центральный провод на нужную длину. Из него будут изготовлены рамки для антенны. Данная процедура требует повышенной осторожности, чтобы не допустить повреждений медной жилы. Деревянный каркас делается соответственно размерам рамок. Вначале гвоздями отмечаются основные точки – углы. Расстояние между ними от одного гвоздя до другого будет соответствовать стороне квадрата. Укладка проводника начинается от середины справа, далее он проходит по всем обозначенным точкам. Рамки в месте минимального расстояния не должны касаться друг друга во избежание замыкания. Зазор между проводниками составляет в среднем 2-3 см. После укладки всего периметра, с кабеля снимается 3-4 см оплетки, которая скручивается в жгут и припаивается к левому краю рамки. Остальной кабель укладывается вдоль жилы и фиксируется изолентой. Далее, он подводится к декодеру и на этом процесс монтажа заканчивается. Таким образом, вопрос, как сделать антенну для цифрового ТВ своими руками решается несколькими способами. Особенностью этих устройств является возможность настройки только на одну частоту. Поэтому конструкция такой антенны получается простая и эффективная. Антенна для цифрового тв своими руками |
electric-220.ru
Телевизионная комнатная антенна для приема цифрового и аналогового сигнала
Антенна – это радиотехническое устройство, предназначенное для приема и излучения электромагнитных волн через эфир.
Для просмотра телепередач в высоком качестве лучше всего подключать телевизор к кабельной сети. В условиях большого удаления от города альтернативой является антенна (тарелка) спутникового телевидения. Но бывают ситуации, когда этими вариантами невозможно воспользоваться. В таком случае можно сделать простую телевизионную антенну из подручного материала своими руками.
Если вы живете на удалении прямой видимости от телевизионной вышки, то для приема аналогового так и цифрового телевизионного сигнала вполне подойдет простейшая комнатная телевизионная антенна, конструкция которой представлена в этой статье. Данная телевизионная комнатная антенна предназначена для приема телепередач в диапазоне ДМВ (470–790 МГц), но при достаточно мощном сигнале удовлетворительно принимает и сигнал метрового диапазона (48,5–100 МГц, 174–230 МГц).

Конструкция телевизионной антенны простая и для повторения не требует специальных знаний. Для ее изготовления понадобится 70 см медного провода диаметром 2-3 мм, кусок листа двухстороннего стеклотекстолита, 1,5 м коаксиального телевизионного кабеля с волновым сопротивлением 75 Ом и F-штекер.
Инструкция по изготовлению телевизионной ДМВ антенны
Первое, что необходимо это подобрать отрезок медного провода диаметром 2-3 мм длиной 70 см. Для этих целей хорошо подойдет медный одножильный провод для прокладки электропроводки. Если проводников в кабеле несколько, то нужно аккуратно отрезать вдоль канавки один проводник, стараясь не повредить изоляцию. Она для работы антенны не нужна, изоляция оставляется только для эстетического вида. Подойдет и алюминиевый провод, но тогда к контактам платы согласующего трансформатора его придется присоединять с помощью резьбового соединения. Обратите внимание, гайка не должна касаться экранирующей фольги трансформатора, если касается, то нужно проложить изолирующую шайбу или подрезать фольгу.

Если используется провод без изоляции, то можно для красоты надеть на него хлорвиниловую трубку.
Далее провод нужно согнуть в кольцо диаметром приблизительно 220 мм. Тут высокая точность не нужна. Для этого хорошо подойдет оправка в виде ведерка от краски или любая другая круглая емкость подходящего размера.
Когда кольцо для антенны готово можно приступать к изготовлению печатной платы согласующего трансформатора.

Печатная плата делается из стеклотекстолита или гетинакса фольгированного с двух сторон, толщиной 1,5 мм размером 25×30 мм. На фотографии представлен внешний вид печатной платы трансформатора с двух сторон.

На этой фотографии негатив печатной платы антенны. Ширина токоведущих дорожек равна 1 мм, расстояние между дорожками составляет 1,5 мм. Размер платы антенны 25×30 мм.
Если нет возможности сделать для изготовления антенны печатную плату химическим способом, то можно ее сделать механическим. Для этого нужно удалить ненужные участки фольги, оставив только контактные площадки, а токоведущие дорожки выложить из медного провода диаметром 0,3-0,5 мм, приклеив его плате, например клеем «Момент».
Для придания эстетического вида, и увеличения механической прочности антенны трансформатор помещается в пластмассовую или металлическую коробку, в которой предварительно просверливаются отверстия для кольца и антенного кабеля.

Когда все детали подготовлены, можно приступать к сборке антенны. Заводятся, предварительно залуженные припоем, концы кольца в коробку и загибаются под прямым углом на расстоянии 3 мм. Далее концы вставляются в печатную плату трансформатора антенны и запаиваются припоем с помощью паяльника.

Плата антенны проворачивается ко дну коробки и закрепляется с помощью винта и гайки М3.
Продевается в отверстие коробки телевизионный кабель с волновым сопротивлением 75 Ом длиной 1,5-1,8 м. О выборе типа кабеля и его разделке, об установке F-разъема вы можете узнать из статьи «Подключение телевизора к антенному кабелю». На один его конец предварительно нужно установить телевизионный F-разъем, а второй разделать и его концы распаять на печатную плату. Центральная жила кабеля припаивается непосредственно к правому концу кольца, а экранирующая оплетка припаивается непосредственно к фольге платы антенны.
Для надежной работы антенны припаивать или крепить кабель нужно в следующем порядке. Сначала припаивается экранирующая оплетка, затем за кабель нужно хорошо потянуть, чтобы выбрать слабину, и только после этого припаять центральную жилу. В таком случае, при перемещении антенны с целью поиска места в помещении с максимальным уровнем сигнала и натягивания кабеля не будет обрываться центральная жила.

Если экран у кабеля сделан из алюминиевой фольги, то его можно прижать к фольге платы с помощью металлического хомута, одетого на винт и закрепленного гайкой. Технология крепления экрана хомутом рассмотрена в статье «Как сделать телевизионный краб своими руками».
Осталось закрыть коробку крышкой, вставить разъем в телевизор и настроить каналы на нужные программы. Для того, чтобы качество изображения было с минимальными шумами, нужно перемещать антенну по помещению с целью поиска места с максимальной величиной телевизионного сигнала.
Как заменить согласующую печатную платупетлей из кабеля
Применение печатной платы для согласования антенны с коаксиальным кабелем позволяет сделать антенну более компактной.

Если печатную плату изготавливать нет желания или возможности, то ее без потери качества работы антенны можно заменить петлей, которую еще называю U-коленом, представляющей собой согнутый пополам отрезок телевизионного кабеля, соединенного с антенной по схеме, как на представленной ниже фотографии.

Для изготовления согласующей петли необходимо взять отрезок телевизионного кабеля длиной 162 мм, с помощью которого антенна будет подключаться к телевизору. Разделать его концы и припаять центральные жили к концам кольца, расстояние между которыми должно составлять 60 мм. Далее разделывается конец кабеля, идущего к телевизору и центральная его жила припаивается к любому из концов кольца антенны, а экранирующий провод соединяется с экранирующими проводами петли, как показано на фотоснимке.
При пайке экранирующей оплетки надо соблюдать осторожность, чтобы не расплавилась изоляция центральной жилы, и оплетка не соприкоснулась с ней.
На фотографии показана припайка кабеля к кольцу антенны, сделанной из алюминиевого провода диаметром 3мм. Так как к алюминию сложно припаять провода мягким припоем, то концы кольца были немного расплющены, в них просверлены отверстия и с помощью заклепок закреплены латунные лепестки. Центральные жилы кабеля к лепесткам припаялись надежно.
ydoma.info
Антенна для цифр телевидения. Самодельная антенна для цифрового телевидения Т2.
Антенна для цифр телевидения. Самодельная антенна для цифрового телевидения Т2.
Цифровое телевидение Т2 набирает обороты популярности. И это закономерно, на смену аналогового телевиденья приходит цифровое и это необратимый процесс. Более того, в ближайшем будущем аналоговое вещание будет вообще прекращено. Что делать пользователям у которых телевизоры без приемника Т2 и нет кабельного телевидения? Ответ простой - покупайте приставку Т2. На сегодняшний день цена на приставки Т2 очень снизилась и не выглядит заоблачно. Преимущества довольно большие: у Вас появляется много каналов в цифровом качестве, без ежемесячной плати, при минимальных затратах и без покупки нового телевизора. Только сравнив качество цифрового и аналогового ТВ Вы никогда не пожалеете о сделанном выборе.
По выбору приемников Т2 написано довольно много. Тем более постоянно выпускаются новые модели. Я бы посоветовал брать недорогую, но новую модель, предварительно почитав отзывы на сайтах интернет магазинов. Как правило, работает любой приемник, а вот антенна имеет большое значение. Даже если Вы находитесь недалеко от телевышки, но преграждают многоэтажки и т.п. - а это практически всегда, то хорошая антенна - залог беспроблемного (а основное - безнервного) качественного приема максимального количества цифровых каналов ТВ.
Но дорогая антенна не всегда хорошая антенна. Особенно если у Вас отдаление от телевышки 50 км и более. В магазинах предлагают "специальные" антенны для Т2. На самом деле, ничего "специального" нет, нужна хорошая антенна для ДЦМ диапазона. Если у Вас осталась старая ДЦМ антенна - в первую очередь попробуйте подключить ее. Широко распространенные "польские" антенны для приема цифровых каналов Т2 не подходят.
Предлагаю проверенный вариант простой, в тоже время отлично зарекомендовавшей себя, самодельной антенны для T2 . Форма антенны не нова, использовалась уже давно и при приеме ДЦМ аналогового телевидения, но размеры оптимизированы для приема цифровых каналов Т2. Стоит заметить, что в интернете предлагается большое количество вариантов самодельных антенн для Т2: из банок от пива, из самого антенного кабеля, переделанную польскую и т.д. Это для совсем ленивых, ну и качества от таких антенн не стоит ожидать.
Итак. В качестве формы антенны взята давно известная "восьмерка". Тело антенны изготавливается из любого токопроводящего материала подходящего сечения. Это может быть медная или алюминиевая проволока толщиной от 1 до 5 мм, трубка, полоска, шина, уголок, профиль. Медь, конечно, предпочтительней. Я использовал медную трубку диаметром 6 мм. Хороший вариант и медная проволока. Просто такая трубка у меня была.
Размеры
Наружная сторона квадрата - 14 см, внутренняя немного меньше - 13 см. За счет этого середина двух квадратов не сходится, оставляем зазор около 2 см.Всего понадобится трубка, проволока или другой материал, длинной 115 см (это с небольшим запасом).
Первый участок 13 см + 1 см для петли (для прочности), если из проволоки, или расклепать для пайки внахлест для трубки. Второй и третий - по 14 см, четвертый и пятый - по 13 см, шестой и седьмой - по 14 см, и последний восьмой - 13 см + 1 см, опять же для соединения.

Концы зачищаем по 1.5 - 2 см, закручиваем две петли друг за друга, а после запаиваем место стыка. Это будет один контакт подключения кабеля. Через 2 см другой.
Из медной трубки это выглядит так

Трубку гнуть немного сложнее, но большой точности от нас и не требуется. Небольшие изъяны в форме не сказываются на работоспособность антенны. А вот то, что площадь проводника увеличивается это играет в плюс. Ну и проводимость у меди выше, чем у алюминия и, тем более, стали. Чем выше проводимость, тем лучше прием антенны.

Подготовленное к пайке соединение предварительно расклепываем и зачищаем. Для пайки надо использовать мощный паяльник (от 150 вт). Простым радиолюбительским на 30 вт. не запаяете. Можно использовать кислоту для пайки.

Еще раз проверяем геометрию и пропаеваем соединение


Если Вас особо не напрягает эстетический вид, можно просто закрепить антенну на штапик или любой другой подручный держатель. Данная антенна разместилась на чердаке, поэтому был применен самый простой метод крепления - изолента. Если антенна будет размещаться на улице - позаботьтесь о более эстетическом и надежном крепеже.

Это вариант антенны Т2 из алюминиевой проволоки диаметром 3 мм. Закреплена одним шурупом на окне. Расстояние до телевышки где-то 25 км. Правда 6 этаж, ниже не проверял, но в данных условиях уровень сигнала 100% и качество 100%. Кабель старый, метров 12 к телевизору. Принимает все 32 канала. Сначала переживал, что не медная, но как оказалось, зря. Все отлично получилось и на обычной алюминиевой проволоке (какая оказалась в наличии). То-есть, если У Вас зона уверенного приема, то можно не заморачиваться и смело использовать алюминий (не знаю, может и сталь подойдет).

В данной антенне не применяются никакие усилители. Настраивается она очень просто - поворачиваете по максимальному уровню сигнала и качества на каналах Вашего тюнера. Проверьте остальные каналы и зафиксируйте антенну. При плохом приеме можете поэкспериментировать не только поворачивать, но и менять место расположения и высоту. Очень часто сигнал может быть в разы сильнее, при смещении антенны всего на 0,5-1м в сторону или по высоте. Удачи - антенна проверена - 100% работоспособна и лучше как минимум половины, а то и более покупных антенн, где экономят на всем и впаривают фигню за хорошие денежки.
Цифровое телевидение в наши дни продолжает распространяться с каждым днем. Провайдеры предлагают свои услуги в этой сфере, продавая дорогостоящие устройства. Однако можно «поймать» эфирное цифровое телевидение при помощи самодельной антенны.
Предлагаем посмотреть видео по изготовлению антенны:
Итак, нам понадобится: - дециметровая антенна;- калькулятор;- антенный кабель;- разъем для кабеля;- линейка
Первым делом следует отметить, что для приема цифровых телеканалов необходим телевизор с поддержкой формата DVB-T2, в противном случае антенна не будет выполнять своего предназначения. Также следует уточнить, что провайдеры часто рекламируют так называемые цифровые антенны, которые якобы создании специально для приема цифровых телеканалов. Это не так, поскольку можно ловить такие каналы даже при помощи проволоки. С материалами и вводной частью разобрались, можно приступать к работе.

Теперь при помощи калькулятора и специальной формулы нам предстоит узнать необходимую длину нашей антенны. Формула предельно проста: 7500 нужно разделить на число частоты канала. У автора частота канала ровна 522000 кГц, то есть нужно разделить 7500 на 522. Получается 14.3 приблизительно. Округляем полученный после деления результат и получаем длину антенны в сантиметрах.
Отрезаем конец. После этого делаем надрез на линии основы и зачищаем до конва. Снимаем защиту кабеля, поскольку она нам не нужна. Также отрезаем фольгу.

indrikgrad.ru















